ГОСТ 12.4.322-2024
(EN 404:2005)
МЕЖГОСУДАРСТВЕННЫЙ СТАНДАРТ
Система стандартов безопасности труда
СРЕДСТВА ИНДИВИДУАЛЬНОЙ ЗАЩИТЫ ОРГАНОВ ДЫХАНИЯ. САМОСПАСАТЕЛЬ ФИЛЬТРУЮЩИЙ ДЛЯ ЗАЩИТЫ ОТ МОНООКСИДА УГЛЕРОДА С ЗАГУБНИКОМ
Общие технические условия
Occupational safety standards system. Filtering respiratory protective device. Self-rescuer filtering for protection against carbon monoxide with a mouthpiece assembly. General specifications
МКС 13.340.30
Дата введения 2025-06-01
с правом досрочного применения
Предисловие
Цели, основные принципы и основной порядок проведения работ по межгосударственной стандартизации установлены ГОСТ 1.0 "Межгосударственная система стандартизации. Основные положения" и ГОСТ 1.2 "Межгосударственная система стандартизации. Стандарты межгосударственные, правила и рекомендации по межгосударственной стандартизации. Правила разработки, принятия, обновления и отмены"
Сведения о стандарте
1 ПОДГОТОВЛЕН Открытым акционерным обществом "Электростальский химико-механический завод имени Н.Д.Зелинского" (ОАО "ЭХМЗ им.Н.Д.Зелинского") на основе собственного перевода на русский язык англоязычной версии стандарта, указанного в пункте 5
2 ВНЕСЕН Федеральным агентством по техническому регулированию и метрологии
3 ПРИНЯТ Межгосударственным советом по стандартизации, метрологии и сертификации (протокол от 30 апреля 2024 г. № 172-П)
За принятие проголосовали:
Краткое наименование страны по МК (ИСО 3166) 004-97 | Код страны по МК (ИСО 3166) 004-97 | Сокращенное наименование национального органа по стандартизации |
Армения | AM | ЗАО "Национальный орган по стандартизации и метрологии" Республики Армения |
Беларусь | BY | Госстандарт Республики Беларусь |
Казахстан | KZ | Госстандарт Республики Казахстан |
Киргизия | KG | Кыргызстандарт |
Россия | RU | Росстандарт |
Таджикистан | TJ | Таджикстандарт |
Узбекистан | UZ | Узстандарт |
(Поправка. ИУС № 10-2024).
4 Приказом Федерального агентства по техническому регулированию и метрологии от 23 мая 2024 г. № 646-ст межгосударственный стандарт ГОСТ 12.4.322-2024 (EN 404:2005) введен в действие в качестве национального стандарта Российской Федерации с 1 июня 2025 г. с правом досрочного применения
5 Настоящий стандарт является модифицированным по отношению к европейскому стандарту EN 404:2005* "Средства индивидуальной защиты органов дыхания для эвакуации. Фильтрующий самоспасатель с загубником для защиты от монооксида углерода" ("Respiratory protective devices for self-rescue - Filter self-rescuer from carbon monoxide with mouthpiece assembly", MOD) путем внесения технических отклонений, объяснение которых приведено во введении к настоящему стандарту.
Сопоставление структуры настоящего стандарта со структурой указанного международного стандарта приведено в дополнительном приложении ДА.
Наименование настоящего стандарта изменено относительно наименования указанного европейского стандарта для приведения в соответствие с ГОСТ 1.5 (подраздел 3.6) и для увязки с наименованиями, принятыми в существующем комплексе межгосударственных стандартов
6 ВВЕДЕН ВПЕРВЫЕ
Информация о введении в действие (прекращении действия) настоящего стандарта и изменений к нему на территории указанных выше государств публикуется в указателях национальных стандартов, издаваемых в этих государствах, а также в сети Интернет на сайтах соответствующих национальных органов по стандартизации.
В случае пересмотра, изменения или отмены настоящего стандарта соответствующая информация будет опубликована на официальном интернет-сайте Межгосударственного совета по стандартизации, метрологии и сертификации в каталоге "Межгосударственные стандарты"
ВНЕСЕНА поправка, опубликованная в ИУС № 10, 2024 год
Введение
В настоящий стандарт по отношению к европейскому стандарту EN 404:2005 внесены следующие технические отклонения:
- изменены отдельные фразы (слова);
- ссылочные международные и европейские стандарты заменены на ссылочные гармонизированные межгосударственные стандарты;
- введен раздел "Термины и определения" в соответствии с требованиями ГОСТ 1.3. Раздел "Термины и определения" приведен к единообразию согласно разрабатываемым в настоящее время национальным стандартам на термины и определения относительно средств индивидуальной защиты органов дыхания (СИЗОД).
Одновременно во избежание дублирования в рамках настоящего стандарта не приведены термины и определения, установленные в нормативных правовых актах и технических регламентах, действующих на территории государства, принявшего стандарт (например, "средство индивидуальной защиты органов дыхания (СИЗОД)", "самоспасатель" и т.п.);
- термины приведены в соответствии с нормативными правовыми актами и техническими регламентами, действующими на территории государства, принявшего стандарт.
Примечание - Информация о технических регламентах и нормативных правовых актах приведена в приложении ДБ;
- введены разделы: "Технические требования", "Правила приемки", "Транспортирование и хранение", "Руководство по эксплуатации" в соответствие с требованиями к разработке межгосударственных стандартов согласно ГОСТ 1.5, а также структурный элемент "Библиография";
- подпункты 6.18.4.1, 6.18.4.2 - не акцентируется внимание на временной период проведения испытаний;
- таблица 6 "Перечень показателей, проверяемых при испытаниях фильтрующих самоспасателей" - определено, что все испытания эксплуатационных свойств проводят на этапе разработки данной продукции.
Все дополнения и изменения в тексте стандарта выделены курсивом.
1 Область применения
Настоящий стандарт распространяется на фильтрующие самоспасатели (далее - самоспасатели), предназначенные для защиты от монооксида углерода, и устанавливает требования к противогазовому фильтру, применяемому в фильтрующих самоспасателях.
В настоящий стандарт включены методы лабораторных и практических испытаний эксплуатационных свойств для оценки соответствия требованиям настоящего стандарта.
Стандарт не распространяется на следующие типы СИЗОД:
- пожарные;
- военные;
- медицинские;
- авиационные;
- дыхательные аппараты для аварийно-спасательных подземных работ;
- для подводных работ.
Стандарт не распространяется на СИЗОД, предназначенные для использования в условиях недостатка кислорода (т.е. при концентрации кислорода менее 17% по объему).
2 Нормативные ссылки
В настоящем стандарте использованы нормативные ссылки на следующие межгосударственные стандарты:
ГОСТ 2.610* Единая система конструкторской документации. Правила выполнения эксплуатационных документов
_______________
* В Российской Федерации действует ГОСТ Р 2.610-2019 "Единая система конструкторской документации. Эксплуатационные документы".
ГОСТ 15.309 Система разработки и постановки продукции на производство. Испытания и приемка выпускаемой продукции. Основные положения
Примечание - При пользовании настоящим стандартом целесообразно проверить действие ссылочных стандартов и классификаторов на официальном интернет-сайте Межгосударственного совета по стандартизации, метрологии и сертификации (www.easc.by) или по указателям национальных стандартов, издаваемым в государствах, указанных в предисловии, или на официальных сайтах соответствующих национальных органов по стандартизации. Если на документ дана недатированная ссылка, то следует использовать документ, действующий на текущий момент, с учетом всех внесенных в него изменений. Если заменен ссылочный документ, на который дана датированная ссылка, то следует использовать указанную версию этого документа. Если после принятия настоящего стандарта в ссылочный документ, на который дана датированная ссылка, внесено изменение, затрагивающее положение, на которое дана ссылка, то это положение применяется без учета данного изменения. Если ссылочный документ отменен без замены, то положение, в котором дана ссылка на него, применяется в части, не затрагивающей эту ссылку.
3 Термины и определения
В настоящем стандарте применены следующие термины с соответствующими определениями:
3.1 фильтр (filter): Комплектующее изделие средства индивидуальной защиты органов дыхания, предназначенное для очистки окружающего воздуха от опасных и вредных веществ.
3.2 загубник (mouthpiece; mouthpiece assembly): Лицевая часть из изолирующего материала, удерживаемая зубами или зубами и оголовьем, плотно обжимаемая губами, через которую происходит вдыхание и выдыхание воздуха, при этом нос закрыт зажимом.
3.3 дым (fume; smoke): Твердые аэрозоли, образующиеся при сублимации твердых материалов и последующей их конденсации в воздухе.
3.4 клапан вдоха (inhalation valve): Компонент средства индивидуальной защиты органов дыхания в виде одностороннего клапана, пропускающего вдыхаемый воздух или газовую дыхательную смесь в лицевую часть средства индивидуальной защиты органов дыхания и препятствующего выходу выдыхаемого воздуха через вход для дыхания.
3.5 клапан выдоха (exhalation valve): Компонент средства индивидуальной защиты органов дыхания в виде одностороннего клапана, позволяющего отводить выдыхаемый и избыточный воздух или газовую дыхательную смесь из лицевой части средства индивидуальной защиты органов дыхания.
3.6 противоаэрозольный фильтр (particle filter): Комплектующее изделие фильтрующего средства индивидуальной защиты органов дыхания, предназначенное для очистки вдыхаемого воздуха от аэрозолей.
3.7 противогазовый фильтр (gas filter): Комплектующее изделие фильтрующего средства индивидуальной защиты органов дыхания, предназначенное для очистки вдыхаемого воздуха от газов и паров.
3.8 соединительная трубка; соединительный шланг (inhalation hose): Комплектующее изделие средства индивидуальной защиты органов дыхания в виде закрытого канала для подачи к изолирующей лицевой части средства индивидуальной защиты органов дыхания воздуха или дыхательной смеси при давлении, близком к атмосферному.
4 Описание
Фильтрующий самоспасатель представляет собой фильтрующее СИЗОД, предназначенное для защиты от монооксида углерода. Самоспасатель состоит из загубника с фильтром. Загубник самоспасателя соединен с фильтром(ами) непосредственно или через соединительный шланг.
5 Классификация
Самоспасатели классифицируют в соответствии с минимальным временем защитного действия, определяемым в условиях испытаний с помощью дыхательной машины в соответствии с 8.6.1. Классы самоспасателей приведены в таблице 1.
Таблица 1 - Классы самоспасателей
Класс | Минимальное время защитного действия, мин | |
FSR 1 A
| FSR 1 B | 60 |
FSR 2 A
| FSR 2 B | 75 |
FSR 3 A
| FSR 3 B | 90 |
FSR 4 A | FSR 4 B | 120 |
Примечание - Реальное время защитного действия может отличаться от времени защитного действия, определенного в соответствии с настоящим стандартом, как в большую, так и в меньшую сторону, в зависимости от условий эксплуатации.
6 Технические требования
6.1 Общие требования
При ссылке на номер пункта методов испытаний следует применять все подпункты, если не указано иное.
Примечание - Требования к проведению испытаний и методы испытаний основаны на конструкции существующих самоспасателей с гопкалитом и поглотителем влаги. Следует учитывать влияние конструкции самоспасателей с другими материалами.
6.2 Эргономика
Самоспасатель должен удовлетворять 6.3 и 6.19.
6.3 Конструкция
6.3.1 Конструкция самоспасателя должна обеспечивать возможность его осмотра в соответствии с информацией, предоставляемой изготовителем.
6.3.2 Самоспасатель должен быть достаточно прочным для эксплуатации в условиях высокого риска механических повреждений, соответствующих его классификации.
6.3.3 Конструкция самоспасателя должна исключать выступающие элементы, острые кромки и заусеницы, которые могут зацепляться в узких проходах или контактировать с пользователем.
6.3.4 Части самоспасателя, которые могут контактировать с кожей человека, не должны иметь острых кромок и заусениц.
6.3.5 Конструкция самоспасателя должна обеспечивать легкий способ очистки внешней поверхности переносного контейнера.
6.3.6 Если самоспасатель оборудован противоаэрозольным фильтром для защиты от грубодисперсных частиц, то этот фильтр должен легко сниматься.
6.3.7 Конструкция самоспасателя должна обеспечивать его работоспособность в любом положении.
6.3.8 Испытания проводят в соответствии с 8.3 и 8.5.
6.4 Материалы
6.4.1 Необходимо обеспечить надлежащую защиту от коррозии переносного контейнера и запорного устройства. Используемые материалы должны выдерживать температурные и механические воздействия, возникающие при ношении человеком самоспасателя, или воздействия, которые могут возникнуть при хранении самоспасателей, в автомобилях и других транспортных средствах.
6.4.2 Испытания проводят в соответствии с 8.4.3 и 8.5.2.
6.4.3 Открытые части самоспасателя, которые могут подвергаться ударам во время использования устройства, не должны изготавливаться из алюминия, магния, титана или их сплавов.
6.4.4 Материалы, которые могут контактировать с кожей пользователя, не должны вызывать раздражения кожи или оказывать иное неблагоприятное воздействие на здоровье пользователя.
6.4.5 Испытания проводят в соответствии с 8.3 и 8.5.
6.4.7 Испытания проводят в соответствии с 8.6.6.
6.5 Чистка и дезинфекция
Материалы не должны менять своих свойств при использовании чистящих и дезинфицирующих средств, рекомендованных изготовителем.
Испытания проводят в соответствии с 8.3.
6.6 Масса
6.6.1 Масса готового к использованию самоспасателя, надетого на голову пользователя, не должна превышать 750 г.
6.6.2 Масса всего самоспасателя, включая переносной контейнер, не должна превышать 2000 г.
6.6.3 Испытания проводят в соответствии с 8.1.
6.7 Соединения
6.7.1 Все соединения самоспасателя должны быть газонепроницаемыми.
6.7.2 Испытания проводят в соответствии с 8.6.1 и 8.6.2.
6.7.3 Все соединения самоспасателя должны быть достаточно прочными и выдерживать силу растяжения 50 H в течение 10 с. Соединения незащищенных соединительных шлангов должны выдерживать силу растяжения 250 H в течение 10 с.
6.7.4 Испытания проводят в соответствии с 8.3, 8.5.1 и 8.6.10.2.
6.8 Средства переноски
6.8.1 Для постоянного ношения самоспасателя пользователем необходимо использовать переносной контейнер.
6.8.2 Испытания проводят в соответствии с 8.5.2.
6.8.3 Если самоспасатель предназначен для ношения на пользователе, усилие разрыва для средств переноски должно быть не менее 400 H и не более 800 Н.
6.8.4 Испытания проводят в соответствии с 8.6.10.3.
6.9 Ремни крепления
6.9.1 Ремни крепления самоспасателя должны быть удобными и безопасными при использовании. Ремни крепления должны быть регулируемыми и/или растяжимыми.
6.9.2 Испытания проводят в соответствии с 8.5.1.
6.9.3 Все ремни крепления должны выдерживать силу растяжения 50 H в течение 10 с в направлении, в котором на ремни крепления действует сила растяжения при использовании самоспасателя.
6.9.4 Испытания проводят в соответствии с 8.6.10.2.
6.10 Использование
6.10.1 Конструкция самоспасателя должна обеспечивать его быстрое и простое надевание в соответствии с информацией, предоставляемой изготовителем, в течение не более 20 с без чрезмерных усилий. Необходимо обеспечить защиту запорного устройства от непреднамеренного открытия. При визуальном осмотре самоспасателя должно быть видно, использовался самоспасатель или нет.
6.10.2 Испытания проводят в соответствии с 8.5.1.
6.10.3 Любой элемент самоспасателя, используемый для извлечения из переносного контейнера или контейнера для хранения, должен выдерживать усилие разрыва 400 Н, прилагаемое в течение 10 с в направлении, в котором на элемент самоспасателя действует усилие разрыва при обычном извлечении самоспасателя.
6.10.4 Испытания проводят в соответствии с 8.6.10.2.
6.11 Герметичность
Необходимо выявить нарушение герметичности в контейнере, предназначенном для защиты самоспасателя от загрязнения, с помощью методов, указанных изготовителем.
Испытания проводят в соответствии с 8.6.4.
6.12 Лицевая часть
6.12.1 Загубник
6.12.1.1 Лицевая часть представляет собой загубник, удерживаемый зубами, с губным уплотнением. Через загубник вдыхается и выдыхается воздух, при этом нос закрыт носовым зажимом. Загубник должен быть плотно подогнан. Необходимо исключить возможность непреднамеренного перекрывания соединительных шлангов при использовании загубника.
6.12.1.2 Носовой зажим должен исключать возможность вдыхания воздуха носом. Носовой зажим должен быть закреплен на самоспасателе таким образом, чтобы при надевании загубника привлечь внимание человека к носовому зажиму.
6.12.1.3 Испытания проводят в соответствии с 8.3 и 8.5.1.
6.12.2 Соединительный шланг
Соединительные шланги, если они установлены, должны обеспечивать свободное движение головы, а также при пережатии подбородком или рукой не должны препятствовать или перекрывать поступление воздуха. Соединительные шланги могут растягиваться или сжиматься. Шланг не должен разрываться при растяжении не менее 20% от длины шланга, остаточная линейная деформация шланга не должна превышать 10%.
Испытания проводят в соответствии с 8.5.1 и 8.6.9.
6.13 Клапаны вдоха и выдоха
Клапаны, если они установлены, должны работать в любом положении. При проведении испытаний в соответствии с 8.6.7 необходимо обеспечить соответствие требованиям 6.18.1, 6.18.2 и 6.18.4.
Испытания проводят в соответствии с 8.6.1, 8.6.2 и 8.6.7.
6.14 Ловушка для слюны
Конструкция самоспасателя должна быть такой, чтобы слюна или конденсат не оказывали влияния на работу самоспасателя и не наносили вреда пользователю.
Испытания проводят в соответствии с 8.5.1.
6.15 Целостность самоспасателя при высокой концентрации монооксида углерода
При проведении испытаний в соответствии с 8.6.2 после испытаний в соответствии с 8.3 самоспасатель должен сохранять свою механическую целостность и не должен представлять опасности для пользователя.
6.16 Предварительная подготовка образцов
6.16.1 Устойчивость к механическому воздействию
После предварительной подготовки в соответствии с 8.4.2 самоспасатель должен соответствовать требованиям 6.15 и 6.18.
6.16.2 Эксплуатация в условиях высокого риска механических повреждений (дополнительно)
6.16.2.1 Данные испытания являются дополнительными.
6.16.2.2 Если самоспасатель предназначен для эксплуатации в условиях высокого риска механических повреждений, необходимо провести испытания самоспасателя в бетономешалке.
6.16.2.3 После предварительной подготовки в соответствии с 8.4.3 самоспасатель должен соответствовать требованиям к эксплуатационным характеристикам согласно 6.18.
6.16.2.4 Маркировка должна соответствовать 9.1.4.
6.16.3 Температурное воздействие
После температурного воздействия в соответствии с 8.4.4 и выдерживания при комнатной температуре эксплуатационные характеристики должны соответствовать требованиям 6.18.
6.16.4 Устойчивость к транспортировке
После транспортных испытаний самоспасателя в соответствии с 8.5.2 проводят испытания самоспасателя согласно требованиям, приведенным в таблице 3.
6.17 Содержание диоксида углерода во вдыхаемом воздухе ("мертвое пространство")
Содержание диоксида углерода во вдыхаемом воздухе ("мертвое пространство") в среднем не должно превышать 2% по объему.
Испытания проводят в соответствии с 8.6.8.
6.18 Эксплуатационные свойства
6.18.1 Минимальное время защитного действия
Самоспасатель должен соответствовать требованиям, приведенным ниже для соответствующего класса, при проведении испытаний с воздушным потоком, указанным в таблице 2.
Таблица 2 - Минимальное время защитного действия
Класс | Воздушный поток, дм /мин | Минимальное время защитного действия, мин | |
Тип A | Тип B | ||
FSR 1 | 30 | 40 | 60 |
FSR 2 | 30 | 40 | 75 |
FSR 3 | 30 | 40 | 90 |
FSR 4 | 30 | 40 | 120 |
Примечание - Скорость воздушного потока при испытаниях самоспасателей регламентирована на основании практического опыта различных стран, в которых подобные самоспасатели используются в различных отраслях горнодобывающей промышленности.
Испытания проводят в соответствии с 8.6.1.
6.18.2 Содержание монооксида углерода во вдыхаемом воздухе
Испытания проводят в соответствии с 8.6.1 и 8.6.2.
6.18.3 Температура и влажность
6.18.3.1 Температура вдыхаемого воздуха для самоспасателя типа A не должна превышать 90°С по сухому термометру и 50°С по влажному термометру в течение минимального времени защитного действия.
6.18.3.2 Температура вдыхаемого воздуха для самоспасателя типа B не должна превышать 85°С по сухому термометру и 50°С по влажному термометру в течение минимального времени защитного действия.
6.18.3.3 Испытания проводят в соответствии с 8.6.1 и 8.6.2.
6.18.4 Сопротивление дыханию при определении ВЗД
6.18.4.1 Сопротивление дыханию на вдохе для самоспасателя типа A не должно превышать 1200 Па. Сопротивление на выдохе не должно превышать 350 Па.
6.18.4.2 Сопротивление дыханию на вдохе для самоспасателя типа B не должно превышать 700 Па. Сопротивление на выдохе не должно превышать 250 Па.
6.18.4.3 Испытания проводят в соответствии с 8.6.1, 8.6.2 и 8.6.3.
6.19 Определение эксплуатационных свойств
6.19.1 Проводят модельные испытания эксплуатационных свойств в реальных условиях.
6.19.2 Если при выполнении работ испытатель не смог завершить выбранную операцию вследствие несоответствия самоспасателя заявленному назначению, то самоспасатель считается непригодным для проведения соответствующих работ.
6.19.3 После завершения работы испытатель должен прокомментировать работу самоспасателя. Комментарии могут касаться областей, указанных в [1]. Испытательная лаборатория должна использовать эти комментарии для определения пригодности самоспасателя.
6.19.4 Испытания проводят в соответствии с 8.5.
7 Правила приемки
7.1 Испытания и приемку серийных самоспасателей осуществляют в соответствии с ГОСТ 15.309 и документацией изготовителя.
7.2 Самоспасатели принимают партиями. За партию принимают самоспасатели, изготовленные за ограниченный период времени по одной и той же документации, одновременно предъявляемые к приемке и сопровождаемые одним документом, удостоверяющим приемку продукции (формуляр, паспорт).
7.3 Количество самоспасателей в партии должно быть не более 6000 шт.
7.4 Для проверки соответствия качества самоспасателей при приемке каждой партии проводят приемо-сдаточные испытания.
7.5 Показатели и характеристики, обязательные при испытаниях самоспасателей по 7.4:
- начальное сопротивление воздушному потоку;
- устойчивость к механическому воздействию;
- время защитного действия по монооксиду углерода.
8 Методы испытаний
8.1 Общие положения
Если не установлено применение специальных измерительных приборов и методов измерения, то испытания проводят с использованием средств измерений утвержденных типов на аттестованных испытательных установках.
К проведению испытаний эксплуатационных свойств привлекают испытателей, не имеющих в анамнезе медицинских противопоказаний для данного вида деятельности. Лицо, отвечающее за проведение испытаний, должно принять решение о необходимости медицинского освидетельствования и медицинского контроля до и во время испытаний.
Примечание - Сводные сведения об испытаниях приведены в таблице 6.
8.2 Номинальные значения и допустимые отклонения
Все значения величин, приведенные в настоящем стандарте, являются номинальными. Допускается отклонение ±5% от указанного значения температуры, не установленного в стандарте как максимальное или минимальное. При этом, если не указано иное, температура воздуха при испытаниях должна составлять от 16°С до 32°С, но при испытаниях на механическую прочность - от 10°С до 30°С, а значения температур должны задаваться с точностью ±1°С.
8.3 Визуальный осмотр
Визуальный осмотр проводят в испытательной лаборатории до проведения лабораторных испытаний или испытаний эксплуатационных свойств. При проведении осмотра, возможно, потребуется разобрать самоспасатель в соответствии с инструкцией по эксплуатации, предоставляемой изготовителем. При визуальном осмотре проверяют маркировку самоспасателя и информацию, предоставляемую изготовителем.
8.4 Предварительная подготовка образцов
8.4.1 Общие положения
В соответствии с данными, приведенными в таблице 6, перед проведением испытаний требуется выполнить предварительную подготовку образцов, методы проведения которой приведены в 8.4.2, 8.4.3, 8.4.4 или 8.5.2.
8.4.2 Устойчивость к механическому воздействию
Испытывают три образца самоспасателя.
Схема установки, представленная на рисунке 1, состоит из стального корпуса 1, закрепленного на вертикально перемещающемся поршне 2, который кроме того может подниматься на 20 мм с помощью вращающегося кулачка 3 и опускаться обратно на стальную пластину 4 под действием собственной массы по мере вращения кулачка. Масса стального корпуса должна составлять не менее 10 кг.
Масса стальной пластины, на которую падает стальной корпус, должна как минимум в 10 раз превышать массу стального корпуса. Это достигается приворачиванием болтами стальной пластины к твердому полу.
Самоспасатели должны быть помещены на бок в стальной корпус 1 так, чтобы они не касались друг друга во время испытания и обеспечивали возможность движения по горизонтали на 6 мм и свободного движения по вертикали.
Установка должна работать со скоростью приблизительно 80-100 об/мин при общем количестве оборотов 50000. Самоспасатели испытывают в состоянии после поставки, включая переносные контейнеры и уплотнения.
![]() |
1 - стальной корпус; 2 - поршень; 3 - кулачок; 4 - стальная пластина
Рисунок 1 - Схема установки для проведения испытаний на устойчивость к механическому воздействию
8.4.3 Испытания, моделирующие эксплуатацию в условиях высокого риска механических повреждений
Испытывают три образца самоспасателя.
Бетономешалка, используемая для проведения испытаний, должна удовлетворять следующим требованиям:
- диаметр бетонораздаточной бадьи - приблизительно 70 см;
- глубина бетонораздаточной бадьи - приблизительно 70 см;
- две внутренние лопатки - на расстоянии примерно 17 см от дна;
- частота вращения - примерно 25 об/мин.
В бетономешалку помещают три образца самоспасателя в состоянии после поставки и проводят испытания до достижения общего количества оборотов 800.
Примечание - В случае необходимости при проведении испытания следует обеспечить защиту запорного устройства от непреднамеренного открытия.
8.4.4 Температурное воздействие
Испытывают восемь образцов самоспасателя. При подземных эвакуационных испытаниях следует дополнительно испытать два образца самоспасателя.
При проведении последующих испытаний каждый самоспасатель проходит следующий термический цикл:
a) нагревание до (70±3)°С при относительной влажности воздуха не более 20% в течение 72 ч;
b) нагревание до (70±3)°С при относительной влажности воздуха 95%-100% в течение 72 ч;
c) охлаждение до минус (30±3)°С в течение 24 ч.
8.5 Испытания эксплуатационных свойств
8.5.1 Эвакуационные испытания
8.5.1.1 Общие положения
Эвакуационные испытания проводят в испытательной лаборатории с использованием четырех образцов самоспасателя при участии четырех испытателей.
Подземные эвакуационные испытания (дополнительно) проводят с использованием четырех образцов самоспасателя при участии четырех испытателей.
При проведении эвакуационных испытаний, когда самоспасатель используется испытателем в условиях, адекватных ситуациям эвакуации, необходимо определить, работает ли самоспасатель удовлетворительно. При этом в атмосфере нет монооксида углерода. При проведении испытаний испытатель выполняет различные виды работ.
До проведения испытаний испытатели должны быть проинструктированы о правильном способе открытия и надевания самоспасателя в соответствии с информацией, предоставляемой изготовителем.
Во время испытаний у каждого испытателя должен быть сопровождающий.
До проведения испытаний необходимо записать следующие данные об испытателях:
- имя;
- возраст;
- рост;
- вес.
Необходимо записывать температуру и относительную влажность окружающего воздуха в начале и в конце испытаний, а также массу готового к использованию самоспасателя.
При проведении этих испытаний необходимо записывать сведения, касающиеся видов работ и продолжительности их выполнения. В ходе испытаний испытатель должен дать субъективную оценку самоспасателя, а после испытания следует записать комментарии по следующим вопросам:
- конструкция;
- материалы;
- прилегание к коже;
- ремни крепления;
- удобство надевания;
- возможность общения;
- лицевая часть;
- ловушка для слюны.
8.5.1.2 Образцы для испытаний
В ходе эвакуационных испытаний используют только самоспасатели, прошедшие лабораторные испытания в соответствии с 8.6.
8.5.1.3 Испытатели
К проведению испытаний привлекают испытателей, не имеющих в анамнезе медицинских противопоказаний для данного вида деятельности. В целях безопасности жизни и здоровья испытателей следует проводить обязательный предварительный медосмотр.
8.5.1.4 Эвакуационные испытания в испытательной лаборатории
Испытания проводят при температуре окружающей среды от 20°С до 30°С и при относительной влажности воздуха (50±30)%. В окружающей атмосфере не должно быть дыма. Скорость движения воздуха должна быть не более 1 м/с.
Упражнения необходимо прерывать после истечения минимальной продолжительности испытания согласно таблице 1 или в случае, если испытатель не может завершить испытание по причине плохого самочувствия или неисправности самоспасателя.
Эксплуатационные испытания делят на последовательные этапы. В ходе каждого из этих этапов испытатель выполняет следующие упражнения:
- ходьба в течение 1 мин на беговой дорожке со скоростью 8,0 км/ч;
- ходьба в течение 4 мин на беговой дорожке со скоростью 4,0 км/ч;
- ходьба в течение 23 мин по комнате, предназначенной для испытаний.
Упражнения спуски и подъемы по пандусам различной высоты и подъем по лестнице 15 м со скоростью примерно 10 м/мин. Необходимо выполнить несколько подъемов и спусков по стационарной лестнице для набора высоты подъема 15 м;
- ходьба в течение 2 мин на беговой дорожке со скоростью 2,4 км/ч с уклоном 20%.
8.5.1.5 Подземные эвакуационные испытания (дополнительно)
Для самоспасателей, применяемых в горнодобывающей промышленности, проводят дополнительные подземные испытания. При невозможности проведения подземных испытаний их необходимо провести в комнате, предназначенной для испытаний.
Общая продолжительность испытаний для всех упражнений соответствует минимальному времени защитного действия в соответствии с классом, указанным в таблице 1. Все следующие упражнения необходимо выполнить хотя бы один раз.
Описание упражнения: | Продолжительность, в процентах от минимального времени защитного действия самоспасателя: |
Пандус, наклон приблизительно 15% (13,5 градусов) | Подъем - 25 Спуск - 25 |
Лаз, имитирующий пропласток, высота максимально 1 м | По горизонтали - 20 |
Лаз, имитирующий пропласток, наклон приблизительно 15% (13,5 градусов) | Подъем - 10 Спуск - 10 |
Подъем в шахте | По вертикали - 10 |
Последовательность различных этапов упражнения может быть изменена. Не требуется связывать различные этапы упражнения.
8.5.2 Транспортные испытания
Испытывают 20 самоспасателей: 10 самоспасателей надевают на испытателей, другие 10 самоспасателей перевозят на транспортных средствах.
Испытательная лаборатория проводит испытания самоспасателей в соответствующей шахте. Транспортные испытания проводят под землей предпочтительно на глубине не менее 500 м. Эти испытания включают различные действия испытателей. Транспортные испытания проводятся на этапе разработки изделия.
Визуальный осмотр транспортируемых самоспасателей проводят в испытательной лаборатории не менее одного раза в месяц и ежедневно в шахте. Записывают все результаты и процедуры технического обслуживания с указанием даты и индивидуального номера самоспасателя.
Самоспасатель должен переноситься испытателем или перевозиться на транспортных средствах в течение 120 смен. В качестве испытателей используют водителей транспортных средств, рабочих забоя и проходчиков, инспекторов и обслуживающий персонал. Испытатели должны носить самоспасатели в течение всей смены.
Описывают условия окружающей среды для проведения испытаний, например, указывают температуру, относительную влажность, глубину, условия ношения самоспасателей испытателями и размещение самоспасателей на транспортных средствах, чтобы другие испытательные лаборатории могли проверить и оценить полученные результаты.
Обслуживание испытуемых самоспасателей проводят в соответствии с указаниями по эксплуатации изготовителя. Отбирают самоспасатели с видимыми повреждениями и исключают их из процесса испытаний. Такие самоспасатели отправляют в испытательную лабораторию с указанием причины повреждения.
После завершения испытаний испытатели оставляют свои комментарии. Эти комментарии испытательной лабораторией учитываются при заключительной оценке самоспасателя.
По окончании 120 смен самоспасатели проверяют в испытательной лаборатории:
- самоспасатели с видимыми повреждениями исключают из дальнейших испытаний;
- образцы, выбранные в произвольном порядке из оставшихся самоспасателей, испытывают в соответствии с таблицей 3. В каждом испытании испытывают одинаковое количество самоспасателей, которые использовались испытателями, и самоспасателей, которые размещались на транспортных средствах.
Таблица 3 - Испытания самоспасателей после завершения транспортных испытаний
Номер пункта требований | Число образцов |
8.3 | Все |
8.6.1 и 8.6.3 | 2 |
8.6.2 | 2 |
8.6.7 | 2 |
8.5.1.4 | 2 |
8.5.1.5 (дополнительно) | (2) |
Самоспасатели с видимыми повреждениями, исключенные из дальнейших испытаний, испытывают более подробно. Испытательная лаборатория должна учитывать результаты этих испытаний в заключительной оценке самоспасателей.
8.6 Лабораторные испытания
8.6.1 Испытания минимального времени защитного действия по монооксиду углерода
Испытывают восемь самоспасателей. Среди самоспасателей, прошедших испытания, моделирующие эксплуатацию в условиях высокого риска механических повреждений, испытывают дополнительно два самоспасателя.
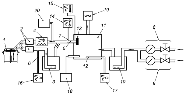
Схематическое устройство испытательных установок, необходимых для данных испытаний, представлено на рисунках 2 и 3. Испытательные установки состоят из дыхательной машины с электромагнитными клапанами, управляемыми дыхательной машиной, увлажнителей, испытательной камеры, адаптера, средства измерения потока воздуха и монооксида углерода, сброса, пробоотборных портов, анализаторов, предназначенных для определения содержания монооксида углерода, и средств измерений давления и температуры.
![]() |
Рисунок 2 - Схема испытательной установки для проведения испытаний по монооксиду углерода с использованием адаптера
![]() |
1 - дыхательная машина; 2 - система клапанов; 3 - анализатор монооксида углерода; 4 - увлажнитель; 5 - охладитель; 6 - электромагнитные клапаны; 7 - измеритель точки росы; 8 - средства измерения температуры и давления выдыхаемого воздуха; 9 - средства измерения температуры и давления вдыхаемого воздуха; 10 - испытательная камера; 11 - сброс; 12 - макет головы для самоспасателя; 13 - подача монооксида углерода; 14 - измеритель потока; 15 - увлажнитель; 16 - измеритель потока; 17 - сброс воздуха
Рисунок 3 - Схема испытательной установки для проведения испытаний по монооксиду углерода с использованием макета головы
Конструкция адаптера (рисунки 4-6 и 7) не является обязательной. Спецификации пробоотборных портов и точек измерения указаны подробно.
Испытания самоспасателя проводят на испытательной установке с использованием дыхательной машины, настройки которой устанавливают перед испытаниями в соответствии с таблицей 4.
Таблица 4 - Настройки дыхательной машины
Тип | Минутная вентиляция при 23°С и давлении 100 кПа | ||
дм /мин | цикл/мин | дм /ход | |
A | 30 | 20 | 1,5 |
B | 40 | 20 | 2,0 |
![]() |
1 - трубка; 2 - диафрагма датчика давления; 3 - дополнительная точка измерения температуры (температура по влажному термометру); 4 - стенка испытательной камеры; 5 - корпус адаптера; 6 - крышка адаптера
Рисунок 4 - Схема типового адаптера
![]() |
Рисунок 5 - Схема корпуса типового адаптера
![]() |
1 - поперечное сечение в соответствии с профилем загубника
Рисунок 6 - Схема крышки типового адаптера
![]() |
1 - порт измерения давления; 2 - измерительный порт для термопары
Рисунок 7 - Схема альтернативного подсоединения средств измерения температуры и давления вдыхаемого и выдыхаемого воздуха
Для проведения испытания самоспасатель прикрепляют к соответствующему адаптеру. Условия проведения испытаний приведены в таблице 5.
Таблица 5 - Условия проведения испытаний
Условия проведения испытаний | Единицы измерения | Тип A | Тип B |
Постоянный поток испытательной атмосферы | дм /мин | 100 | 130 |
Температура выдыхаемого воздуха | °С | (37±0,5) | (37±0,5) |
Относительная влажность выдыхаемого воздуха | % | 95-100 | 95-100 |
Содержание паров воды в испытательной камере | г/м | 20,7 | 27,0 |
Температура испытательной атмосферы | °С | (25±1) | (28±1) |
Концентрация монооксида углерода | % по объему | 0,25 | 0,25 |
Обеспечивают подачу в испытательную камеру непрерывного потока испытательной атмосферы. Увлажнение испытательной атмосферы и выдыхаемого воздуха осуществляется с помощью увлажнителей. Монооксид углерода подается в испытательную камеру через регулирующий клапан и измеритель потока. Концентрацию монооксида углерода в испытательной камере непрерывно измеряют и регистрируют рядом с зоной дыхания самоспасателя.
Перед началом испытаний регулируют температуру выдыхаемого воздуха и измеряют температуру в ходе испытаний в точке измерения температуры на адаптере. Влажность испытательной атмосферы в испытательной камере непрерывно проверяют рядом с зоной дыхания самоспасателя.
Примечание - Следует учитывать, что на испытательную атмосферу в испытательной камере оказывает влияние испытуемый самоспасатель.
Точка измерения температуры вдыхаемого воздуха показана на рисунке 5. Измерение температуры производят с помощью низкоинерционной термопары (например, термопары NiCr-Ni с проволокой диаметром 0,2 мм).
Температуру по влажному термометру вдыхаемого воздуха измеряют в точке, указанной на рисунке 3 или 4. Метод определения температуры по влажному термометру вдыхаемого воздуха приведен в приложении В.
8.6.2 Испытания при высокой концентрации монооксида углерода
Испытывают три самоспасателя. Среди самоспасателей, прошедших испытания, моделирующие эксплуатацию в условиях высокого риска механических повреждений, испытывают дополнительно один самоспасатель.
Испытания проводят в соответствии с 8.6.1, но при использовании концентрации монооксида углерода 1,5% по объему в испытательной атмосфере. Оценку опасности для испытателя проводят при достижении максимальной температуры вдыхаемого воздуха. Для этого самоспасатель извлекают из испытательной установки, и испытатель проверяет его на уровень комфорта при дыхании.
8.6.3 Сопротивление дыханию
Сопротивление дыханию измеряют на соответствующем порте адаптера (см. рисунок 4) с помощью быстродействующего датчика давления.
Результаты измерений корректируют с учетом конструкции адаптера.
8.6.4 Герметичность
Данное испытание проводят в соответствии с инструкциями изготовителя.
8.6.5 Материалы
Испытание свойств материалов проводят вместе с температурным воздействием и испытанием на механическую прочность при переноске и транспортировке.
8.6.6 Сопротивление электрической изоляции неметаллических переносных контейнеров
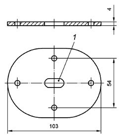
Испытывают два образца самоспасателя.
Испытания на сопротивление электрической изоляции проводят с использованием переносного контейнера, если позволяют размеры, или образца для испытаний, представляющего собой прямоугольную пластину с размерами в соответствии с рисунком 8, на пластине размещают два параллельных электрода, выполненных при помощи электропроводящей краски с растворителем, не оказывающим существенного влияния на сопротивление изоляции.
На поверхности образца для испытаний не должно быть повреждений. Поверхность очищают дистиллированной водой, затем изопропиловым спиртом (или другим растворителем, смешивающимся с водой и не влияющим на материал образца для испытаний), затем еще раз очищают дистиллированной водой и высушивают. К поверхности нельзя прикасаться без средств индивидуальной защиты рук. Затем выполняют предварительную подготовку образца для испытаний в течение 24 ч при температуре (23±2)°С и относительной влажности (50±5)%.
Испытания проводят в условиях окружающей среды, аналогичных условиям окружающей среды при предварительной подготовке.
На электроды в течение 1 мин подают напряжение постоянного тока (500±10) В.
Во время испытаний напряжение должно быть постоянным, чтобы зарядный ток, образующийся вследствие колебаний напряжения, был пренебрежимо малым по сравнению стоком, проходящим через образец для испытаний. В некоторых случаях требуется использование батарей или аккумуляторов.
Сопротивление электрической изоляции вычисляют путем деления напряжения постоянного тока, приложенного к электродам, на силу тока, протекающего между электродами при воздействии напряжения в течение 1 мин.
Соответствующие методы испытаний описаны в приложении А.
![]() |
Рисунок 8 - Схема образца с электродами для проведения испытаний на сопротивление электрической изоляции
8.6.7 Клапаны вдоха и выдоха
Испытывают два образца самоспасателя.
Самоспасатель испытывают с использованием дыхательной машины в соответствии с 8.6.1, но при этом самоспасатель устанавливают в испытательную камеру и ориентируют его в положение, принятое испытательной лабораторией как наиболее критическое для использования типового адаптера (если необходимо). Схема такого адаптера приведена на рисунке 9.
![]() |
Рисунок 9 - Схема типового адаптера для клапана вдоха и выдоха для использования на испытательной установке при испытаниях самоспасателей
8.6.8 Содержание диоксида углерода во вдыхаемом воздухе ("мертвое пространство")
Испытывают два образца самоспасателя.
Основное испытательное оборудование состоит из дыхательной машины с электромагнитными клапанами, управляемыми дыхательной машиной, адаптера, измерителя потока и анализатора диоксида углерода.
Оборудование должно обеспечивать воздействие на самоспасатель дыхательного цикла дыхательной машины. Для этих испытаний самоспасатель надежно и герметично закрепляют на соответствующем адаптере (см. рисунки 10-12).
![]() |
1 - трубка; 2 - корпус адаптера; 3 - крышка адаптера; 4 - пробоотборный порт для вдыхаемого воздуха
Рисунок 10 - Схема типового адаптера для определения содержания диоксида углерода во вдыхаемом воздухе
![]() |
1 - пробоотборный порт
Рисунок 11 - Схема корпуса типового адаптера для определения содержания диоксида углерода во вдыхаемом воздухе
![]() |
1 - поперечное сечение в соответствии с профилем загубника
Рисунок 12 - Схема крышки типового адаптера для определения содержания диоксида углерода во вдыхаемом воздухе
Схема типовой испытательной установки приведена на рисунке 13.
![]() |
1 - дыхательная машина; 2 - вспомогательная дыхательная машина; 3 - обратный клапан; 4 - измеритель потока; 5 - компенсатор; 6 - анализатор диоксида углерода; 7 - электромагнитный клапан; 8 - пробоотборный порт для вдыхаемого воздуха; 9 - корпус и крышка адаптера фильтра (см. рисунки 10-12); 10 - абсорбер для диоксида углерода
Рисунок 13 - Схема типовой испытательной установки для определения содержания диоксида углерода во вдыхаемом воздухе
Для предотвращения образования диоксида углерода вследствие конструкции испытательной установки устанавливают абсорбер диоксида углерода на линии вдоха между электромагнитным клапаном и дыхательной машиной.
Диоксид углерода подают в дыхательную машину через измеритель потока, компенсирующий мешок и обратный клапан.
Непосредственно перед электромагнитным клапаном небольшое количество выдыхаемого воздуха непрерывно отбирают через пробоотборную линию и подают в анализатор, предназначенный для определения содержания диоксида углерода, и возвращают в линию выдыхаемого воздуха.
Чтобы измерить содержание диоксида углерода во вдыхаемом воздухе, 4,5% объема воздуха, вдыхаемого за один ход дыхательной машины, отбирают в указанном месте при помощи вспомогательной дыхательной машины и подают в анализатор, предназначенный для определения содержания диоксида углерода.
Содержание диоксида углерода во вдыхаемом воздухе непрерывно измеряют и регистрируют.
Испытания проводят до достижения постоянного содержания диоксида углерода во вдыхаемом воздухе.
8.6.9 Соединительные шланги
8.6.9.1 Общие положения
Испытывают два самоспасателя в соответствии с 8.6.9.2 и 8.6.9.3.
При проведении эвакуационных испытаний в испытательной лаборатории испытывают четыре самоспасателя.
При проведении подземных эвакуационных испытаний (дополнительно) испытывают четыре самоспасателя.
8.6.9.2 Растяжение
При проведении испытания на растяжение гофрированные шланги подвешивают. Измеряют длину шланга (без соединительных элементов) - длина a. Затем к шлангу прилагают силу в 10 H (длина b) в течение 5 мин.
Вычисляют удлинение (b - a), %.
8.6.9.3 Остаточная линейная деформация
Для проведения испытаний на остаточную линейную деформацию гофрированный шланг испытывают непосредственно после испытаний, описанных в 8.6.9.1, с применением силы в 10 H в течение 48 ч. После восстановительного периода в 6 ч снова измеряют длину шланга (длина с).
Вычисляют остаточную линейную деформацию (c - a),%.
Испытания на остаточную линейную деформацию повторяют через семь дней.
8.6.10 Испытание на растяжение и усилие разрыва
8.6.10.1 Общие положения
Испытывают два образца самоспасателя.
Испытания на растяжение и усилие разрыва проводят на разрывной машине, оборудованной измерителем.
8.6.10.2 Испытания на растяжение
Самоспасатель или его элементы, подлежащие данным испытаниям, крепят в разрывной машине с помощью подходящих адаптеров.
8.6.10.3 Усилие разрыва
Испытывают самый слабый элемент и ориентацию средств переноски (ремень, заклепки, швы, замки и др.). Силу растяжения увеличивают со скоростью примерно 10 Н/с.
9 Маркировка
9.1 Общие положения
Маркировка на самоспасателе должна быть четко различимой и стойкой и содержать следующие сведения:
- фирменное наименование, торговую марку или другое обозначение изготовителя или поставщика;
- обозначение, идентифицирующее тип самоспасателя;
- обозначение, соответствующее классу самоспасателя.
FSR 1 AR.
FSR 3 В;
- номер и дату утверждения настоящего стандарта.
9.2 Маркировка должна содержать следующую информацию:
a) фильтр самоспасателя:
- номер партии;
- дату изготовления (месяц и год);
- массу;
b) самоспасатель:
- номер партии;
- массу;
c) маркировку по [1].
9.3 Если в процессе старения надежность работы компонентов самоспасателя ухудшается, указывают дату изготовления и срок годности.
9.4 Узлы и компоненты самоспасателя, обеспечивающие безопасность, должны быть промаркированы так, чтобы их можно было легко отличить.
9.5 Для элементов, которые не могут быть надежно промаркированы, соответствующие сведения должны быть указаны в информации, предоставляемой изготовителем.
10 Транспортирование и хранение
Правила транспортирования и хранения устанавливает изготовитель в документации на самоспасатели.
11 Руководство по эксплуатации
11.1 К каждому поставляемому самоспасателю прилагают руководство по экспуатации.
11.2 Руководство по эксплуатации должно быть составлено на официальном(ых) языке(ах) страны назначения.
11.3 Руководство по эксплуатации должно отвечать требованиям нормативных правовых актов и технических регламентов, действующих на территории государства, принявшего стандарт, ГОСТ 2.610, а также содержать все сведения, необходимые опытному и квалифицированному персоналу, по следующим вопросам:
- информацию о том, что самоспасатель предназначен только для одноразового использования;
- R, если самоспасатель соответствует требованиям к самоспасателям, предназначенным для эксплуатации в условиях высокого риска механических повреждений, что входит в обозначение класса.
Примечание - Информация о нормативных правовых актах и технических регламентах приведена в приложении ДА.
11.4 Необходимо обратить особое внимание на следующее:
- самоспасатель используется только для персональной эвакуации;
- не обеспечивается защита от недостатка кислорода;
- после контакта с открытым пламенем защита, возможно, не будет обеспечена.
11.5 Указывают сведения о возможных осложнениях, например:
- самоспасатель не должен иметь повреждений;
- надевать самоспасатель необходимо в соответствии с руководством по эксплуатации;
- разговаривать при использовании самоспасателя не допускается.
11.6 Руководство по эксплуатации должно быть однозначным. Если это необходимо, приводят рисунки, нумерацию от дельных частей и их обозначения.
11.7 Предоставляют пояснения к используемым символам.
11.8 Указывают наименование и адрес изготовителя или его уполномоченного представителя.
Таблица 6 - Перечень показателей, проверяемых при испытаниях фильтрующих самоспасателей
Номер пункта требо- ваний | Наименование | Предвари- тельная подготовка образцов | Номер пункта методов испытаний | Наименование | Коли- чество образцов* |
6.3 | Конструкция | ПП | 8.3 | Визуальный осмотр | Все |
ПП | 8.5.1.4** | Эвакуационные испытания в испытательной лаборатории | 2 | ||
ТИ | 8.5.1.4**
| 2 | |||
ПП | 8.5.1.5** | Подземные эвакуационные испытания | (2) | ||
ТИ | 8.5.1.5**
| (2) | |||
ПП | 8.5.2** | Транспортные испытания (на испытателе) | 10 | ||
ПП | 8.5.2** | Транспортные испытания (на транспортном средстве) | 10 | ||
6.4 | Материалы | ПП | 8.3
8.4.4
| Визуальный осмотр | Все |
ПП | 8.5.1.4** | Эвакуационные испытания в испытательной лаборатории | 2 | ||
ТИ | 8.5.1.4**
| 2 | |||
| ПП | 8.5.15** | Подземные эвакуационные испытания | (2) | |
ТИ | 8.5.15** | (2) | |||
ПП | 8.5.2** | Транспортные испытания (на испытателе) | 10 | ||
ПП | 8.5.2** | Транспортные испытания (на транспортном средстве) | 10 | ||
ПП | 8.6.6 | Сопротивление электрической изоляции неметаллических переносных контейнеров | 2 | ||
6.5 | Чистка и дезинфекция | 8.3 | Визуальный осмотр | Все | |
ПП | 8.5.2** | Транспортные испытания (на испытателе) | 10 | ||
ПП | 8.5.2** | Транспортные испытания (на транспортном средстве) | 10 | ||
6.6 | Масса | ПП | 8.1 | Общие положения | 3 |
6.7 | Соединения | 8.3 | Визуальный осмотр | Все | |
ПП | 8.5.1.4** | Эвакуационные испытания в испытательной лаборатории | 2 | ||
ТИ | 8.5.1.4**
| 2 | |||
ПП | 8.5.1.5** | Подземные эвакуационные испытания | (2) | ||
ТИ | 8.5.1.5**
| (2) | |||
ПП | 8.6.10.2 | Испытания на растяжение | 2 | ||
6.8 | Средства переноски | ПП | 8.5.2** | Транспортные испытания (на испытателе) | 10 |
ПП | 8.6.10.3 | Усилие разрыва | 2 | ||
6.9 | Ремни крепления | ПП | 8.5.1.4** | Эвакуационные испытания в испытательной лаборатории | 2 |
ТИ | 8.5.1.4**
| 2 | |||
ПП | 8.5.1.5** | Подземные эвакуационные испытания | (2) | ||
ТИ | 8.5.1.5**
| (2) | |||
ПП | 8.6.10.2 | Испытания на растяжение | 2 | ||
6.10 | Использование | ПП | 8.5.1.4** | Эвакуационные испытания в испытательной лаборатории | 2 |
ТИ | 8.5.1.4** | 2 | |||
ПП | 8.5.1.5** | Подземные эвакуационные испытания | (2) | ||
ТИ | 8.5.1.5** | (2) | |||
ПП | 8.5.2** | Транспортные испытания (на испытателе) | 10 | ||
ПП | 8.5.2** | Транспортные испытания (на транспортном средстве) | 10 | ||
ПП | 8.6.10.2 | Испытания на растяжение | 2 | ||
6.11 | Герметичность | ТИ | 8.6.4 | Герметичность | 20 |
6.12.1 | Загубник | 8.3 | Визуальный осмотр | Все | |
ПП | 8.5.1.4** | Эвакуационные испытания в испытательной лаборатории | 2 | ||
ТИ | 8.5.1.4** | 2 | |||
ПП | 8.5.1.5** | Подземные эвакуационные испытания | (2) | ||
ТИ | 8.5.1.5** | (2) | |||
6.12.2 | Соединительный шланг | ПП | 8.5.1.4** | Эвакуационные испытания в испытательной лаборатории | 2 |
ТИ | 8.5.1.4** | 2 | |||
ПП | 8.5.1.5** | Подземные эвакуационные испытания | (2) | ||
ТИ | 8.5.1.5** | (2) | |||
ПП | 8.6.9 | Соединительные шланги | 2 | ||
6.13 | Клапаны вдоха и выдоха | ТИ | 8.6.7 | Клапаны вдоха и выдоха | 2 |
6.14 | Ловушка для слюны | ПП | 8.5.1.4** | Эвакуационные испытания в испытательной лаборатории | 2 |
ТИ | 8.5.1.4** | 2 | |||
ПП | 8.5.1.5** | Подземные эвакуационные испытания | (2) | ||
ТИ | 8.5.1.5** | (2) | |||
6.15 | Целостность устройства при | МВ | 8.6.2 | Испытания при высокой концентрации монооксида | 1 |
очень высокой концентрации | ТИ | 8.6.2 | углерода | 2 | |
монооксида углерода | ТЭ | 8.6.2 | (1) | ||
6.16.1 | Устойчивость к механическому воздействию | ПП | 8.4.2 | Устойчивость к механическому воздействию | 3 |
6.16.2 | Эксплуатация в условиях высокого риска механических повреждений | ПП | 8.4.3 | Испытания, моделирующие эксплуатацию в условиях высокого риска механических повреждений | (3) |
6.16.3 | Температура | ПП | 8.4.4 | Температурное воздействие | 8+(2) |
6.16.4 | Устойчивость к транспортировке | ПП | 8.5.2** | Транспортные испытания (на испытателе) | 10 |
Транспортные испытания (на транспортном средстве) | 10 | ||||
6.17 | Содержание диоксида углерода во вдыхаемом воздухе ("мертвое пространство") | ПП | 8.6.8 | Содержание диоксида углерода во вдыхаемом воздухе ("мертвое пространство") | 2 |
6.18.1 | Минимальное время защитного | ПП | 8.6.7 | Минимальное время защитного действия по монооксиду | 2 |
действия | МВ | 8.6.7
| углерода | 2 | |
ТИ | 8.6.7
| 2 | |||
ТВ | 8.6.7
| 2 | |||
ТЭ | 8.6.7 | (2) | |||
6.18.2 | Содержание монооксида | ПП | 8.6.7 | Минимальное время защитного действия по монооксиду | 2 |
углерода во вдыхаемом | ТИ | 8.6.7 | углерода | 2 | |
воздухе | ТВ
| 8.6.7 | 2 | ||
МВ | 8.6.7
| 2 | |||
ТЭ | 8.6.7
| (2) | |||
МВ | 8.6.2 | Испытания при высокой концентрации монооксида | 1 | ||
ТИ | 8.6.2
| углерода | 2 | ||
ТЭ | 8.6.2 | (2) | |||
6.18.3 | Температура и влажность | ПП | 8.6.1 | Минимальное время защитного действия по монооксиду | 2 |
ТИ | 8.6.1
| углерода | 2 | ||
ТВ | 8.6.1
| 2 | |||
МВ | 8.6.1
| 2 | |||
ТЭ | 8.6.1
| (2) | |||
МВ | 8.6.2 | Испытания при высокой концентрации монооксида | 1 | ||
ТИ | 8.6.2
| углерода | 2 | ||
ТЭ | 8.6.2 | (1) | |||
6.18.4 | Сопротивление дыханию | ПП | 8.6.1/8.6.3 | Минимальное время защитного действия по монооксиду | 2 |
ТИ | 8.6.1/8.6.3
| углерода | 2 | ||
ТВ | 8.6.1/8.6.3
| 2 | |||
МВ | 8.6.1/8.6.3
| 2 | |||
ТЭ | 8.6.1/8.6.3
| (2) | |||
МВ | 8.6.2 | Испытания при высокой концентрации монооксида | 1 | ||
ТИ | 8.6.2
| углерода | 2 | ||
ТЭ | 8.6.2 | (1) | |||
6.19 | Определение эксплуатационных | ПП | 8.5.1.4** | Эвакуационные испытания в испытательной лаборатории | 2 |
свойств | ТИ | 8.5.1.4** | 2 | ||
ПП | 8.5.1.5** | Подземные эвакуационные испытания | (2) | ||
ТИ | 8.5.1.5** | (2) | |||
6.19 | Определение эксплуатационных | ПП | 8.5.2** | Транспортные испытания (на испытателе) | 10 |
свойств | ПП | 8.5.2** | Транспортные испытания (на транспортном средстве) | 10 | |
9 | Маркировка | ПП | 8.3 | Визуальный осмотр | Все |
11 | Руководство по эксплуатации | ПП | 8.3 | Визуальный осмотр | Все |
* Большинство образцов используется в нескольких испытаниях, испытания с номером в скобках являются дополнительными. ** Испытания проводятся на этапе разработки изделия. Сокращения: ПП - после поставки; МВ - после механического воздействия (8.4.2); ТЭ - после испытаний, моделирующих эксплуатацию в условиях высокого риска механических повреждений, дополнительное (8.4.3); ТВ - после температурного воздействия (8.4.4); ТИ - после транспортных испытаний (8.5.2). | |||||
12 Гарантии изготовителя
Гарантийный срок хранения самоспасателей в упаковке изготовителя должен быть не менее 3,5 лет с даты изготовления при соблюдении условий хранения.
Приложение A
(обязательное)
Метод измерения сопротивления электрической изоляции неметаллических переносных контейнеров
A.1 Метод с использованием вольтметра и амперметра
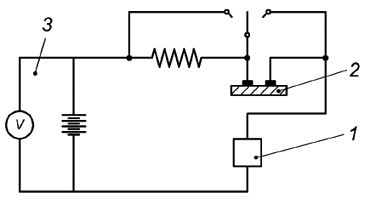
Ток измеряют непосредственно с помощью амперметра или гальванометра (см. рисунок A.1), либо опосредованно с помощью усилителя постоянного тока, который определяет ток, измеряя падение напряжения, соответствующее сопротивлению (см. рисунок A.2). Напряжение измеряют вольтметром. В некоторых случаях отношение напряжения к току измеряют с помощью прибора, непосредственно показывающего сопротивление (см. рисунок A.3).
A.2 Сравнительный метод
Неизвестное сопротивление сравнивают с известным сопротивлением посредством определения отношения токов при одинаковом напряжении, подаваемом на два сопротивления (см. рисунок A.4) или с помощью выравнивания двух сопротивлений в мосте Уитстона (см. рисунок A.5).
Для этих методов неизвестное сопротивление превышает любое откалиброванное сопротивление, подключенное последовательно для потребления практически всего напряжения.
Метод с использованием вольтметра и амперметра
![]() |
1 - амперметр или гальванометр с шунтом; 2 - образец; V - вольтметр
Рисунок А.1 - Измерение тока с помощью амперметра или гальванометра
![]() |
1 - усилитель постоянного тока; 2 - образец; V - вольтметр постоянного тока; M - вольтметр с индикацией
Рисунок А.2 - Измерение тока с помощью усилителя постоянного тока
![]() |
1 - усилитель постоянного тока; 2 - образец; V - вольтметр постоянного тока; M - вольтметр с индикацией
Рисунок А.3 - Измерение тока с помощью усилителя постоянного тока
Сравнительный метод
![]() |
1 - микроамперметр или гальванометр с шунтом; 2 - образец; V - вольтметр постоянного тока (дополнительно)
Рисунок A.4 - Определение отношения токов при одинаковом напряжении на двух последовательных сопротивлениях
![]() |
1 - детектор; 2 - образец
Рисунок А.5 - Метод моста Уитстона
Приложение B
(справочное)
Метод определения температуры вдыхаемого воздуха по влажному термометру
Схема установки показана на рисунке B.1.
Температуру по влажному термометру определяют с использованием следующего метода.
При температуре точки росы пар является полностью насыщенным. Соответственно относительная влажность RH равна:
Давление насыщенного пара при температуре t определяется по следующей формуле:
где е" - давление насыщенного пара, мбар;
t - температура по сухому термометру, °С;
G - постоянная, равная 7,5;
H - постоянная, равная 237,3;
I - постоянная, равная 0,78571.
После измерения температуры по сухому термометру и определения относительной влажности по формулам (B.1) и (B.2) рассчитывают психрометрическую разность. Затем с помощью стандартных психрометрических таблиц определяют температуру по сухому термометру.
![]() |
Рисунок B.1 - Схема для определения температуры вдыхаемого воздуха по влажному термометру
Приложение ДА
(справочное)
Сопоставление структуры настоящего стандарта со структурой примененного в нем международного стандарта
Таблица ДА.1
Структура настоящего стандарта | Структура международного стандарта EN 404:2005 |
1 Область применения | 1 Область применения |
2 Нормативные ссылки | 2 Нормативные ссылки |
3 Термины и определения | 3 Термины и определения |
4 Описание | 4 Описание |
5 Классификация | 5 Классификация |
6 Технические требования | 6 Общие технические требования |
6.1 Общие требования | 6.1 Общие положения |
6.2 Эргономика | 6.2 Эргономика |
6.3 Конструкция | 6.3 Конструкция |
6.4 Материалы | 6.4 Материалы |
6.5 Чистка и дезинфекция | 6.5 Чистка и дезинфекция |
6.6 Масса | 6.6 Масса |
6.7 Соединения | 6.7 Соединения |
6.8 Средства переноски | 6.8 Средства переноски |
6.9 Ремни крепления | 6.9 Ремни крепления |
6.10 Использование | 6.10 Использование |
6.11 Герметичность | 6.11 Герметичность |
6.12 Лицевая часть | 6.12 Лицевая часть |
6.13 Клапаны вдоха и выдоха | 6.13 Клапаны вдоха и выдоха |
6.14 Ловушка для слюны | 6.14 Ловушка для слюны |
6.15 Целостность самоспасателя при высокой концентрации монооксида углерода | 6.15 Целостность самоспасателя при высокой концентрации монооксида углерода |
6.16 Предварительная подготовка образцов | 6.16 Предварительная подготовка образцов |
6.17 Содержание диоксида углерода во вдыхаемом воздухе ("мертвое пространство") | 6.17 Содержание диоксида углерода во вдыхаемом воздухе ("мертвое пространство") |
6.18 Эксплуатационные свойства | 6.18 Эксплуатационные свойства |
6.19 Определение эксплуатационных свойств | 6.19 Определение эксплуатационных свойств |
7 Правила приемки | - |
8 Методы испытаний | 7 Методы испытаний |
8.1 Общие положения | 7.1 Общие положения |
8.2 Номинальные значения и допустимые отклонения | 7.2 Номинальные значения и допустимые отклонения |
8.3 Визуальный осмотр | 7.3 Визуальный осмотр |
8.4 Предварительная подготовка образцов | 7.4 Предварительная подготовка образцов |
8.5 Испытания эксплуатационных свойств | 7.5 Испытания эксплуатационных свойств |
8.6 Лабораторные испытания | 7.6 Лабораторные испытания |
9 Маркировка | 8 Маркировка |
10 Транспортирование и хранение | - |
11 Руководство по эксплуатации | 9 Информация, предоставляемая изготовителем |
12 Гарантии изготовителя | - |
Приложение A (обязательное) Метод измерения сопротивления электрической изоляции неметаллических переносных контейнеров | Приложение A (обязательное) Метод измерения сопротивления электрической изоляции неметаллических переносных контейнеров |
Приложение B (справочное) Метод определения температуры вдыхаемого воздуха по влажному термометру | Приложение B (справочное) Метод определения температуры вдыхаемого воздуха по влажному термометру |
Приложение ДА | - |
Приложение ДБ | - |
Библиография | - |
Примечание - После заголовков разделов (подразделов) настоящего стандарта приведены в скобках номера аналогичных им разделов (подразделов) международного стандарта. | |
Приложение ДБ
(справочное)
Информация о применяемых технических регламентах и нормативных правовых актах в странах СНГ
Таблица ДБ.1
Наименование технического регламента или нормативного правового акта | Государство - участник СНГ |
Технический регламент Таможенного союза ТР ТС 019/2011 "О безопасности средств индивидуальной защиты" | AM, BY, KZ, KG, RU |
Библиография
[1] | EN 13274-2 | Respirator/ protective devices - Methods of test - Part 2: Practical performance tests (Средства индивидуальной защиты органов дыхания. Методы испытаний. Часть 2. Практические испытания эксплуатационных свойств) |
УДК 614.894.3:006.354 | МКС 13.340.30 | MOD |
Ключевые слова: фильтрующие самоспасатели, загубники, технические требования, методы испытаний, маркировка | ||


















