ГОСТ Р 71987-2025
НАЦИОНАЛЬНЫЙ СТАНДАРТ РОССИЙСКОЙ ФЕДЕРАЦИИ
СОСУДЫ И АППАРАТЫ
Требования к контролю сварных соединений, недоступных для проведения радиографического и ультразвукового контроля
Vessels and apparatus. Requirements for the control of welded joints, inaccessible for radiographic and ultrasonic testing
ОКС 71.120.01
25.160.40
Дата введения 2025-09-01
Предисловие
1 РАЗРАБОТАН Акционерным обществом "Научно-исследовательский и проектно-конструкторский институт нефтяного машиностроения "ВНИИНЕФТЕМАШ" (АО "ВНИИНЕФТЕМАШ"), Федеральным государственным бюджетным учреждением "Российский институт стандартизации" (ФГБУ "Институт стандартизации")
2 ВНЕСЕН Техническим комитетом по стандартизации ТК 270 "Сосуды и аппараты, работающие под давлением"
3 УТВЕРЖДЕН И ВВЕДЕН В ДЕЙСТВИЕ Приказом Федерального агентства по техническому регулированию и метрологии от 2 апреля 2025 г. № 246-ст
4 ВВЕДЕН ВПЕРВЫЕ
Правила применения настоящего стандарта установлены в статье 26 Федерального закона от 29 июня 2015 г. № 162-ФЗ "О стандартизации в Российской Федерации". Информация об изменениях к настоящему стандарту публикуется в ежегодном (по состоянию на 1 января текущего года) информационном указателе "Национальные стандарты", а официальный текст изменений и поправок - в ежемесячном информационном указателе "Национальные стандарты". В случае пересмотра (замены) или отмены настоящего стандарта соответствующее уведомление будет опубликовано в ближайшем выпуске ежемесячного информационного указателя "Национальные стандарты". Соответствующая информация, уведомление и тексты размещаются также в информационной системе общего пользования - на официальном сайте Федерального агентства по техническому регулированию и метрологии в сети Интернет (www.rst.gov.ru)
1 Область применения
Настоящий стандарт распространяется на сосуды и аппараты (далее - сосуды), изготавливаемые в соответствии с ГОСТ 34347, ГОСТ 31842, ГОСТ 31838, ГОСТ Р 54803, и устанавливает требования к контролю их сварных соединений, недоступных для проведения неразрушающего контроля радиографическим и ультразвуковым методами.
2 Нормативные ссылки
В настоящем стандарте использованы нормативные ссылки на следующие стандарты:
ГОСТ 5264 Ручная дуговая сварка. Соединения сварные. Основные типы, конструктивные элементы и размеры
ГОСТ 8713 Сварка под флюсом. Соединения сварные. Основные типы, конструктивные элементы и размеры
ГОСТ 11534 Ручная дуговая сварка. Соединения сварные под острыми и тупыми углами. Основные типы, конструктивные элементы и размеры
ГОСТ 14771 Дуговая сварка в защитном газе. Соединения сварные. Основные типы, конструктивные элементы и размеры
ГОСТ 18442 Контроль неразрушающий. Капиллярные методы. Общие требования
ГОСТ 24054 Изделия машиностроения и приборостроения. Методы испытаний на герметичность. Общие требования
ГОСТ 31838 Аппараты колонные. Технические требования
ГОСТ 31842 (ISO 16812:2007) Нефтяная и газовая промышленность. Теплообменники кожухотрубчатые. Технические требования
ГОСТ 34347-2017 Сосуды и аппараты стальные сварные. Общие технические условия
ГОСТ 34951 (EN 10020:2000) Сталь. Определение и классификация по химическому составу и классам качества
ГОСТ ISO 17638 Неразрушающий контроль сварных соединений. Магнитопорошковый контроль
ГОСТ ISO 23277 Неразрушающий контроль сварных соединений. Контроль проникающими веществами. Уровни приемки
ГОСТ Р 52727 Техническая диагностика. Акустико-эмиссионная диагностика. Общие требования
ГОСТ Р 54803-2011 Сосуды стальные сварные высокого давления. Общие технические требования
ГОСТ Р 56542 Контроль неразрушающий. Классификация видов и методов
ГОСТ Р 58904/ISO/TR 25901-1:2016 Сварка и родственные процессы. Словарь. Часть 1. Общие термины
ГОСТ Р EH 13018 Контроль визуальный. Общие положения
ГОСТ Р ИСО 3452-1 Контроль неразрушающий. Проникающий контроль. Часть 1. Основные требования
ГОСТ Р ИСО 9934-1 Контроль неразрушающий. Магнитопорошковый метод. Часть 1. Основные требования
ГОСТ Р ИСО 17637 Неразрушающий контроль сварных швов. Визуальный контроль соединений, выполненных сваркой плавлением
Примечание - При пользовании настоящим стандартом целесообразно проверить действие ссылочных стандартов в информационной системе общего пользования - на официальном сайте Федерального агентства по техническому регулированию и метрологии в сети Интернет или по ежегодному информационному указателю "Национальные стандарты", который опубликован по состоянию на 1 января текущего года, и по выпускам ежемесячного информационного указателя "Национальные стандарты" за текущий год. Если заменен ссылочный стандарт, на который дана недатированная ссылка, то рекомендуется использовать действующую версию этого стандарта с учетом всех внесенных в данную версию изменений. Если заменен ссылочный стандарт, на который дана датированная ссылка, то рекомендуется использовать версию этого стандарта с указанным выше годом утверждения (принятия). Если после утверждения настоящего стандарта в ссылочный стандарт, на который дана датированная ссылка, внесено изменение, затрагивающее положение, на которое дана ссылка, то это положение рекомендуется применять без учета данного изменения. Если ссылочный стандарт отменен без замены, то положение, в котором дана ссылка на него, рекомендуется применять в части, не затрагивающей эту ссылку.
3 Термины и определения
В настоящем стандарте применены термины по ГОСТ 34951, ГОСТ Р 56542, ГОСТ Р 58904.
4 Общие положения
4.1 Недоступными считают сварные соединения сосудов, для которых проведение радиографического контроля и ультразвукового контроля невозможно вследствие:
- ограниченного доступа к участку размещения рентгеновской пленки, или цифрового детектора, или источника излучения;
- ограниченной зоны сканирования ультразвуковым преобразователем или ее отсутствия;
- конструктивных особенностей сосуда, не позволяющих эффективно проводить неразрушающий контроль, в частности при наличии конструктивного зазора, затрудняющего расшифровку результатов контроля;
- условий техники безопасности.
Примечание - Выполнение сварных соединений с конструктивным зазором определено в ГОСТ 34347.
4.2 Недоступными также считают сварные соединения, имеющие крупнозернистую структуру металла шва, для которых проведение ультразвукового контроля затруднено в связи с возникновением структурных помех, соизмеримых с уровнем эхо-сигналов от несплошностей, а проведение радиографического контроля невозможно или неэффективно из-за особенностей конструкции, не позволяющих получить качественное изображение на рентгеновской пленке или цифровом детекторе.
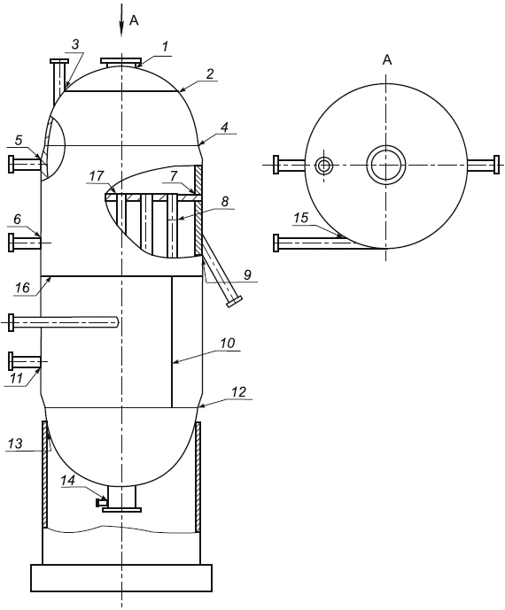
4.3 Типовая схема сварного сосуда и расположения его сварных швов представлена на рисунке 1. Как правило, для всех сварных швов сосуда указывают вид разделки кромок и исполнение (неполное/полное проплавление или конструктивный зазор).
4.4 Для каждого конкретного сосуда методы контроля качества сварных соединений, недоступных для проведения радиографического и ультразвукового контроля, устанавливают в проектной и/или рабочей конструкторской документации.
4.5 Контроль качества сварных соединений, недоступных для проведения радиографического и ультразвукового контроля, проводит изготовитель по технологической инструкции, учитывающей имеющееся технологическое оборудование (средства контроля).
![]() |
1, 3, 5, 7, 8, 9, 11, 13, 14, 15, 17 - сварные швы, недоступные для проведения радиографического и ультразвукового контроля;
2, 4, 6, 10, 12, 16 - сварные швы, доступные для проведения радиографического и ультразвукового контроля; А - сечение, вид сверху
Рисунок 1 - Типовая схема сварного сосуда и расположения его сварных швов
4.6 К проведению контроля качества сварных соединений, недоступных для проведения радиографического и ультразвукового контроля, допускают специалистов неразрушающего контроля, имеющих документы о соответствующей квалификации.
5 Методы и объем контроля
5.1 Для оценки качества сварных соединений, недоступных для проведения радиографического и ультразвукового контроля, проводят:
- визуальный и измерительный контроль;
- магнитопорошковый контроль;
- контроль проникающими веществами (капиллярный контроль);
- контроль герметичности, в том числе с люминесцентным индикаторным покрытием;
- гидравлические или пневматические испытания, в том числе с проведением акустико-эмиссионной диагностики.
5.2 Визуальный и измерительный контроль сварных соединений проводят в соответствии с ГОСТ Р ЕН 13018, ГОСТ Р ИСО 17637 до сварки, в процессе сварки (послойно) и после сварки.
При визуальном и измерительном контроле до сварки проверяют качество подготовки кромок и правильность сборки соединений под сварку на соответствие требованиям конструкторской документации и ГОСТ 5264, ГОСТ 8713, ГОСТ 11534, ГОСТ 14771 в зависимости от способа сварки, а именно смещение кромок, величину притупления кромок, угол разделки кромок, шероховатость поверхности кромок, величину и равномерность зазора между свариваемыми кромками.
Визуальный и измерительный контроль в процессе сварки проводят послойно после зачистки каждого наложенного слоя сварного шва в целях выявления следующих дефектов, выходящих на поверхность: трещин, непроваров, несплавлений, пор, шлаковых включений, подрезов, прожогов, незаверенных кратеров, линейных смещений, отклонений формы и размера.
Глубину проплавления сварного шва при двухсторонней многопроходной сварке оценивают при визуальном и измерительном контроле после наложения первого (корневого) валика сварного шва по его размерам.
5.3 В целях обнаружения дефектов и обеспечения правильной настройки чувствительности средств контроля шероховатость контролируемой поверхности Ra должна быть не более 2,5 мкм, при этом с контролируемой поверхности должен быть удален шлак и дефекты, выявленные при проведении предыдущего этапа контроля.
5.4 В целях выявления поверхностных и подповерхностных дефектов контроль качества сварных соединений сосуда проводят послойно после зачистки каждого наложенного слоя сварного шва одним из следующих методов:
- магнитопорошковым методом в соответствии с ГОСТ Р ИСО 9934-1, ГОСТ ISO 17638 в целях выявления поверхностных и подповерхностных дефектов с раскрытием от 0,001 мм, глубиной от 0,01 мм и протяженностью от 0,5 мм типа трещин, непроваров (несплавлений), пор, шлаковых включений на глубине не более 2 мм;
- капиллярным методом в соответствии с ГОСТ 18442, ГОСТ Р ИСО 3452-1, ГОСТ ISO 23277 в целях выявления выходящих на поверхность дефектов с минимальным размером (шириной раскрытия) от 0,001 мм типа трещин, свищей, пор, непроваров, несплавлений, подрезов, шлаковых включений и других несплошностей.
5.5 Контроль герметичности сварных соединений сосудов проводят в соответствии с ГОСТ 34347-2017 (подразделы 7.11, 7.12) в целях выявления в сварных швах сквозных дефектов типа прожогов, трещин, пор, непроваров, несплавлений.
Контроль на герметичность гидравлическим испытанием с применением люминесцентного индикаторного покрытия согласно ГОСТ 24054 допускается совмещать с гидравлическим испытанием на прочность.
Акустико-эмиссионную диагностику при проведении контроля на герметичность проводят в соответствии с ГОСТ Р 52727 в целях выявления в сварных швах сквозных дефектов.
5.6 Гидравлические или пневматические испытания сосудов со сварными соединениями, недоступными для проведения радиографического и ультразвукового контроля, рекомендуется выполнять в сочетании с проведением акустико-эмиссионной диагностики. Акустико-эмиссионную диагностику проводят в соответствии с ГОСТ Р 52727 в целях выявления в сварных швах развивающихся дефектов.
5.7 Выбор методов контроля сварных соединений сосудов осуществляют в соответствии с таблицей 1 в зависимости от группы сосуда по ГОСТ 34347-2017 (пункт 3.1.6).
Таблица 1 - Методы контроля сварных соединений сосудов
Группа сосуда по ГОСТ 34347 | Метод контроля сварных соединений сосуда |
1, 2, 3 | 1 Визуальный и измерительный контроль (до сварки, послойно, после сварки).
2 Магнитопорошковый или капиллярный контроль (послойно, после сварки).
3 Контроль герметичности (после сварки) |
4 | 1 Визуальный и измерительный контроль (до сварки, послойно, после сварки).
2 Магнитопорошковый или капиллярный контроль (послойно), или контроль герметичности (после сварки) |
5 | Визуальный и измерительный контроль (до сварки, послойно, после сварки) |
5.8 После ремонта (исправления) сварных соединений также необходимо проводить контроль методами, указанными в таблице 1.
5.9 Сварные соединения сосуда, выполненные из стали, склонной к образованию трещин в сварном шве и околошовной зоне при сварке, необходимо подвергнуть послойному сплошному контролю магнитопорошковым, капиллярным методами независимо от группы сосуда.
Примечание - Данное положение уточнено по отношению к положению ГОСТ 34347-2017 (пункт 7.8.1). Стали, склонные к образованию трещин в сварном шве и околошовной зоне при сварке, приведены в ГОСТ 34347-2017 (приложение Р).
5.10 Послойный сплошной контроль многопроходных сварных швов сосуда капиллярным или магнитопорошковым методами проводят после положительных результатов визуального и измерительного контроля проведенного послойно. Результаты проведенного визуального послойного контроля должны быть оформлены документально изготовителем сосуда.
5.11 Для сварных соединений сосудов всех групп по ГОСТ 34347, выполненных с полным проплавлением и недоступных для проведения радиографического контроля и ультразвукового контроля всего сечения сварного шва, но конструктивные особенности которых позволяют провести ультразвуковой контроль только с обратной стороны шва (корневой части) хотя бы с одной стороны от сварного шва, то контроль герметичности может быть заменен ультразвуковым контролем корневой части сварного шва.
5.12 Контроль герметичности сварных швов приварки укрепляющих колец или накладок к корпусам, патрубкам штуцеров сосудов проводят пневматическим испытанием по ГОСТ 34347-2017 (пункты 7.12.4, 7.12.5).
5.13 Сварные швы приварки укрепляющих колец или накладок к корпусам, патрубкам штуцеров сосудов, выполненные из стали, склонной к образованию трещин в сварном шве и околошовной зоне при сварке, необходимо контролировать капиллярным или магнитопорошковым методами.
6 Оценка качества сварных соединений
6.1 Оценку качества сварных соединений, недоступных для проведения радиографического и ультразвукового контроля, на соответствие требованиям ГОСТ 34347-2017 (пункты 5.10.2, 5.10.3) и ГОСТ Р 54803-2011 (пункт 8.3.3) проводят по результатам проведенного в соответствии с настоящим стандартом контроля.
6.2 Результаты неразрушающего контроля должны быть оформлены документально. Рекомендуемая форма акта контроля сварных соединений приведена в приложении А. Акт контроля сварных соединений прикладывают к паспорту сосуда.
6.3 К акту контроля должны быть приложены карта контроля сварных соединений и схема расположения сварных соединений, рекомендуемые формы которых приведены в приложении Б. В них должны быть указаны сварные соединения, недоступные для проведения радиографического и ультразвукового контроля, и методы контроля в соответствии с настоящим стандартом.
6.4 На заводе-изготовителе сосуда следует вести журнал учета контроля сварных соединений (по форме завода-изготовителя), недоступных для проведения радиографического и ультразвукового контроля. Если проводили исправление содержащих дефекты участков таких сварных соединений, то в журнале необходимо делать об этом запись.
6.5 На основании результатов контроля сварных соединений в акте контроля делают заключение: "годен" или "негоден". Сварные соединения или отдельные их участки, содержащие дефекты, признанные "негодными", подлежат исправлению согласно технологической документации изготовителя и повторному контролю.
7 Требования безопасности и охраны окружающей среды
7.1 При проведении неразрушающего контроля сварных соединений следует минимизировать воздействие на человека и окружающую среду следующих опасных и вредных производственных факторов: поражение электрическим током, воздействие паров растворителей, воздействие высокого уровня шума, воздействие ультрафиолетового излучения на глаза оператора.
7.2 Работы по проведению контроля необходимо выполнять в соответствии с инструкциями по безопасности и охране труда, действующими на заводе-изготовителе, и руководством по эксплуатации технологического оборудования.
7.3 Перед включением электрооборудования необходимо убедиться в наличии заземления.
7.4 Для защиты от воздействия высокого уровня шума необходимо использовать индивидуальные средства защиты органов слуха.
7.5 Все работы с применением растворителей, проникающих жидкостей следует выполнять на рабочих местах, имеющих приточно-вытяжную вентиляцию, при этом работник должен находиться в потоке поступающего воздуха.
7.6 Для защиты глаз от ультрафиолетовых лучей при осмотре сварных соединений и в процессе капиллярного контроля люминесцентным методом необходимо использовать защитные очки.
Приложение А
(рекомендуемое)
Форма акта контроля сварных соединений сосуда
Акт контроля сварных соединений сосуда |
№_____от___________ |
Изготовитель: | ||||
Место проведения: | ||||
Объект контроля, материалы: | ||||
Технологическая позиция: | ||||
Методы контроля: | ||||
Используемое оборудование и средства контроля: | ||||
Дата начала: | Дата окончания: | |||
Результаты контроля сварных соединений сосуда
Место контроля (наименование процесса сварки, обозначение изделия, детали или сборочной единицы, сварного шва) | Первичный или повторный контроль | Результаты контроля | Предъявляемые требования | Заключение о соответствии предъявляемым требованиям |
Приложение - Карта контроля сварных соединений сосуда со схемой расположения сварных соединений сосуда.
Лицо, проводившее контроль | ||||
(Должность) | (Подпись) | (Фамилия и инициалы) | ||
Руководитель | ||||
(Должность) | (Подпись) | (Фамилия и инициалы) |
Приложение Б
(рекомендуемое)
Форма карты контроля сварных соединений сосуда
Карта контроля сварных соединений сосуда |
№_____от___________ |
Изготовитель: | |
Место проведения: | |
Объект контроля, материалы: | |
Технологическая позиция: |
Схема расположения сварных соединений сосуда
Метод контроля | Номер сварного соединения сосуда | ||||||||||
Примечание - Знак "+" ставят, если сварное соединение подвергнуто контролю указанным методом, знак "-" ставят, если не подвергнуто. | |||||||||||
Лицо, проводившее контроль | ||||
(Должность) | (Подпись) | (Фамилия и инициалы) | ||
Руководитель | ||||
(Должность) | (Подпись) | (Фамилия и инициалы) |
УДК 621.791:006.354 | ОКС 71.120.01 25.160.40 |
Ключевые слова: недоступные сварные соединения, неразрушающий контроль, сосуды, аппараты, сварка, контроль качества | |
