ГОСТ 32484.6-2013
(EN 14399-6:2005)*
________________
* Поправка (ИУС N 2-2015)
Группа Г36
МЕЖГОСУДАРСТВЕННЫЙ СТАНДАРТ
БОЛТОКОМПЛЕКТЫ ВЫСОКОПРОЧНЫЕ ДЛЯ ПРЕДВАРИТЕЛЬНОГО НАТЯЖЕНИЯ КОНСТРУКЦИОННЫЕ
Плоские шайбы с фаской
High-strength structural bolting assemblies for preloading. Plain chamfered washers
МКС 21.060.30*
ОКП 16 8000
________________
* Поправка (ИУС N 2-2015)
Дата введения 2015-07-01*
________________
* Поправка (ИУС N 2-2015)
Предисловие
Цели, основные принципы и основной порядок проведения работ по межгосударственной стандартизации установлены ГОСТ 1.0-92 "Межгосударственная система стандартизации. Основные положения" и ГОСТ 1.2-2009 "Межгосударственная система стандартизации. Стандарты межгосударственные, правила и рекомендации по межгосударственной стандартизации. Порядок разработки, принятия, применения, обновления и отмены"
Сведения о стандарте
1 ПОДГОТОВЛЕН Обществом с ограниченной ответственностью "Научно-производственный центр мостов" (ООО "НПЦ мостов")
2 ВНЕСЕН Техническим комитетом по стандартизации ТК 229 "Крепежные изделия"
3 ПРИНЯТ Межгосударственным советом по стандартизации, метрологии и сертификации (протокол N 44-2013 от 14 ноября 2013 г.)
За принятие проголосовали:
Краткое наименование страны по МК (ИСО 3166) 004-97 | Код страны по МК (ИСО 3166) 004-97 | Сокращенное наименование национального органа по стандартизации |
Армения | AM | Минэкономики Республики Армения |
Киргизия | KG | Кыргызстандарт |
Россия | RU | Росстандарт |
Таджикистан | TJ | Таджикстандарт |
Украина | UA | Минэкономразвития Украины |
4 Приказом Федерального агентства по техническому регулированию и метрологии от 7 апреля 2014 г. N 319-ст межгосударственный стандарт ГОСТ 32484.6-2013 (EN 14399-6:2005) введен в действие в качестве национального стандарта Российской Федерации с 1 июля 2015 г.
5 Настоящий стандарт модифицирован по отношению к европейскому стандарту EN 14399-6:2005* High-strength structural bolting assemblies for preloading. Part 6: Plain chamfered washers (Болтокомплекты высокопрочные для предварительного натяжения конструкционные - Часть 6: Шайбы плоские с фаской) путем внесения технических отклонений, объяснение которых приведено во введении к настоящему стандарту.
________________
* Доступ к международным и зарубежным документам, упомянутым в тексте, можно получить, обратившись в Службу поддержки пользователей. - .
Европейский стандарт EN 14399-6:2005 разработан Техническим комитетом CEN/TC 185 "Резьбовые и нерезьбовые механические соединительные детали и вспомогательное оборудование".
Перевод с английского языка (en).
Степень соответствия - модифицированная (MOD).
6 ВВЕДЕН ВПЕРВЫЕ
Информация об изменениях к настоящему стандарту публикуется в ежегодном информационном указателе "Национальные стандарты", а текст изменений и поправок - в ежемесячном информационном указателе "Национальные стандарты". В случае пересмотра (замены) или отмены настоящего стандарта соответствующее уведомление будет опубликовано в ежемесячном информационном указателе "Национальные стандарты". Соответствующая информация, уведомление и тексты размещаются также в информационной системе общего пользования - на официальном сайте Федерального агентства по техническому регулированию и метрологии в сети Интернет.
ВНЕСЕНА поправка*, опубликованная в ИУС N 2, 2015 год
________________
* См. ярлык "Примечания".
Поправка внесена изготовителем базы данных
Введение
Настоящий стандарт распространяется на два технических решения комплектов конструкционных болтов, гаек и шайб (болтокомплектов). Эти решения использованы в различных системах (HR и HV) болтокомплектов (см. таблицу 1). Обе системы апробированы, и выбор той или иной системы для применения осуществляет потребитель.
Таблица 1 - Комплект болт/гайка/шайба
Болтокомплекты | Болтокомплекты | ||
Общие требования | ГОСТ 32484.1 | ||
Комплект болт/гайка | ГОСТ 32484.3 | ГОСТ 32484.4 | |
Маркировка | HR | HV | |
Класс прочности | 8.8/8 | 10.9/10 | 10.9/10 |
Шайба | ГОСТ 32484.5 или ГОСТ 32484.6 | ГОСТ 32484.5 или ГОСТ 32484.6 | |
Маркировка | H | H | |
Стандарт на предварительное натяжение | ГОСТ 32484.2 | ||
Однако для рабочих характеристик болтокомплекта важно, чтобы не происходило смешивание болтов и гаек из разных систем. Поэтому, болты и гайки для обеих систем стандартизированы в разных частях одного стандарта и имеют каждый свою маркировку.
Болтокомплекты для предварительного натяжения очень чувствительны к качеству изготовления и применяемой смазке. Поэтому важно, чтобы болтокомплекты были изготовлены одним изготовителем, который является ответственным за собираемость болтокомплекта.
По этой же причине важно, чтобы покрытие болтокомплекта производилось одним изготовителем.
Помимо механических свойств болтокомплекта необходимо обеспечить технологические свойства, чтобы при использовании соответствующей технологии затяжки достигалось усилие предварительного натяжения.
Для этого разработан метод оценки пригодности болтов, гаек и шайб для натяжения, который показывает, обеспечено ли данное технологическое свойство болтокомплекта.
В настоящий стандарт включены следующие дополнительные по отношению к требованиям международного стандарта EN 14399-6:2005 требования, отражающие потребности национальных экономик стран-участников ЕАСС и особенности изложения межгосударственных стандартов (в соответствии с ГОСТ 1.5-2001), а именно приведены нормативные ссылки на межгосударственные стандарты, добавлены виды покрытий со ссылками на соответствующие стандарты.
Указанные изменения включены в разделы 2, 4 настоящего стандарта, при этом модифицированные разделы выделены вертикальной полужирной линией, расположенной слева от измененного текста, а замененный текст приведен в приложении ДА.
1 Область применения
Настоящий стандарт совместно с ГОСТ 32484.1 устанавливает требования на закаленные и отпущенные плоские шайбы с фаской для соединений высокопрочных болтов и гаек с предварительным натяжением с увеличенным размером под ключ, с резьбой от М12 до М36 включительно.
2 Нормативные ссылки В настоящем стандарте использованы ссылки на следующие нормативные документы: ГОСТ 9.307-89 Единая система защиты от коррозии и старения. Покрытие горячее цинковое. Общие требования и методы контроля. ГОСТ 32484.1-2013 (EN 14399-1:2005) Болтокомплекты высокопрочные для предварительного натяжения конструкционные. Общие требования. ISO 3269:2000 |
________________
Действует до введения ГОСТ, разработанного на основе ISO 3269:2000. Перевод стандарта имеется в Федеральном агентстве по техническому регулированию и метрологии. На территории России действует ГОСТ Р ИСО 3269-2009 (ISO 3269:2000, IDT)
ISO 4759-3:2000 |
________________
Действует до введения ГОСТ, разработанного на основе ISO 4759-3:2000. Перевод стандарта имеется в Федеральном агентстве по техническому регулированию и метрологии. На территории России действует ГОСТ Р ИСО 4759-3-2009 (ISO 4759-3:2000, IDT)
ISO 10683:2001 |
________________
Соответствующий межгосударственный стандарт отсутствует. На территории России действует ГОСТ Р ИСО 10683-2013 (ISO 10683:2000, IDT)
Примечание - При пользовании настоящим стандартом целесообразно проверить действие ссылочных стандартов в информационной системе общего пользования - на официальном сайте Федерального агентства по техническому регулированию и метрологии в сети Интернет или по ежегодному информационному указателю "Национальные стандарты", который опубликован по состоянию на 1 января текущего года, и по выпускам ежемесячного информационного указателя "Национальные стандарты" за текущий год. Если ссылочный документ заменен (изменен), то при пользовании настоящим стандартом следует руководствоваться заменяющим (измененным) стандартом. Если ссылочный стандарт отменен без замены, то положение, в котором дана ссылка на него, применяется в части, не затрагивающей эту ссылку. |
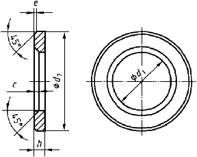
3 Размеры
Размеры шайб должны соответствовать указанным на рисунке 1 и в таблице 2.

Рисунок 1
Таблица 2 - Размеры шайб
Номинальный размер | 12 | (14) | 16 | (18) | 20 | 22 | 24 | 27 | 30 | 36 | |
не менее | 13 | 15 | 17 | 19 | 21 | 23 | 25 | 28 | 31 | 37 | |
не более | 13,27 | 15,27 | 17,27 | 19,33 | 21,33 | 23,33 | 25,33 | 28,52 | 31,62 | 37,62 | |
не менее | 23,48 | 27,48 | 29,48 | 33,38 | 36,38 | 38,38 | 43,38 | 49 | 54,80 | 64,80 | |
не более | 24 | 28 | 30 | 34 | 37 | 39 | 44 | 50 | 56 | 66 | |
номин. | 3 | 3 | 4 | 4 | 4 | 4 | 4 | 5 | 5 | 6 | |
не менее | 2,7 | 2,7 | 3,7 | 3,7 | 3,7 | 3,7 | 3,7 | 4,4 | 4,4 | 5,4 | |
не более | 3,3 | 3,3 | 4,3 | 4,3 | 4,3 | 4,3 | 4,3 | 5,6 | 5,6 | 6,6 | |
номин. = не менее | 0,5 | 0,5 | 0,75 | 0,75 | 0,75 | 0,75 | 0,75 | 1 | 1 | 1,25 | |
не более | 1,0 | 1,0 | 1,50 | 1,50 | 1,50 | 1,50 | 1,50 | 2 | 2 | 2,50 | |
не менее | 1,6 | 1,6 | 1,8 | 2 | 2,0 | 2,0 | 2,0 | 2,5 | 2,5 | 2,5 | |
не более | 1,9 | 1,9 | 1,9 | 2,5 | 2,5 | 2,5 | 2,5 | 3,0 | 3,0 | 3,0 | |
Примечание - При нанесении на шайбы покрытия горячим цинкованием, размеры шайб действительны до нанесения покрытия. | |||||||||||
4 Требования к шайбам и ссылочные стандарты
Таблица 3 - Технические требования
Материал | Сталь | ||
Общие требования | ГОСТ 32484.1 | ||
Механические свойства | Твердость | от 31,0 HRC до 38,5 HRC | |
Допуски | Класс точности | А | |
Международный стандарт | ISO 4759-3 | ||
Покрытие | Нормальное | Тонкая оксидная пленка | |
Горячее цинкование | ГОСТ 9.307 | ||
Термодиффузионное | EN 13811 | ||
Ламельное | ISO 10683 | ||
Другое | По согласованию | ||
Дефекты поверхности | Края не должны быть деформированы и иметь дефекты. На поверхности не должно быть заусенцев и задиров | ||
Приемка | Приемочный контроль по ISO 3269, ISO 2859-1 | ||
| |||
5 Обозначение
Пример - Закаленная и отпущенная плоская шайба с фаской номинальным диаметром =16 мм для высокопрочных болтовых комплектов для предварительного натяжения:
Шайба ГОСТ 32484.6-16
6 Маркировка
Закаленная и отпущенная плоская шайба с фаской должна маркироваться идентификационным знаком изготовителя болтокомплекта и буквой Н. Маркировка должна быть вдавлена на одной из сторон шайбы. Схема маркировки приведена на рисунке 2.

1 - идентификационный знак изготовителя
Рисунок 2
Приложение ДА
(справочное)
Разделы международного стандарта EN 14399-6:2005, которые применены в настоящем стандарте с модификацией их содержания для учета особенностей межгосударственной стандартизации
Введение
Этот документ о конструкционных болтах отражает ситуацию в Европе, где существуют два вида технического решения для достижения необходимой гибкости при выборе комплекта из болта, гайки и шайб. Эти решения используют различные системы (HR и HV) комплектов болта, гайки и шайбы, показанные в таблице 1. Обе системы апробированы и специалисты в области болтовых соединений могут использовать одну или другую систему.
Таблица 1 - Система комплекта болт/гайка/шайба
Болтокомплект | Болтокомплект | ||
Общие требования | EN 14399-1 | ||
Узел: болт/гайка | EN 14399-3 | EN 14399-4 | |
Маркировка | HR | HV | |
Класс прочности | 8.8/8 | 10.9/10 | 10.9/10 |
Шайба | EN 14399-5 или EN 14399-6 | EN 14399-5 или EN 14399-6 | |
Маркировка | H | H | |
Стандарт на предварительное натяжение | EN 14399-2 | ||
Однако важно при сборке избежать смешивания компонентов из разных систем. Поэтому, болты и гайки обеих систем стандартизированы каждая в отдельной части Европейского стандарта и маркировка компонентов одной и той же системы одинакова.
Высокопрочные болты для предварительного натяжения очень чувствительны к различиям при изготовлении и смазке. Поэтому важно, чтобы комплект был произведен одним изготовителем, который всегда несет ответственность за технологические характеристики комплекта.
По этим же соображениям важно, чтобы нанесение защитного покрытия на комплект производилось у производителя.
Помимо механических свойств компонентов комплекта, функциональное назначение комплекта требует, чтобы было достигнуто точно установленное усилие предварительного натяжения при затяжке комплекта в соответствии с технологией. С этой целью создан метод испытания на пригодность компонентов болтокомплекта, который показывает, выполняется ли функция собираемости комплекта.
Следует обратить внимание, что в соответствии с ISO 272 размер под ключ у болтов М12 и М22 изменен на 22 мм и 32 мм соответственно. Эти замены оправданы по следующим причинам:
В соответствии с конкретными условиями работы конструкционных болтов, сжимающие напряжения под головкой болта или под гайкой М12 при размере под ключ 21 мм могут стать слишком большими, особенно если шайба будет расположена с эксцентриситетом относительно оси болта.
Для болтов М20 размер под ключ 34 очень труден для производства и его замена на размер 32 определен, прежде всего, экономическими соображениями. Также должно быть указано, что применение размера под ключ 32 мм уже является общей практикой в Европе.
В настоящее время стандарты EN 14399-3 по EN 14399-6 единственные Европейские стандарты, которые имеют отношение к общим требованиям EN 14399-1. Однако в стадии подготовки находятся стандарты на:
- призонные болты
- болты с потайной головкой
- болты с шайбами, контролирующими предельное натяжение болта, для использования в качестве высокопрочных конструкционных болтов для предварительного натяжения.
(Введение MOD Введение)
2 Нормативные ссылки
В документе использованы ссылки на следующие стандарты. При ссылке на стандарты с указанием года его принятия используют только указанное издание. При ссылке на стандарт без указания года его принятия используют последнее издание этого документа (со всеми поправками).
EN 14399-1 | Высокопрочные болтовые комплекты с контролируемым натяжением. Часть 1: Общие требования. |
EN ISO 3269 | Изделия крепежные. Приемочный контроль (ISO 3269:2000). |
EN ISO 4759 | Изделия крепежные. Допуски. Часть 3. Плоские круглые шайбы для болтов, винтов и гаек. Классы точности А и С (ISO 4759-3:2000). |
EN ISO 10684 | Изделия крепежные. Покрытия, нанесенные методом горячего цинкования (ISO 10684:2004). |
(п.2 MOD п.2)
4 Требования к шайбам и ссылочные стандарты
Таблица 3 - Технические требования
Материал | Сталь | |
Общие требования | EN 14399-1 | |
Механические свойства | Значения твердости | 300 HV до 370 HV |
Допуски | Класс точности | А |
Международный стандарт | EN ISO 4759-3 | |
Покрытие | Нормальное | Как изготовлено |
Покрытие горячим окунанием | EN ISO 10684 | |
Другое | По согласованию | |
Качество изготовления | Края должны быть без деформации и дефектов. На поверхности не должно быть заусенцев и выступов. | |
Приемка | Приемочный контроль по EN ISO 3269. | |
| ||
(п.4 MOD п.4)
__________________________________________________________________________________
УДК 621.882.6:006.354 МКС 21.060.30 Г36 ОКП 16 8000
Ключевые слова: шайбы, шайбы к высокопрочным болтам, шайбы для металлических конструкций, конструкция и размеры, технические требования, обозначения, маркировка
__________________________________________________________________________________
Электронный текст документа
и сверен по:
, 2014
Редакция документа с учетом
изменений и дополнений подготовлена