ГОСТ 30163.0-95 (МЭК 704-1-82)
МЕЖГОСУДАРСТВЕННЫЙ СТАНДАРТ
БЫТОВЫЕ И АНАЛОГИЧНЫЕ ЭЛЕКТРИЧЕСКИЕ ПРИБОРЫ
Методы определения распространяющегося в воздухе шума.
Часть 1
Общие требования
Издание официальное
БЗ 5-99
МЕЖГОСУДАРСТВЕННЫЙ СОВЕТ
ПО СТАНДАРТИЗАЦИИ, МЕТРОЛОГИИ И СЕРТИФИКАЦИИ
Минск
Предисловие
1 РАЗРАБОТАН Техническим комитетом Украины «Стандартизация электробытовых машин и приборов» (ТК 13; МТК 19)
ВНЕСЕН Государственным комитетом Украины по стандартизации, метрологии и сертификации
2 ПРИНЯТ Межгосударственным Советом по стандартизации, метрологии и сертификации (протокол № 7 МГС от 26 апреля 1995 г.)
Наименование государства
Наименование национального органа по стандартизации
Азербайджанская Республика Республика Армения Республика Беларусь Республика Казахстан Киргизская Республика Республика Таджикистан Российская Федерация Туркменистан
Республика Узбекистан Украина
Азгосстандарт
Армгосстандарт
Госстандарт Беларуси
Госстандарт Республики Казахстан
Киргизстандарт
Таджи кгосстанда рт
Госстандарт России
Главная государственная инспекция Туркменистана Узгосстандарт
Госстандарт Украины
3 Настоящий стандарт представляет собой полный аутентичный текст международного стандарта МЭК 704-1—82 «Свод правил по определению распространяющегося в воздухе шума, издаваемого бытовыми и аналогичными электроприборами. Часть 1. Общие требования»
4 Постановлением Государственного комитета Российской Федерации по стандартизации и метрологии от 30 марта 1999 г. № 99 межгосударственный стандарт ГОСТ 30163.0—95 (МЭК 704-1—82) введен в действие непосредственно в качестве государственного стандарта Российской Федерации с 1 января 2000 г.
5 ВВЕДЕН ВПЕРВЫЕ
© ИПК Издательство стандартов, 1999
Настоящий стандарт не может быть полностью или частично воспроизведен, тиражирован и распространен в качестве официального издания на территории Российской Федерации без разрешения Госстандарта России
Введение
Настоящий стандарт состоит из двух частей:
Часть 1. Общие правила, содержащие статьи общего характера.
Часть 2. Дополнительные правила, содержащие разделы, каждый из которых рассматривает один особый вид приборов.
Статьи этих частных правил являются дополнениями или модификациями соответствующих статей части 1. Если в тексте части 2 указано «дополнение» или «замена» соответствующих правил, испытаний или примечаний первой части, то эти изменения вводят в соответствующие места части 1, они являются частями свода правил по испытанию. Если не требуется никакого изменения, то в части 2 применяют слова «Используются статьи части 1».
Часть 1. Общие правила применяют, если имеется раздел части 2, охватывающий особый тип приборов, однако часть 1 может быть использована и для приборов, не указанных в разделе второй части, и для приборов, созданных по новым принципам.
Уровень шума, издаваемого бытовыми приборами, не опасен для человеческого уха, однако для его определения необходимы стандартизованные методы. Они должны быть установлены не только для приборов специального назначения, но и для приборов обычно используемых.
Эти методы необходимо использовать изготовителям приборов, испытательным лабораториям, ассортиментным организациям и союзам потребителей. Определение уровней шума является частью проверки свойств и характеристик прибора. Важно, чтобы требования, предъявляемые к условиям измерения шума (окружающая среда, приборы, трудоемкость), были легко выполнимы.
В большинстве случаев результат измерения используют при сравнении уровня шума, издаваемого прибором, с уровнем шума, издаваемым другими приборами этого же вида. Иногда результат измерения используют при создании нового комплектующего или при выборе звукоизоляции. Во всех случаях нужна определенная точность испытаний, чтобы различные лаборатории могли получать сопоставимые результаты.
Эти требования учтены при разработке настоящего стандарта.
Методы измерений соответствуют ГОСТ 12.1.026 и ГОСТ 12.1.027.
Методы, изложенные в настоящем стандарте, позволяют использовать заглушенные (или точнее, полузаглушенные) камеры и специальные реверберационные помещения. Результатом измерения является уровень звуковой мощности прибора. В пределах недостоверности измерения, которая характеризует эти методы, результаты измерения в условиях свободного звукового поля над отражающей поверхностью равны результатам измерения в специальном реверберационном помещении.
Методы настоящего стандарта распространяются лишь на шум, передаваемый по воздуху. В отдельных случаях более важным является, например, шум, передаваемый в соседнее помещение через конструкцию здания.
Содержание
1 Область распространения и цель
2 Ссылки
3 Термины и определения
4 Методы измерения и акустические характеристики окружающей среды
5 Измерительное оборудование
6 Функционирование и расположение испытываемых приборов
7 Измерение уровней звука
8 Расчет уровней звукового давления и звуковой мощности
9 Информация, которую следует записать
10 Информация, которую следует отразить в отчете
Приложение А Руководство по проектированию простых испытательных помещений, обеспечивающих условия свободного звукового поля
к ГОСТ 30163.0—95 Бытовые н аналогичные электрические приборы. Методы определения распространяющегося в воздухе шума. Часть 1. Общие требования
В каком месте | Напечатано | Должно быть |
Раздел 2 | ГОСТ 12,1.026—80* ГОСТ 12.1.027—80** * На территории Российской Федерации действует ГОСТ Р 51401-99. *♦ На территории Российской Федерации действует ГОСТ Р 51400—99. |
(МУС № 9 2002 г.)
ГОСТ 30163.0-95
(МЭК 704-1-82)
МЕЖГОСУДАРСТВЕННЫЙ СТАНДАРТ
БЫТОВЫЕ И АНАЛОГИЧНЫЕ ЭЛЕКТРИЧЕСКИЕ ПРИБОРЫ
Методы определения распространяющегося в воздухе шума. Часть 1 Общие требования
Household and similar electrical appliances. Test code for determination of aitbome noise. Part 1. General requirements
Дата введения 2000—01—01
1 Область распространения и цель
1.1 Область распространения
Настоящий стандарт распространяется на электрические машины и электроприборы (включая их вспомогательные устройства и принадлежности) бытового и аналогичного назначения (далее — приборы), питаемые от сети или батарей.
Под «аналогичными» подразумевают использование приборов в условиях, подобных бытовым, например, в кафе, гостиницах, прачечных, парикмахерских и т. п., если иное не оговорено в части 2.
Стандарт не распространяется на:
- приборы, оборудование и машины, предназначенные для промышленных и профессиональных целей;
- приборы, являющиеся составной частью здания или его установок, как, например, устройств для кондиционирования воздуха, нагрева и вентиляции (кроме бытовых вентиляторов, надплитных вытяжек, питающих и сливных водяных насосов);
- отдельные двигатели и генераторы;
- приборы, предназначенные для использования вне зданий.
1.2 Цель
Настоящий стандарт устанавливает технические методы (технический метод 2 в соответствии с ГОСТ 12.1.026) определения уровней звуковой мощности £^, выражаемых в децибелах (дБ), относительно звуковой мощности в 1 пВт распространяющегося в воздухе шума в диапазоне частот, включающем октавные полосы от 125 до 8000 Гц (этот диапазон уже, чем диапазон слышимого звука), но он определяет условия функционирования приборов при проведении измерений.
Используют следующие уровни звуковой мощности:
- корректированный по характеристике А прибора уровень звуковой мощности
- уровень звуковой мощности в октавных полосах 1#^
Эти методы используют для приборов, функционирующих в отсутствие оператора. Если функционирование прибора или создание нагрузки возможно только в присутствии оператора, то методы уточняются в части 2.
Издание официальное
Примечания
1 Погрешность измерений корректированного уровня звуковой мощности, выполненных в соответствии с настоящим стандартом, не превышает 2 дБ при условии, что спектр шума не содержит резко выраженных дискретных частот (в этом же случае погрешность будет больше). Указанная величина включает в себя различные составляющие, определяющие погрешность, за исключением колебаний уровня звука прибора от испытания к испытанию.
2 Шумовые характеристики, определяемые в условиях настоящего стандарта, не всегда соответствуют шуму, создаваемому в эксплуатационных условиях (6.4.1).
3 При контроле качества изготовления и т. п. допускается использовать упрощенные методы. Для контроля шума (например, при создании более тихих приборов, звукоизоляционного оборудования и т. п.) допускается использовать другие методы, например обычно используемый узкочастотный анализ. Эти методы не рассматриваются в настоящем стандарте.
В настоящий стандарт не введены точные методы определения уровней звуковой мощности, устанавливаемые ГОСТ 12.1.024, ГОСТ 12.1.025. Эти методы допускается использовать при наличии соответствующего измерительного оборудования и необходимой испытательной среды.
2 Ссылки
В настоящем стандарте использованы ссылки на следующие стандарты:
ГОСТ 12.1.024—81 Система стандартов безопасности труда. Шум. Определение шумовых характеристик источников шума в заглушенной камере. Точный метод
ГОСТ 12.1.025—81 Система стандартов безопасности труда. Шум. Определение шумовых характеристик источников шума в реверберационной камере. Точный метод
ГОСТ 12.1.026—80 Система стандартов безопасности труда. Шум. Определение шумовых характеристик источников шума в свободном звуковом поле над звукоотражающей плоскостью. Технический метод
ГОСТ 12.1.027—80 Система стандартов безопасности труда. Шум. Определение шумовых характеристик источников шума в реверберационном помещении. Технический метод
ГОСТ 17187—81 Шумомеры. Общие технические требования и методы испытаний
3 Термины и определения
3.1 Термины, относящиеся к определению значений уровней звуковой мощности, — по ГОСТ 12.1.026 и ГОСТ 12.1.027.
3.2 прямой метод: Метод, в котором уровень звуковой мощности рассчитывается по уровням звукового давления, производимым испытываемым источником, измеренным:
- в условиях свободного поля (уровни звукового давления усредняют во времени и по измерительной поверхности; уровень звуковой мощности рассчитывают на основе площади поверхности измерения);
- в условиях реверберационного поля (уровни звуковою давления усредняют в пространстве и во времени; уровень звуковой мощности рассчитывают на основе объема и времени реверберации или общего поглощения испытательного помещения).
3.3 метод сравнения: Метод, в котором уровень звуковой мощности определяется сравнением уровней звукового давления, производимых испытываемым прибором, с уровнями звукового давления, производимыми эталонным источником звука (ЭИЗ) при тех же условиях окружающей среды и испытанным, насколько это возможно, в том же месте и таком же положении.
3.4 период наблюдения: Период времени, в течение которого фиксируются акустические данные. Период наблюдения зависит от того, какие характеристики шума необходимо получить, с какой точностью, какие применены измерительные приборы.
3.5 период: Время, в течение которого испытываемый прибор полностью выполняет определенную операцию, например, для посудомоечной машины — мытье, полоскание, сушка.
3.6 рабочий цикл: Набор последовательных периодов прибора при нормальной эксплуатации.
3.7 временная диаграмма: Непрерывная фиксация но времени уровня звукового давления (для данного положения микрофона) в течение одного или более рабочих циклов.
3.8 оператор (испытатель): Лицо, необходимое для обеспечения функционирования или для нагружения испытываемого источника (прибора), одежда которого не должна влиять на результаты измерения звука.
Примечание — При необходимости, дополнительные уточнения приводят в части 2.
3.9 центрированное расположение источника: Термин, используемый для описания размещения испытываемого источника (прибора) в испытательной среде с указанием координат размещения микрофона.
Центрированное расположение обозначает, что центр прибора должен совпадать с центром параллелепипеда, описанного вокруг основной части ручных, подвесных или приборов, устанавливаемых на подставке. Центрированное расположение обозначает, что центр прибора совпадает с центром прямоугольника, описанного вокруг проекции основной части прибора на пол для приборов, устанавливаемых на полу, или на стене для приборов, монтируемых на стене.
4 Методы измерения и акустические характеристики окружающей среды
4.1 Общая информация
Звуковой мощностью (Вт) источника шума является общая энергия звука, излучаемая источником в секунду. Звуковую мощность источника выражают в уровнях звуковой мощности, определяемых десятью десятичными логарифмами отношения звуковой мощности источника к эталонной звуковой мощности 1 пВт (10-12 Вт). Единицей измерения является децибел (дБ).
В качестве шумовой характеристики бытовых и подобных приборов уровень звуковой мощности выбран по следующим причинам:
- в большинстве случаев он адекватно определяет шум, излучаемый прибором, и может быть с достаточной точностью определен на основе относительно простых акустических измерений при изменяющихся в определенных пределах акустических условиях.
Настоящий стандарт устанавливает два основных метода — прямой метод и метод сравнения (4.2, 4.3), причем может быть использован любой из них.
Для каждого из методов могут быть использованы оба вида помещений (4.4). При необходимости, в части 2 может быть исключена одна или несколько из четырех предлагаемых комбинаций.
4.2 Прямой метод
Прямой метод может быть применен только для измерений при определенных условиях окружающей среды по ГОСТ 12.1.026 в условиях свободного звукового поля над звукоотражающей плоскостью и по ГОСТ 12.1.027 в реверберационных помещениях.
Уровень звуковой мощности этим методом определяется:
- в условиях свободного звукового поля по усредненным во времени уровням звукового давления, измеренным на измерительной поверхности, с учетом площади поверхности измерения;
- в условиях реверберационного звукового поля на основании размеров пространства усредненными во времени уровнями звукового давления и эквивалентного поглощения звука в испытательном помещении (или на основании времени реверберации и объема испытательной камеры).
Результаты испытания представляют собой скорректированные по A-характеристике уровни звуковой мощности (или уровни звуковой мощности в октавных полосах, если требуется). Эго подсчитывается непосредственно на основании измеренных уровней звукового давления.
4.3 Метод сравнения
Метод сравнения для измерения в специальной реверберационной испытательной камере приведен в ГОСТ 12.1.027. Термин «Метод сравнения» в ГОСТ 12.1.026 не применяется в отношении измерений в условиях свободного звукового поля, но, по сути, процедура «испытания абсолютным сравнением» с использованием ЭИЗ для определения влияния окружающей среды, описанная по ГОСТ 12.1.026, и является методом сравнения.
Методом сравнения уровень звуковой мощности (корректированный по характеристике Айв октавных полосах, если необходимо) определяют сравнением среднеквадратичных уровней звукового давления, производимых испытываемым прибором, со среднеквадратичными уровнями звукового давления, производимыми в тех же акустических условиях стабильным тщательно откалиброванным эталонным источником звука (ЭИЗ) с известной звуковой мощностью, соответствующим ГОСТ 12.1.025.
Примечание — ЭИЗ должен быть изготовлен и проверен в специальных лабораториях и аттестован. Метод сравнения рекомендуется использовать при оценке систематической погрешности результатов, полученных в различных условиях окружающей среды.
4.4 Акустические среды
4.4.1 Условия свободного звукового поля над отражающей плоскостью
Общие требования — по ГОСТ 12.1.026.
Если прямой метод или метод сравнения используют для определения корректированного по характеристике А уровня звуковой мощности непосредственно на основании полученных, корректированных по характеристике А уровней звукового давления, то условия проведения испытаний должны соответствовать ГОСТ 12.1.026.
Указания по проектированию простых испытательных камер, соответствующих условиям свободного пространства, приведены в приложении А.
4.4.2 Специальные реверберационные камеры
Требования — по ГОСТ 12.1.027.
Указания по проектированию камер — по ГОСТ 12.1.027.
5 Измерительное оборудование
5.1 Оборудование для измерения акустических данных
Требования — по ГОСТ 12.1.026 и ГОСТ 12.1.027.
Используемый шумомер должен соответствовать требованиям ГОСТ 17187, предъявляемым к приборам класса 1, и применяться с корректорами частоты А и времени S.
Примечания
1 При измерении в условиях свободного звукового поля микрофон (ы) должен (ы) быть ориентирован (ы) по отношению к источнику звука в направлении, указанном в документе организации, проводившей калибровку (это направление определяется углом, образованным направлением распространения звуковых волн и продольной осью микрофона).
2 При измерении в условиях реверберации используют микрофон (ы), изготовленный (е) и откалиброванный (е) по направленному излучателю.
3 Если на микрофон (ы) оказывает влияние (в частности, при низких частотах) поток воздуха (со скоростью более 2 м/с), выходящий из испытываемого прибора (тепловентилятор и т. п.), то следует использовать соответствующие защитные экраны; при этом в наблюдаемые уровни звукового давления следует вносить корректировки, учитывающие изменение чувствительности микрофона.
ЭИЗ должен быть откалиброван и иметь характеристики по ГОСТ 12.1.025.
5.2 Средства измерения климатических условий
5.2.1 Температуру измеряют приборами, имеющими погрешность не более ± 1 *С.
5.2.2 Относительную влажность измеряют приборами, имеющими погрешность не более 2 %.
5.3 Средства измерения условий функционирования
5.3.1 Напряжение на вилке питающего шнура или кабеля прибора измеряют вольтметром класса точности 1, если допускаемое колебание напряжения питания составляет ± 2 %, и класса точности 0,5, если допускаемое колебание напряжения питания составляет ± 1 %.
5.3.2 Напряжение питания на зажимах аккумуляторов для приборов, питаемых от аккумуляторов, измеряют вольтметром класса точности 1.
5.3.3 Частоту вращения двигателей, насадок и др., при необходимости, измеряют индикатором скорости, имеющим погрешность не более 1 % общей шкалы.
6 Функционирование и расположение испытываемых приборов
6.1 Оснащение и предварительная подготовка приборов
6.1.1 Приборы должны быть укомплектованы всеми принадлежностями (приставками, насадками и др.) в соответствии с условиями поставки и (или) указаниями эксплуатационной документации.
6.1.2 Вспомогательное оборудование, в частности, электрические провода и кабели, воздухопроводы, патрубки для подачи и слива воды и др., необходимое для функционирования прибора, не должно излучать значительное количество акустической энергии в испытательную среду и изменять шум, издаваемый прибором.
6.1.3 Перед проведением измерений прибор, оснащенный для предназначенного применения, следует запустить вхолостую в соответствии с указаниями части 2, на время не менее 2 ч и при максимальной частоте вращения.
6.1.4 Непосредственно перед каждой серией измерений прибор, оснащенный для предназначенного применения, должен проработать вхолостую 10 мин при самой высокой частоте вращения для достижения установившегося состояния.
Примечание — Для приборов кратковременного или повторнократковременного режимов работы следует учитывать допустимое значение рабочего периода для исключения перегрева.
6.2 Энерго-, водо-, и газоснабжение
6.2.1 Приборы с двигателями должны питаться от сети с напряжением, допускаемое колебание значений которого составляет ± 2 % (кроме коллекторных двигателей, для которых допускаемые колебания ± 1 %), и, если необходимо, с номинальной частотой. Приборы, предназначенные только для постоянного тока, питаются постоянным током. Приборы, в маркировке которых не указана номинальная частота, питаются от сети с частотой 50 или 60 Гц, в зависимости от частоты, являющейся обычной для страны.
Приборы, предназначенные для работы в диапазоне напряжений, питаются напряжением, соответствующим середине диапазона, колебание значений которого должно соответствовать указанным выше, если разность между пределами диапазона не превышает 10 % среднего значения напряжения. Если эта разность превышает 10 %, то приборы питают напряжением, равным верхнему значению диапазона; колебания значений напряжения должны соответствовать указанным выше.
Напряжение питания измеряют на вилке — для несъемных шнуров (кабелей) или на приборном вводе — для съемных шнуров (кабелей).
Не допускается измерять напряжение питания на входе удлинителей.
6.2.2 Электромеханические приборы, питающиеся от аккумуляторов, запускают при полностью заряженных аккумуляторах, как указано изготовителем. Измерение шумовых характеристик прекращают, когда напряжение аккумулятора под нагрузкой падает до 0,9 значения напряжения нагруженного аккумулятора в начале испытаний — для свинцово-кислотных аккумуляторов и до 0,8 — для других.
Напряжение питания измеряют на зажимах аккумулятора.
6.2.3 Приборы с электрическими или газовыми нагревательными элементами могут запускаться без нагревательного элемента, если последний существенно не увеличивает шум, создаваемый прибором.
6.2.4 Водо- и газоснабжение должно осуществляться в соответствии с указаниями изготовителя. Давление и температура воды должны быть уточнены в части 2.
6.3 Климатические условия
Бытовые приборы (если нет других указаний для определенного вида) работают в следующих климатических условиях:
температура от 15 до 30 *С;
относительная влажность от 30 до 70 %; атмосферное давление от 860 до 1060 мбар.
6.4 Нагрузка и функционирование приборов
Если нет части 2, то для установления частного свода правил по испытаниям необходимо использовать следующие указания.
6.4.1 Условия нагружения и функционирования должны, по возможности, быть одинаковыми с условиями обычного применения и предпочтение следует отдавать простым способам, обеспечивающим удовлетворительную повторяемость и воспроизводимость. По возможности, следует избегать присутствия оператора. Оператор должен присутствовать только в случае, когда при его отсутствии прибор не может быть нагружен (например, периодическая загрузка пищевых продуктов).
Примечание — Однако опыт показывает, что те условия нагружения и функционирования, которые соответствуют нормальным эксплуатационным, непригодны для проведения испытаний в силу их плохой воспроизводимости.
6.4.2 Для оценки издаваемого шума нагружение и функционирование, если иное не указано в части 2, ограничивают единственным условием: для приборов, предназначенных для выполнения одной основной функции, и для многофункциональных приборов, оснащенных специальными приспособлениями (например, кухонные машины для смешивания, перемешивания, нарезания ломтиками и др.), выбирают самый длительный при практическом использовании режим.
Это не относится к приборам, длительная основная функция которых состоит из множества отдельных функций (например, автоматические стиральные машины, выполняющие стирку, отжим, сушку).
Холостой ход (работа без нагрузки) может быть выбран для определения шумовых характеристик в случае, когда он является типичным.
Для приборов с регулятором частоты вращения применяют регулировку, соответствующую максимальной частоте вращения.
6.4.3 Приборы с циклическим функционированием запускают в соответствии с циклами, измерения проводят в определенные периоды цикла при выполнении основной (ых) функции (ий), а для приборов с автоматическим программным устройством в протоколе указывают продолжительность рабочего цикла (ов) выполнения основной (ых) операции (ий).
Примечание — Рекомендуется использовать самопишущий прибор для записи А — характеристики уровня звукового давления в течение всего цикла (ов) (временная диаграмма) для одного из положений микрофона, предпочтительно с фронтальной стороны испытываемого прибора.
6.4.4 При испытаниях не допускается перегрев испытываемых приборов. Необходимо придерживаться номинальных значений времени функционирования и паузы в соответствии с указаниями эксплуатационных документов.
6.5 Размещение и установка приборов
6.5.1 Приборы, предназначенные для работы на рабочей плоскости, столе и полу, устанавливают в нормальном положении без использования упругих прокладок, кроме тех, которые вмонтированы в прибор:
- или на пол реверберационной камеры на расстоянии не менее 1 м между ближайшими стенами и любой частью прибора (включая выступающие части);
- или на отражающую плоскость в условиях свободного звукового поля с учетом установленной формы и размеров измерительной поверхности.
6.5.2 Приборы, которые держат в руках, включая вспомогательные устройства, если таковые имеются, упруго подвешивают или закрепляют в специальных приспособлениях на высоте около 25 см.
Основные приспособления устанавливают на промежуточную прокладку из упругого материала толщиной около 1 см так, чтобы шум, издаваемый прибором, не стал причиной постороннего шума приспособлений (рисунок 1), и помешают:
- или на пол реверберационной испытательной камеры на расстоянии не менее 1 м между ближайшими стенками камеры и любой поверхностью прибора или приспособления;
- или на отражающую плоскость в условиях свободного звукового поля с учетом установленной формы и размеров измерительной поверхности.
Необходимо обеспечить, чтобы средства подвешивания или закрепления не изменяли шум, издаваемый прибором, например, устраняя или усиливая некоторые типы вибрации корпуса прибора или перекрывая поверхности испускания шума, подачи воздуха и т. п.
6.5.3 Приборы, предназначенные для установки на полу, включая отсеки и панели встроенных приборов, и приборы, предназначенные для установки на пол у стены, устанавливают в нормальном положении, соблюдая расстояние (15 ± 5) см между задней стороной прибора и стеной или вертикальной плоскостью, следя за тем, чтобы не было непосредственного соприкасания выступающих частей со стеной или плоскостью, без упругих средств, кроме тех, которые встроены в прибор:
- или на пол реверберационной испытательной камеры с расстоянием (15 ± 5) см между задней частью прибора и стеной и при минимальном расстоянии 1,5 м между любой другой поверхностью прибора, отсека или задней панелью и ближайшим углом помещения;
- или на отражающую плоскость в условиях свободного звукового поля, соблюдая расстояние (15 ± 5) см между задней стороной прибора и второй вертикальной отражающей плоскостью, учитывая форму и размеры поверхности измерения.
6.5.4 Приборы, закрепленные на стене, включая их возможные дополнительные устройства, крепят или поддерживают с помощью соответствующего плотно зажимающего крепежного устройства без других упругих средств, кроме тех, которые встроены в прибор, причем нижний край должен находиться на высоте около 1,3 м над полом:
- или на стене реверберационной камеры с минимальным расстоянием 1 м между любой поверхностью прибора и ближайшим углом камеры;
- или на второй вертикальной отражающей плоскости в условиях свободного звукового поля, учитывая форму и размеры поверхности измерения.
6.5.5 Приборы, которые должны быть встроены, встраивают в соответствии с инструкциями изготовителя в соответствующие отсеки либо ограждают панелями и помещают при условиях, установленных для приборов, предназначенных для помещения на пол, у стены с коэффициентом поглощения менее 0,06.
6.5.6 Приборы, устанавливаемые на подставке, например, фены для сушки волос, устанавливают на подставке, поставляемой вместе с прибором или на подставке, изготовленной в соответствии с указаниями изготовителя, и располагают в соответствии с указаниями для приборов, предназначенных для установки на полу (6.5.1).


6.5.7 Приборы для обработки полов устанавливают на участок пола с покрытием, воспроизводящим их практическое применение, с минимально необходимыми размерами для размещения прибора и располагают в соответствии с 6.5.1. При необходимости, используя упругие средства, устраняют перемещение самого прибора. С помощью упругих средств рукоятки удерживают в нормальном положении.
Примечания
1 Следует устранять посторонние шумы, вызываемые возможными вибрациями участка покрытия пола.
2 Участок покрытия пола рассматривают как часть подлежащего испытанию прибора. Возможное влияние прибора на акустические характеристики среды испытания, например, на отражающую плоскость или на поглощение (время реверберации) реверберационных испытательных камер не принимают во внимание.
7 Измерение уровней звука
Для проведения простого сравнения приборов одного и того же вида, типа и размеров, например, для измерений, предназначенных для контроля за качеством в ходе производства, можно сократить число положений микрофона (по сравнению с указанным), например, до одного положения, рекомендуемого в каждом конкретном случае для определения временных диаграмм, частотных спектров и т. д.
7.1 Расположение микрофонов и поверхность измерения в условиях свободного поля над отражающей плоскостью
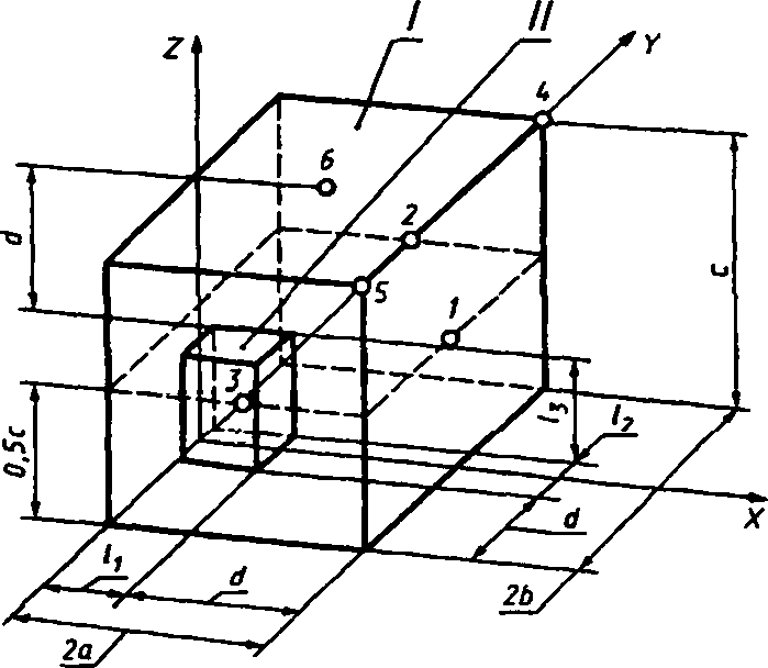
7.1.1 Для приборов, предназначенных для свободного размещения на полу, включая встроенные приборы больших размеров, поверхностью измерения является прямоугольный параллелепипед. Параллелепипед содержит девять положений микрофона (рисунок 2), центром которого является проекция геометрического центра, описанного вокруг прибора параллелепипеда на отражающую плоскость (пол). Система координат, описывающая положения микрофона, содержит оси X и Y, расположенные в горизонтальной отражающей плоскости, и ось Z, перпендикулярную к этой плоскости. Ось X расположена в продольной вертикальной плоскости параллелепипеда, причем передняя часть прибора ориентирована в направлении оси X.
Эта поверхность измерения может быть также использована для приборов, закрепленных на стене. В этом случае оси Хи Yпомещены в вертикальной отражающей плоскости, ось Xповернута вертикально вверх, а передняя часть прибора направлена по оси Z.
Координаты положений микрофона
Номер | X | У | Z |
1 | а | 0 | 0,5с |
2 | 0 | b | 0,5с |
3 | —о | 0 | 0,5с |
4 | 0 | —Ь | 0,5с |
5 | а | b | с |
6 | —а | Ъ | с |
7 | —а | —Ь | с |
8 | а | —Ь | с |
9 | 0 | 0 | с |

Площадь поверхности измерения
5=2 (2Ьс + 2ас + 2аЪ).
Примечание — Эта поверхность измерения может быть использована также для приборов, закрепляемых на стене. В этом случае оси X и Y расположены в плоскости отражающей вертикальной поверхности, причем ось Xповернута вертикально вверх.
/— поверхность измерения; // — описанный параллелепипед
Рисунок 2 — Поверхность измерения — параллелепипед с девятью (/—Я положениями микрофона (для приборов, свободно располагаемых на полу)
Площадь этой поверхности измерения S выражается формулой
S - 2 (2bc + 2ас + 2ab). (1)
Примечание — Для определения временных диаграмм, частотных спектров и т. п. характеристик шума рекомендуется применять положение первого микрофона.
7.1.2 Для напольных приборов и приборов, эксплуатируемых на рабочей плоскости, предназначенных для размещения у стены, включая приборы большого размера, поверхность измерения — прямоугольный параллелепипед с шестью положениями микрофона (рисунок 3).
Причем ось X расположена в горизонтальной отражающей плоскости перпендикулярно к вертикальной отражающей плоскости, а передняя часть прибора повернута в направлении оси X. Площадь этой поверхности измерения 5 выражается формулой
5=2 (2ас + 2ab + Ьс). (2)
Примечание — Для определения временных диаграмм, частотных спектров и т. п. характеристик шума рекомендуется положение второго микрофона.

Координаты положений микрофона
Номер | X | У | —i Z |
1 | 2а | 0 | 0,5с |
2 | а | ь | 0,5с |
3 | а | -ъ | 0,5с |
4 | 2а | ь | с |
5 | 2а | -ь | с |
6 | а | 0 | с |
Площадь поверхности измерения
5=2 (2ас + 2ab + Ьс).
/ — поверхность измерения; /7 — описанный параллелепипед
Рисунок 3 — Поверхность измерения — параллелепипед с шестью (7—6) положениями микрофона (для напольных приборов, располагаемых у стены)
7.1.3 Для напольных приборов, устанавливаемых в специальных отсеках у стены, включая встраиваемые приборы большого размера, высота которых превышает 1,6 м, поверхность измерения — прямоугольный параллелепипед с семью положениями микрофона (рисунок 4). Причем ось X расположена в горизонтальной отражающей плоскости перпендикулярно к вертикальной отражающей плоскости, а передняя часть прибора повернута в направлении оси X.
Площадь этой поверхности 5 выражается формулой
5=2 (2дс + Ьс). (3)
Примечание — Для определения временных диаграмм, частотных спектров и т. п. характеристик шума рекомендуется положение третьего микрофона.

Координаты положений микрофона
Номер | X | У | Z |
1 | 2а | b | 0,25с |
2 | 2а | -Ь | 0,25с |
3 | 2а | 0 | 0,50с |
4 | а | ь | 0,50с |
5 | а | -ь | 0,50с |
6 | 2а | ь | 0,75с |
7 | 2а | —6 | 0,75с |
Площадь поверхности измерения
5=2 (2лс+ Ьс).
7 — описанный параллелепипед; 77 — поверхность измерения
Рисунок 4 — Поверхность измерения — параллелепипед с семью (7—7) положениями микрофона (для высоких напольных приборов, располагаемых у стены)
7.1.4 Для поверхностей измерения в форме параллелепипеда, рассмотренных в 7.1.1 —7.1.3, расстояние d между между описанным параллелепипедом и поверхностью измерения — 1м.
Описанным параллелепипедом является наименьший из возможных прямоугольный параллелепипед с размерами 6* включающий в себя прибор (части, которые не могут испускать значительный шум, не принимаются во внимание) и ограниченный отражающей (ими) плоскостью (ями); /] — параллельна оси X /2 — параллельна оси У, /3 — параллельна оси Z.
7.1.5 Для приборов, предназначенных для установки на рабочей плоскости или столе, приборов для обработки полов и приборов, которые держат в руках (закрепленных при испытаниях в специальном приспособлении), установленных во время измерений на горизонтальную отражающую плоскость, размеры описанного параллелепипеда (/ь /2, h) не превышают 0,7 м. Поверхность измерения представляет полусферу с десятью положениями микрофона (рисунок 5), с центром в точке проекции геометрического центра описанного параллелепипеда на горизонтальную отражающую плоскость (пол). Причем система координат, которая устанавливает положения микрофона, является такой, что оси X и У находятся в горизонтальной отражающей плоскости, а ось Z— перпендикулярна к ней. Ось X расположена в продольной вертикальной плоскости описанного параллелепипеда, а передняя часть прибора повернута в направлении оси X.
Эта поверхность измерения может быть также использована для небольших приборов, закрепленных на стене. В этом случае оси X и У расположены в вертикальной отражающей плоскости, причем ось X направлена вверх, а передняя часть прибора повернута в направлении оси Z.
Площадь этой поверхности измерения 5* выражается формулой
S=2nR2, (4)
где Л — радиус полусферы, равный 1,5 м.
Примечание — Для определения временных диаграмм, частотных спектров и т. п. характеристик шума рекомендуется применять положение восьмого микрофона.

Рисунок 5 — Поверхность измерения — полусфера с десятью (1—10) положениями микрофона (для приборов, которые держат в руках или которые устанавливают на столе, и для приборов для обработки полов)
Координаты положений микрофона
Номер | X/R | Y/R | Z/R |
I | 0,99 | 0 | 0,15 |
2 | -0,50 | 0,86 | 0,15 |
3 | -0,50 | -0,86 | 0,15 |
4 | 0,45 | -0,77 | 0,45 |
5 | 0,45 | 0,77 | 0,45 |
6 | -0,89 | 0 | 0,45 |
7 | -0,33 | -0,57 | 0,75 |
8 | 0,66 | 0 | 0,75 |
9 | -0,33 | 0,57 | 0,75 |
10 | 0 | 0 | 1,0 |
Площадь поверхности измерения З’ = 2к7?2.
7.1.6 Для приборов, предназначенных для установки на рабочей плоскости или столе, приборов, которые держат в руках (закрепленных при испытаниях в специальном приспособлении), и приборов для обработки полов, установленных во время измерений на горизонтальную отражающую поверхность, размеры описанного параллелепипеда которых /р /2 не превышают 0,5 м, а размер /3 не превышает 0,4 м, поверхность измерения — полусфера с семью положениями микрофона (рисунок 6), с центром в точке проекции геометрического центра описанного
параллелепипеда на горизонтальную отражающую поверхность (пол). Причем система координат, определяющая положения микрофона, является такой, что оси Хи /расположены в горизонтальной отражающей плоскости, а ось Zперпендикулярна к ней; ось Xрасположена в вертикальной продольной плоскости описанного параллелепипеда, а передняя часть прибора повернута в направлении оси X.

Рисунок 6 — Поверхность измерения — полусфера с семью (/— Ъ положениями микрофона (для приборов, которые держат в руках или которые устанавливают на столе, и для приборов для обработки полов)
Координаты положений микрофона
Номер | X/R | Y/R | Z/R |
1 | 0,47 | 0,82 | 0,33 |
2 | —0,94 | 0 | 0,33 |
3 | 0,47 | -0,82 | 0,33 |
4 | 0,66 | 0 | 0,75 |
5 | -0,33 | 0,57 | 0,75 |
6 | —0,33 | -0,57 | 0,75 |
7 | 0 | 0 | 1.0 |
Площадь поверхности измерения S - 2я/?.
Площадь этой поверхности измерения 5 выражается формулой
5 = 2л Л2, (5)
где R — радиус полусферы, равный 1 м.
Примечание — Для определения временных диаграмм, частотных спектров и т. п. характеристик шума рекомендуется применять положение четвертого микрофона.
7.1.7 Для небольших напольных приборов, предназначенных для размещения у стены (например, приборы для чистки обуви), размеры описанного параллелепипеда которых /] и /3 не превышают 0,4 м, а размер /2 не превышает 0,8 м, поверхность измерения — четвертая часть сферы с пятью положениями микрофона (рисунок 7), с центром в углу, образованном вертикальной и горизонтальной отражающими плоскостями. Причем система координат, которая определяет положение микрофона, является такой, что оси X и Y расположены в горизонтальной отражающей плоскости, а ось Z — в вертикальной отражающей плоскости, ось X— перпендикулярна к вертикальной отражающей плоскости.
Площадь этой поверхности измерения 5* выражается формулой
S = nR2, (6)
где /? — радиус четвертой части сферы, равный 1,5 м.
Примечание — Для определения временных диаграмм, частотных спектров и т. п. характеристик шума рекомендуется применять положения второго микрофона.
Y

Координаты положений микрофона
Номер | X/R | Y/R | Z/R |
1 | 0,47 | -0,81 | 0,33 |
2 | 0,94 | 0 | 0,33 |
3 | 0,47 | 0,81 | 0,33 |
4 | 0,48 | -0,28 | 0,83 |
5 | 0,48 | 0,28 | 0,83 |
Плошадь поверхности измерения 5 — пЯ2.

Рисунок 7 — Поверхность измерения — четвертая часть сферы с пятью (/—5) положениями микрофона (для небольших напольных приборов, располагаемых у стены)
7.1.8 Для приборов, установленных на подставке, размеры описанного параллелепипеда которых /|, /з и h не превышают 0,4 м, а высота расположения геометрического центра описанного параллелепипеда над полом превышает при нормальном применении 1 м, поверхность измерения — сфера с восемью положениями микрофона (рисунок 8) центрована по центру описанного параллелепипеда. Причем система координат, которая определяет положения микрофона является такой, что ось Z— вертикальная, а ось X повернута в направлении передней части прибора.
Площадь этой поверхности измерения S выражается формулой
5= 4 л/?2, (7)
где R — радиус сферы, равный 1 м.
Примечания
1 Расстояние между самым низким положением микрофона и горизонтальной отражающей плоскостью должно быть не менее 0,3 м.
2 Для определения временных диаграмм, частотных спектров и т. п. характеристик шума рекомендуется применять положение второго микрофона.

Координаты положений микрофона
Номер
Л/Л
1
0
2
0,89
3
-0,45
4
-0,45
5
0,45
6
0,45
7
-0,89
8
0
Y/R
2/R
0
-1.0
0
-0,45
0,77
-0,45
-0,77
-0,45
-0,77
0,45
0,77
0,45
0
0,45
0
1,0
Площадь поверхности измерения Sв 4л/?.
Рисунок 8 — Поверхность измерения — сфера с восемью (7—4) положениями микрофона (для приборов, устанавливаемых на подставке)
7.1.9 Расстояние между поверхностью измерения и внутренними ограничивающими поверхностями испытательного помещения, за исключением отражающей (их) плоскости (ей), должно быть:
- для условий качественного свободного поля — не менее 0,7 м;
• для условий некачественного свободного поля — не менее 1,0 м.
7.1.10 Измерения допускается проводить либо с использованием единственного микрофона, расположенного последовательно в различных установленных положениях, либо определением уровней звука с помощью микрофонов, помещенных во всех установленных положениях. Для сферических поверхностей измерения допускается производить постепенный поворот вокруг оси Z либо испытываемого прибора, либо микрофона (ов), установленного (ых) на соответствующей (их) подставке (ах).
7.1.11 Микрофон (ы) поворачивают относительно источника таким образом, чтобы оси ориентации, для которых он (и) калиброван (ы), были повернуты к геометрическому центру описанного параллелепипеда.
7.2 Расположение микрофона и эталонных источников звука в условиях свободного поля
7.2.1 ЭИЗ, применяемый для метода сравнения, подвергается измерениям при том же расположении микрофона и с той же поверхностью измерения, что и для подлежащих испытанию приборов.
7.2.2 ЭИЗ помещают на горизонтальную отражающую плоскость таким образом, чтобы проекция центра его описанного параллелепипеда совпадала с проекций центра описанного параллелепипеда испытываемого прибора на горизонтальную отражающую плоскость.
7.3 Положение микрофона и расположение источника в специальных реверберационных камерах
7.3.1 Число положений микрофона Nm = 6,а число расположений источника Ns s 1.
Изменение этих чисел зависит от результатов предварительных измерений, проведенных в соответствии с требованиями 7.3.2 на испытываемом приборе при шести установленных положениях микрофона и одном расположении источника.
7.3.2 Стандартное отклонение 5М рассчитывают по формуле
1 п
S„ = (л - l)_i[E(I„ - Lpm)2], <8)
t= 1
где Lpi — значение /-го уровня звукового давления, дБ (эталонное значение — 20 мкПа);
Lpm ” среднее значение ЬрЪ Lp2t - ■ - дБ (эталонное значение — 20 мкПа); л = 6.
Если значения LpX, Lplt. .. отличаются не более чем на 5 дБ, то для расчета допускается использовать простое среднее арифметическое. Если это различие превышает 5 дБ, то используют формулу
L рт = 10lg[|( 100,1 Lf' + 10°’1£*г ... + IO0,11*)]. (9)
Примечание — Амплитуда SM зависит от свойства звукового поля испытательного помещения. На эти свойства влияют характеристики испытательного помещения и источника (например, направленность и частотный спектр испускаемого шума).
7.3.3 Если стандартное отклонение 5М, рассчитанное в соответствии с требованиями 7.3.2, менее 2,3 дБ, то окончательное измерение производят с тем же числом положений микрофона и источника (/Vj = 1, Nm — 6).
7.3.4 Если стандартное отклонение 5М от 2,3 до 4,0 дБ, то окончательное измерение проводят с числом положений микрофона Nm - 6 при двух положениях источника в реверберационной камере W=2).
7.3.5 Если 5^ превышает 4 дБ, то измерения в реверберационных камерах проводят с Ns = 2, Nm = 12.
Для уменьшения трудоемкости измерения в специальных камерах рекомендуется использовать подвижный микрофон по ГОСТ 12.1.027, в некоторых случаях более предпочтительными могут быть измерения в условиях свободного звукового поля.
7.3.6 В любом положении микрофон не должен находиться ближе чем на 1 м от поверхности источника или ближе чем на 1,5 м от проекции центра описанного параллелепипеда на пол или на стену испытательного помещения.
7.3.7 В любом положении микрофон не должен находиться ближе чем на 1 м от любой стены, пола, потолка или другой поверхности испытательного помещения.
7.3.8 В любом положении микрофон не должен находиться ближе чем на 1,5 м от любого другого положения микрофона.
7.3.9 Разница значений высоты установки микрофонов должна быть не менее 0,2 м.
7.3.10 Если микрофоны могут находиться в одной и той же плоскости, то эта плоскость не должна образовывать угол менее 10* с линией, параллельной любой поверхности помещения.
7.3.11 По возможности, положения микрофонов должны быть на разных расстояниях от источника (в асимметричных положениях).
7.3.12 Необходимо избегать помещения микрофонов в области отвода воздуха или в направлении максимального излучения (звукового) источника.
Примечание — Самая сильная направленность излучения — вдоль средней линии, перпендикулярной к поверхности первичного излучения или отверстию источника, а самая слабая — вдоль линии, параллельной этой поверхности или отверстию. Рекомендуется помещать микрофон под углом не менее 45* к направлению максимального ихтучения.
7.3.13 Измерения допускается производить либо считыванием с одного микрофона, помещаемого последовательно в установленных положениях, либо применением подвижного микрофона, перемещаемого по известной траектории.
7.4 Положения микрофонов и расположения эталонных источников звука в условиях реверберации
7.4.1 ЭИЗ, применяемый для замещения в методе сравнения, подвергают измерению при том же положении микрофонов и с тем же числом положений источника, что и для испытываемого прибора.
7.4.2 ЭИЗ размещают на полу таким образом, чтобы проекция центра, описанного вокруг него параллелепипеда, совпадала с проекцией центра описанного параллелепипеда испытываемого прибора.
7.5 Измерение уровня звукового давления
7.5.1 Уровень звукового давления источника (ов) (испытываемого прибора) измеряют с использованием динамической характеристики 5 — «медленно» измерительного прибора согласно методу, приведенному в ГОСТ 12.1.026 и ГОСТ 12.1.027.
7.5.2 Измеренные уровни звука одного или нескольких источников подлежат коррекции, чтобы учесть влияние фонового шума в соответствии с таблицей, приведенной ниже.
Разница между уровнем звукового давления, измеренным при работающем звуковом источнике, и уровнем звукового давления одного фонового шума, дБ
Коррекция уровня звукового давления, измеренного при работающем звуковом источнике, которую следует вычесть для получения только уровня шума источника, дБ
Менее 6
Измерения недействительны
6
1,0
7
1,0
8
1.0
9
0,5
10
0,5
Более 10
0,0
7.5.3 Если присутствие оператора обязательно, то он должен находиться на расстоянии не менее 0,5 м от микрофона и не должен служить экраном между микрофоном и прибором.
8 Расчет уровней звукового давления и звуковой мощности
8.1 Расчет средних уровней звукового давления
Средние (в пространстве) уровни звукового давления в октавных полосах или скорректированные по характеристике А прибора уровни звукового давления испытываемого прибора и ЭИЗ рассчитывают на основе уровней звукового давления для каждого рассматриваемого октавного диапазона или на основе скорректированных по характеристике А уровней звукового давления, измеренных при различных положениях микрофона и скорректированных с учетом фонового шума, по формуле
/ 1 0 1 7 X (10)
ipm = 101g(^ L10 ’1£"),
/= 1
где Lpm — пространственно усредненный уровень давления в октавных полосах или скорректированные по характеристике А уровни звукового давления, дБ (эталонное значение — 20 мкПа);
Lpj — уровень давления в октавных полосах или скорректированный по характеристике А уровень звукового давления при Ам измерении (эталонное значение — 20 мкПа);
п — общее число проведенных измерений уровней звукового давления в данной октавной полосе или число измерений, скорректированных по характеристике А уровней звукового давления, т. е. число положений микрофона, умноженное (для реверберационной камеры) на число расположений источника.
8.2 Расчет уровней звуковой мощности для метода сравнения
Уровни звуковой мощности в октавных полосах или скорректированный уровень звуковой мощности испытываемого прибора L^e рассчитывают на основе средних уровней звукового давления испытываемого прибора и уровней ЭИЗ, определяемых в соответствии с требованиями 8.1, и известных (эталонированных) уровней мощности в октавных полосах или известных (эталонированных) скорректированных уровней звуковой мощности ЭИЗ по формуле
^-We ~ Lpg + (£|i> ^pr^> GO
где L^e — уровень звуковой мощности в октавных полосах или скорректированный по характеристике А уровень звуковой мощности испытываемого прибора, дБ (эталонное значение 1 пВт);
Lp*— пространственно усредненный уровень звукового давления в октавных полосах или скорректированный по характеристике А уровень звукового давления испытываемого прибора, определенный по 8.1, дБ (эталонное значение 20 мкПа);
Lwr — уровень мощности известный (эталонный) в октавных полосах или известный (эталонный) скорректированный уровень звуковой мощности ЭИЗ, дБ (эталонное значение 1 пВт);
Lyr — уровень давления в октавных полосах или скорректированный уровень звукового давления ЭИЗ, определенный по 8.1, дБ (эталонное значение 20 мкПа).
8.3 Расчет уровней звуковой мощности для измерений, проведенных прямым методом в условиях качественного свободного звукового поля по ГОСТ 12.1.026
Скорректированный уровень звуковой мощности испытываемого прибора рассчитывают на основе среднего значения измеренных уровней звукового давления Lp, определенных по 8.2, и площади поверхности измерения 5 по формуле
(12)
Lpm - АГ+ 101g(^),
где Дц/— уровень звуковой мощности испытываемого прибора, скорректированный по характеристике А или в октавных полосах, дБ (эталонное значение 1 пВт);
ipm-no 8.1;
S — площадь поверхности измерения, м2;
Sq- 1 м2;
К — поправка на окружающую среду испытательного помещения, определенная при аттестации камеры, дБ (эталонное значение 1 пВт);
Примечание — Используя «Метод абсолютного сравнения» (использование ЭИЗ) для определения 5
Кпо ГОСТ 12.1.026 (К® Ья>измеренное — 1^+ 10 lg-^ получаем, что прямой метод действительно
является методом сравнения согласно формуле (11), так как, вводя в вышеприведенную формулу К, находим уравнение, приведенное в 8.2.
8.4 Расчет скорректированных по характеристике А уровней звуковой мощности для измерений, проводимых прямым методом в специальных реверберационных камерах согласно ГОСТ 12.1.027
Скорректированный по характеристике А уровень звуковой мощности испытываемого прибора рассчитывают на основе среднего значения скорректированных уровней звукового давления определенных по 8.1 с учетом свойств реверберационной камеры, по формуле (в случае использования качественной специальной реверберационной камеры)
Lwk = - 101g^ + 101g-^ -13, (13)
где £^а — скорректированный уровень звуковой мощности испытываемого прибора, дБ (эталонное значение 1 пВт);
Lpmh ~ пространственно усредненный скорректированный уровень звукового давления, определенный на основе скорректированных уровней звукового давления, получаемых для каждого положения микрофона в соответствии с 8.1 (обозначается через Lpm), дБ (эталонное значение 20 мкПа);
TN— номинальное время реверберации камеры, с, по ГОСТ 12.1.027; Го- 1 с;
V — объем камеры, м3;
Ио - 1 м3.
9 Информация, которую следует записать
9.1 Общие сведения
9.1.1 Наименование и адрес лаборатории, в которой проводят измерения.
9.12 Номер дела и дата (ы) проведения измерений.
9.1.3 Наименование и адрес общества, организации или фамилия и адрес лица, заказавших проведение измерений.
9.1.4 Цель измерений.
9.1.5 Указание на соответствие части 1 или части 2.
9.2 Описание подлежащего испытанию прибора
9.2.1 Категория: например, пылесос, стиральная машина и т. д.
9.2.2 Конструктивные характеристики, например, ручной, настольный или напольный прибор.
9.2.3 Изготовитель или поставщик, торговая марка.
9.2.4 Обозначение модели или типа (наименование изделия).
9.2.5 Номер в серии или дата изготовления.
9.2.6 Номинальные характеристики (указанные на приборе), например, напряжение, мощность, производительность, давление воды и т. п.
9.2.7 Требования к шуму.
9.2.8 Источник питания и характеристики двигателя, например, питание от сети, питание от батарей, асинхронный двигатель, коллекторный двигатель, частота вращения и др.
9.2.9 Поставляемые и (или) указываемые вспомогательные устройства и (или) приспособления.
9.3 Метод измерения (4.2, 4.3)
9.3.1 Прямой метод.
9.3.2 Метод сравнения.
9.4 Характеристика окружающей среды акустического испытания
9.4.1 Свободное поле или реверберационная испытательная камера.
9.4.2 Характеристики испытательного помещения, например, полузаглушенная лабораторная камера, на открытом воздухе, обычное помещение с акустической обработкой или без нее, специальная реверберационная камера.
9.4.3 Полезные внутренние размеры помещения, объем.
9.4.4 Акустическая обработка поверхностей.
9.4.5 Степень подготовки зала, метод и акустические данные.
9.5 Измерительное оборудование (раздел 5)
9.5.1 Оборудование для измерений акустических данных: наименование, тип, номер серии, точность, изготовитель основного и вспомогательного оборудования, дата последней калибровки.
9.5.2 ЭИЗ с калибровочными характеристиками, изготовитель.
9.5.3 Оборудование для измерения климатических условий: наименование, тип, номер серии, точность, изготовитель (если известен).
9.5.4 Оборудование для измерений условий функционирования: наименование, тип, номер серии, точность, изготовитель (если известен).
9.6 Оснащение и предварительная подготовка испытываемого прибора (6.1)
9.6.1 Оборудование, вспомогательные устройства и приспособления, выбранные для измерений.
9.6.2 Порядок и продолжительность обкатки.
9.6.3 Порядок и продолжительность стабилизации.
9.7 Подача электроэнергии, воды и т. п. (6.2)
9.7.1 Напряжение сети питания с допусками, переменный ток, постоянный ток, частота.
9.7.2 Тип аккумуляторов и емкость, полностью или частично заряжены.
9.7.3 Подача воды, давление и температура с допусками.
9.7.4 Другие виды энергии, данные, относящиеся к питанию.
9.8 Климатические условия (6.3)
9.8.1 Температура.
9.8.2 Относительная влажность.
9.8.3 Атмосферное давление.
9.9 Функционирование испытываемого прибора (6.4)
9.9.1 Описание нагрузки (ок).
9.9.2 Выбранный (ые) метод (ы) функционирования: например, период (ы), цикл (ы), частота вращения двигателя (ей), положение механизмов управления и т. д.
9.9.3 Описание периода (ов) или цикла (ов), применяемого для измерений.
9.10 Размещение и монтаж испытываемого прибора (6.5)
9.10.1 Описание размещения испытываемого прибора и ЭИЗ в испытательном помещении: например, расстояние (ия) до пола и до стек (при необходимости привести схему).
9.10.2 Описание монтажа испытываемого прибора: например, крепежные детали, отсеки для встраивания, упругие (ая) подставки (а), покрытие пола и т. п.
9.11 Расположения микрофона (7.1—7.4)
9.11.1 Описание расположения: например, число положений микрофона, координаты, расстояние измерения, радиус сферической поверхности измерения, площадь поверхности измерения и т. д.
9.11.2 Описание расположения микрофонов в испытательной среде: например, расстояния относительно пределов окружающей среды.
9.11.3 Угол падения и ориентирование микрофонов относительно источника.
9.11.4 Число микрофонов, перемещение единственного микрофона или одновременное определение звукового давления от всех микрофонов, метод определения.
9.11.5 Принадлежности микрофонов, например, ветрозащитное устройство с поправкой и т. п.
9.12 Данные измерения (7.5)
9.12.1 Уровни звукового давления, измеряемые в октавных полосах и (или) в корректированных значениях для каждого положения микрофона и для каждой нагрузки и условий функционирования испытываемого прибора, периоды или циклы, используемые для измерений.
9.12.2 Уровни звукового давления, измеряемые в октавных полосах, и (или) корректированные значения для каждого положения микрофона и ЭИЗ.
9.12.3 Уровни звукового давления, измеряемые в октавных полосах, и (или) корректированные значения фонового шума до и после каждой серии измерений.
9.12.4 Поправки, применяемые к измеренным значениям для испытываемого прибора и ЭИЗ с тем, чтобы учитывать влияние фонового шума и принадлежностей микрофонов (например, ветрозащитного устройства).
9.12.5 Временные диаграммы (предпочтительно, корректированные уровни звукового давления в зависимости от времени), определяемые для выбранных нагрузок и условий функционирования и для периодов или циклов, применяемых для измерений.
9.12.6 Определенные частотные спектры в октавных полосах.
9.12.7 Замечания, касающиеся субъективных впечатлений, оставляемых шумом: например, слышимый (е) дискретный (е) шум (ы), импульсивный характер, временной характер и т. д.
9.13 Рассчитанные уровни акустического давления и акустической мощности (раздел 8)
10 Информация, которую следует отразить в отчете
Отражают лишь ту информацию, которая представляет интерес для предмета измерений.
10.1 Общие данные (9.1)
10.2 Испытываемый прибор
10.2.1 Категория (9.2.1).
10.2.2 Конструктивные характеристики (9.2.2).
10.2.3 Изготовитель, поставщик, марка (9.2.3).
10.2.4 Обозначение модели или типа (9.2.4).
10.2.5 Номер в серии, дата изготовления (9.2.5).
10.2.6 Номинальные характеристики (9.2.6).
10.2.7 Указанное излучение шума (9.2.7).
10.2.8 Источник энергии (9.2.8).
10.2.9 Вспомогательные устройства, приспособления (9.2.9).
10.3 Условия испытания прибора
10.3.1 Выбранные вспомогательные устройства и принадлежности (9.6.1).
10.3.2 Питание от сети (9.7.1).
10.3.3 Питание от аккумулятора (9.7.2).
10.3.4 Подача воды (9.7.3).
10.3.5 Питание другими видами энергии (9.7.4).
10.3.6 Температура (9.9.1).
10.3.7 Относительная влажность (9.8.2).
10.3.8 Атмосферное давление (9.8.3).
10.3.9 Прикладываемая нагрузка (9.9.1).
10.3.10 Способ функционирования (9.9.2).
10.3.11 Периоды, циклы (9.9.3).
10.3.12 Размещение в испытательном помещении (9.10.1).
10.3.13 Монтаж (9.10.2).
10.4 Акустические данные
10.4.1 Прямой метод (9.3.1).
10.4.2 Метод сравнения (9.3.2).
10.4.3 Эталонный звуковой источник (9.5.2).
10.4.4 Испытательная среда (9.4.1).
10.4.5 Временная диаграмма и способ функционирования (9.12.5).
10.4.6 Частотный спектр (9.12.6).
10.4.7 Замечания, касающиеся субъективного впечатления, оставляемого шумом (9.12.7).
10.4.8 Рассчитанные уровни акустической мощности в октавном диапазоне (9.13).
10.4.9 Рассчитанный (ые) уровень (и) акустической мощности (9.13).
ПРИЛОЖЕНИЕ А (рекомендуемое)
Руководство по проектированию простых испытательных помещений, обеспечивающих условия свободного звукового поля
Внутренний объем и размеры испытательного помещения, обеспечивающие условия свободного звукового поля, зависят от размеров и формы поверхности измерения, используемой для испытаний. Эта поверхность измерения должна находиться на расстоянии не менее 0,9 м от поглощающих поверхностей испытательного помещения.
Пол испытательного помещения должен представлять собой твердую и гладкую плоскость (крашеные бетонные полы, полы из асфальта или выложенные плиткой), средний коэффициент звукового поглощения которой не должен превышать 0,06 во всем диапазоне частот в центре третьокгавных полос от 100 до 10000 Гц. Если настил не является поверхностью пола или не является составной частью здания с соответствующей толщиной, то необходимо принять меры, чтобы он не издавал значительного звука в результате вибрации.
Возможность использования испытательного помещения зависит от качества акустической обработки его стен и потолка. Обычная обработка, заключающаяся в укладывании призм из поглощающих материалов (с небольшим расстоянием позади) на стены и потолок конструкции здания, является дорогостоящей и может быть легко повреждена. Такой зал трудно поддерживать в чистоте.
Очень простая обработка заключается в том, что помещают три слоя минеральной шерсти (войлок), причем каждый слой имеет толщину не менее 80 мм, разной плотности. Первый слой, который соприкасается со структурой здания, имеет плотность около 55 кг/м3, второй слой имеет плотность около 33 кг/м3, а плотность третьего слоя, который образует внутреннее покрытие испытательного зала, — около 23 кг/м3.
Три слоя закрепляют вместе на стенах и на потолке структур здания с помощью сетки из оцинкованной стальной проволоки диаметром около 1 мм, размер ячеек которой равен 50 мм. Эта обработка не является дорогостоящей, опасность повреждения минимальная, помещение легко убирать.
УДК 621.3.002.5 : 534.635.462.001.4 : 006.354 МКС 97.180 Т58 ОКП 34 6800, 51 5000
Ключевые слова: бытовые приборы, шумовые характеристики, методы испытаний, общие требования
Редактор Т.С. Шеко Технический редактор В.Н Прусаком Корректор М. С. Кабашоеа Компьютерная верстка ЛА. Круговой
Изд. лиц. № 021007 от 10.08.95. Сдано в набор 06.07.99. Подписано в печать 13.09.99. Уел. печ. л. 2,79. Уч.-изд. л. 2,57. ____Тираж 257 экз. С3590. Зак. 725.__ ИПК Издательство стандартов, 107076, Москва, Колодезный пер., 14.
Набрано в Издательстве на ПЭВМ
Филиал ИПК Издательство стандартов — тип. “Московский печатник”, Москва, Лялин пер., 6.
Плр № 080102