ИЗМЕНЕНИЕ N 1
ГОСТ 1452-2011 "Пружины цилиндрические винтовые тележек и ударно-тяговых приборов подвижного состава железных дорог. Технические условия"*
______________
* Государство-разработчик Россия. Приказом Федерального агентства по техническому регулированию и метрологии от 06.10.2015 N 1484-ст вводится в действие на территории РФ с 01.07.2016 (ИУС N 1, 2016 год). - .
МКС 45.060
Принято Межгосударственным советом по стандартизации, метрологии и сертификации (протокол N 47-2015 от 18.06.2015)
Зарегистрировано Бюро по стандартам МГС N 11009
За принятие изменения проголосовали национальные органы по стандартизации следующих государств: AM, BY, KZ, KG, RU, TJ [коды альфа-2 по МК (ИСО 3166) 004]
(Поправка. ИУС № 5-2025).
Дату введения в действие настоящего изменения устанавливают указанные национальные органы по стандартизации*
_______________
* Дата введения в действие на территории Российской Федерации - 2016-07-01.
ВНЕСЕНА поправка, опубликованная в ИУС № 5, 2025 год
Поправка внесена изготовителем базы данных
Предисловие. Пункт 5 изложить в новой редакции:
"5 Настоящий стандарт может быть применен на добровольной основе для соблюдения требований технических регламентов "О безопасности железнодорожного подвижного состава" и "О безопасности высокоскоростного железнодорожного транспорта".
Раздел 2 дополнить ссылками:
"ГОСТ 489-88 Бумага копировальная. Технические условия
ГОСТ 32205-2013 Пружины рессорного подвешивания железнодорожного подвижного состава. Шкала эталонов микроструктур
ГОСТ 32208-2013 Пружины рессорного подвешивания железнодорожного подвижного состава. Метод испытаний на циклическую долговечность";
исключить ссылку: "ГОСТ 25.507-85 Расчеты и испытания на прочность в машиностроении. Методы испытаний на усталость при эксплуатационных режимах нагружения. Общие требования";
ссылку на ГОСТ 12549-2003 дополнить знаком сноски: *;
ссылку на ГОСТ 24642-81 дополнить знаком сноски: **;
дополнить сносками - *, **:
" * На территории Российской Федерации действует ГОСТ Р 54893-2012.
** На территории Российской Федерации действует ГОСТ Р 53442-2009".
Пункт 3.3. Заменить слова: "не менее расчетной рабочей нагрузки" на "не менее расчетной нагрузки по нормированному конструктивному запасу полного прогиба пружины до упора или до полного сжатия витков".
Раздел 3 дополнить термином - 3.9а:
"3.9а отпечатки: Дефект поверхности в виде углублений или выступов, расположенных по всей поверхности или на отдельных ее участках, образовавшихся от выступов и углублений на прокатных валках, роликах или ковочном инструменте. [ГОСТ 21014-88, статья 29] |
Пункт 3.10 дополнить абзацем:
" - толщина конца опорного витка".
Пункт 4.2. Второй абзац и таблицу 1 изложить в новой редакции:
"Допускается применять сталь марок 55РП и 55ПП, химический состав которых должен соответствовать приведенному в таблице 1.
Таблица 1
Марка стали | Содержание, % | ||||||||
С | Si | Mn | S | Р | Cr | Ni | Cu | AI | |
Не более | |||||||||
55РП | 0,54- | 0,38- | 0,13- | 0,015 | 0,020 | 0,20 | 0,20 | 0,20 | 0,02- |
55ПП | 0,54- | 0,13- | 0,12- | 0,015 | 0,020 | 0,15 | 0,20 | 0,20 | 0,02- |
Примечание - ПП - пониженной прокаливаемости, РП - регламентированной прокаливаемости. | |||||||||
Пункт 4.4 дополнить абзацем:
"Пружины категории Б допускается изготавливать из горячекатаного проката по ГОСТ 2590 повышенной точности Б.1 с качеством поверхности по ГОСТ 14959 с глубиной обезуглероженного слоя не более 0,01 или из проката со специальной отделкой по ГОСТ 14955 из стали марок 55РП, 55ПП".
Пункт 4.5. Заменить обозначения: "60С2 и 60С2А" на "60С2 и 60С2А, 55РП и 55ПП".
Пункт 4.6. Третий абзац дополнить словами: ", отклонение от прямолинейности - не более 0,003 длины оттяжки, отпечатки на поверхности не допускаются";
четвертый абзац дополнить словами: ", при этом концевые части опорных витков не должны выступать за наружный диаметр пружины".
Подпункт 4.6.2. Заменить слова: "должна быть обеспечена прямолинейность" на "должен быть обеспечен постоянный угол подъема";
после слов "рабочему витку после навивки." изложить в новой редакции: "После навивки на конце оттянутого опорного витка допускается уклон поверхности, обращенной к рабочему витку, не более 1:10 в направлении по радиусу к оси пружины".
Подпункт 4.6.6. Второй абзац изложить в новой редакции:
"Зазоры между концами опорных витков и соседними рабочими витками пружины в свободном состоянии должны быть не менее 0,15 на длине не более 0,5
от торца опорного витка. Допускается уменьшение зазора до нуля под расчетной статической нагрузкой при условии обеспечения непрерывного контакта между концевой частью опорных и соседних рабочих витков пружины длиной не менее 10 мм".
Пункт 4.7. Третий абзац. Заменить обозначения: "55рп и 55пп" на "55РП и 55ПП".
Пункт 4.8. изложить в новой редакции:
"4.8 Микроструктура обезуглероженного слоя и основного металла пружин должна соответствовать единым эталонам, применяемым для железнодорожного подвижного состава по ГОСТ 32205";
исключить сноску: " * В Российской Федерации - по ГОСТ Р 54128-2010".
Пункт 4.10. Заменить слова: "не должна быть более" на "должна быть не более";
дополнить словами: "Глубина обезуглероженного слоя пружин из сталей марок 55ПП и 55РП должна быть не более 0,01".
Пункт 4.11. Третий абзац изложить в новой редакции:
"Пружины, изготовленные из сталей марок 55РП и 55ПП, после объемно-поверхностной закалки дополнительному упрочнению дробенаклепом не подвергают".
Пункт 4.12. Первый абзац изложить в новой редакции:
"4.12 Остаточная деформация (осадка) пружины по высоте в свободном состоянии после воздействия пробной нагрузки - не более 0,5 мм (см.6.6)".
Подпункт 4.13.2. Первый абзац. Знак сноски * исключить;
после слов "до плюс 0,10 " дополнить словами: ", кроме пружин рессорного подвешивания";
исключить сноску: "* Для пружин рессорного подвешивания подвижного состава железных дорог требования пункта ограничены до 01.01.2014 г.".
Подпункт 4.13.7. Заменить слова: "по 4.6.4 допуск" на "по 4.6.4, кроме пружин рессорного подвешивания, допуск".
Пункт 4.14 . Первый абзац. Исключить слова: "следы от окалины";
дополнить абзацем (после второго):
"- следы от окалины и пологие вмятины на опорных витках глубиной не более 0,5 допуска на диаметр прутка;".
Пункт 4.15 дополнить абзацем:
"Для пружин, не предназначенных для рессорного подвешивания, допускается зачистка дефектов на поверхности опорных витков глубиной не более 0,03 с обеспечением плавного перехода к образующей поверхности".
Пункт 4.18 дополнить абзацем (после третьего).
"- знак обращения продукции на рынке";
четвертый - последний абзацы изложить в новой редакции:
"На пружины рессорного подвешивания локомотивов и пассажирских вагонов наносят дополнительную маркировку:
- марку стали (кроме марок 55С2, 55С2А);
- значение расчетной статической нагрузки пружины, кН;
- значение высоты пружины под расчетной статической нагрузкой, мм".
Подпункт 4.18.1 после слов "поверхность опорного витка." дополнить словами:
"Маркировку знака обращения продукции на рынке наносят любым способом по технологии изготовителя, обеспечивающим его четкое и ясное изображение в течение всего срока службы пружины".
Пункт 5.7 изложить в новой редакции:
"5.7 Пружины, прошедшие испытания на циклическую долговечность без излома, утилизируют как выработавшие ресурс, за исключением пружин, испытанных при обязательном подтверждении соответствия, которые подлежат хранению в испытательном центре в течение срока действия сертификата";
исключить сноску: "* В Российской Федерации действуют [2]".
Пункт 6.8 дополнить абзацем:
"Высоту пружины под расчетной статической нагрузкой (4.13.1) контролируют после контроля остаточной деформации пружины по 6.6 с использованием средств измерений по 6.7".
Пункт 6.9 дополнить абзацем:
"Уклон поверхности концов опорных витков с клинообразной формой оттяжки, обращенной к рабочему витку (4.6.2), определяют в поперечном сечении на расстоянии от конца опорного витка в направлении по радиусу к оси пружины измерением высоты наружной и внутренней сторон поперечного сечения, разность значений высот не должна превышать 1/10 ширины оттянутого конца пружины в измеряемом сечении".
Пункт 6.12 изложить в новой редакции:
"6.12 Линию непрерывного контакта между концевой частью опорных и соседних рабочих витков пружины при их замыкании под расчетной статической нагрузкой по 4.6.6 определяют визуально на просвет или по отпечатку. Разрыв линии контакта не допускается.
В случае применения метода "отпечатка" применяют копировальную бумагу по ГОСТ 489".
Пункт 6.15. Второй абзац изложить в новой редакции:
"Измерение твердости пружин из сталей марок 55РП и 55ПП проводят по ГОСТ 9013, ГОСТ 2999 по поперечному сечению рабочего витка пружины на образце, изготовленном методом холодной резки без образования прижогов".
Пункт 6.16. Первый абзац. Заменить ссылку: "(см.4.8 или 4.10)" на "(см.4.9 или 4.10)";
второй абзац изложить в новой редакции:
"Оценка микроструктуры (см. 4.8) и структуры обезуглероженного слоя - по единым эталонам по ГОСТ 32205, применяемым для пружин железнодорожного подвижного состава";
исключить сноску: "* В Российской Федерации - по ГОСТ Р 54128-2010".
Пункт 6.18 изложить в новой редакции:
"6.18 Циклическую долговечность пружин рессорного подвешивания (4.16) проверяют испытанием на усталость методом Велера при нагружении по гармоническому закону со знакопостоянными параметрами в многоцикловой упругой области при одноступенчатом нагружении расчетной продольной силой по параметрам среднего напряжения цикла по ГОСТ 32208:
- от продольных сил сжатия для пружин категории Б;
- от продольных сил сжатия с учетом расчетных поперечных нагрузок для пружин категории А";
исключить сноску: "*** В Российской Федерации - по ГОСТ Р 54326-2011".
Приложение А. Пункт 9. Третий абзац. Заменить слово: "выпуска" на "изготовления";
дополнить абзацем (после третьего):
"- знак обращения продукции на рынке";
пятый абзац. Заменить слово: "длину" на "высоту".
Приложения Б, В изложить в новой редакции:
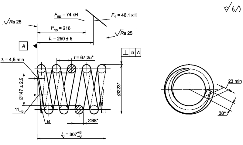
"Приложение Б
(справочное)
Пример оформления чертежа цилиндрической пружины сжатия с правым направлением навивки, с поджатыми по витка с каждого конца и шлифованными на
окружности опорными поверхностями

1 Изготавливать из круга
.
2 * Размеры и параметры для справок.
3 Длина развернутой пружины 3150 мм.
4 Число рабочих витков 4.
5 Полное число витков 5,5±0,13.
6 После термообработки пружину упрочнить наклепом дробью кругом.
7 Допускается уклон плоскости оттянутых концов пружины относительно опорных поверхностей не более 1:10.
8 Испытать на отсутствие остаточной деформации пробной нагрузкой .
9 Покрытие - грунтовка ГФ-0119 по ГОСТ 23343 и эмаль ПФ115 серая по ГОСТ 6465.
10 Маркировать на бирке, закрепленной на среднем витке:
- товарный знак предприятия-изготовителя;
- месяц и год изготовления;
- знак обращения продукции на рынке;
- марку стали;
- высоту пружины , мм;
- значение силы , кН.
Высота знаков маркировки - от 4 до 5 мм.
11 Остальные требования для пружин категории Б - по ГОСТ 1452.
Рисунок Б.1 - Чертеж пружины
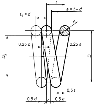
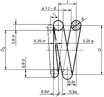
Приложение В
(справочное)
Формы оттяжки концов цилиндрической пружины сжатия с правым направлением навивки

Рисунок В.1 - Крайний виток пружины сжатия без оттяжки концов с поджатием на дуги окружности

Рисунок В.2 - Крайний виток пружины сжатия без оттяжки концов с поджатием на целый виток

Рисунок В.3 - Крайний виток пружины сжатия с конусообразной формой оттяжки концов с поджатием на дуги окружности

Рисунок В.4 - Крайний виток пружины сжатия с клинообразной формой оттяжки концов с поджатием на дуги окружности".
Элемент "Библиография". Позицию [2] исключить.
Редакция документа с учетом
изменений и дополнений подготовлена