ГОСТ 14339.4-82
Группа В69
ГОСУДАРСТВЕННЫЙ СТАНДАРТ СОЮЗА ССР
ВОЛЬФРАМ
Методы определения азота, кислорода, водорода
Tungsten. Methods for the determination of nitrogen, oxygen and hydrogen
Срок действия с 01.01.84
до 01.01.89*
________________________________
* Ограничение срока действия снято
постановлением Госстандарта СССР
от 27.09.91 N 1528 (ИУС N 12, 1991 год). -
.
РАЗРАБОТАН Министерством цветной металлургии СССР
ИСПОЛНИТЕЛИ
В.И.Вепринцев, С.Н.Суворова, Н.С.Бородин, Л.В.Михайлова, В.В.Султанян, Н.П.Аникеева, З.А.Исаева, В.И.Виноградов, В.Е.Чеботарев, В.Д.Прилепская, Ю.А.Абрамов, Н.Б.Денисов, Л.М.Ефимов, З.К.Стелендо
ВНЕСЕНЫ Министерством цветной металлургии СССР
Член коллегии А.П.Снурников
УТВЕРЖДЕН И ВВЕДЕН В ДЕЙСТВИЕ Постановлениями Государственного комитета СССР по стандартам от 30 сентября 1982 г. N 3868
ВЗАМЕН ГОСТ 14339.4-74
Настоящий стандарт устанавливает фотометрический метод определения азота (при массовой доле от 0,0001 до 0,1%) и метод реакционной газовой хроматографии (восстановительное плавление в атмосфере инертного газа - носителя аргона или гелия) для определения кислорода (при массовой доле кислорода от 0,001 до 0,1%), водорода (при массовой доле водорода от 0,0001 до 0,1%), азота (при массовой доле азота от 0,001 до 0,1%) в металлическом вольфраме (порошок, штабик, пруток, проволока, лента, фольга).
1. ОБЩИЕ ТРЕБОВАНИЯ
1.1. Общие требования к методам анализа - по ГОСТ 14339.0-82.
2. ФОТОМЕТРИЧЕСКИЙ МЕТОД
Метод основан на отгонке образовавшегося аммиака из щелочного раствора в кварцевом аппарате (по принципу Кьельдаля) с последующим поглощением аммиака серной кислотой и определением азота.
2.1. Аппаратура, реактивы и растворы
Кварцевый перегонный аппарат для получения бидистиллированной воды.
Кварцевый перегонный аппарат для дистилляции аммиака.
Микробюретка вместимостью 5 см и бюретка вместимостью 50 см
по ГОСТ 1770-74.
Микровесы МВ-1 или любого другого типа, позволяющие взвешивать с погрешностью не более 0,00001 г.
Фотоэлектроколориметр типов ФЭК-56М, ФЭК-60.
Установка для определения содержания азота (черт.1) состоит из дистилляционной колбы 1 с пришлифованной пробкой; воронки 2 для вливания исследуемого раствора; каплеуловителя 3; холодильника 4, пришлифованного к каплеуловителю и приемнику; приемника 5 с пришлифованной пробкой 6.

Черт.1
Аммоний сернокислый по ГОСТ 3769-78, ос.ч. стандартный раствор; готовят растворением 0,01179 г соли в бидистиллированной воде в мерной колбе вместимостью 1000 см, доливают раствор бидистиллированной водой до метки и перемешивают.
1 см раствора содержит 0,0000025 г азота.
Калия гидроокись раствор: 500 г гидроокиси калия растворяют в колбе вместимостью 2000 см, приливают бидистиллированную воду до объема более 1000 см
, выпаривают до 1000 см
и охлаждают до комнатной температуры, после чего закрывают колбу пробкой, соединенной через отверстие со склянкой для промывания газов, содержащей концентрированную серную кислоту.
Калий сернокислый по ГОСТ 4145-74, дважды перекристаллизованный.
Кислота серная по ГОСТ 4204-77, разбавленная 1:1 бидистиллированной водой, предварительно прокипяченной в кварцевом сосуде.
0,02 н. раствор серной кислоты, приготовленной из фиксанала.
Кислота соляная по ГОСТ 3118-77, разбавленная 1:10.
Реактив Несслера.
Раствор сравнения: в мерную колбу вместимостью 50 см вводят 5 см
0,02 н. раствора серной кислоты, 0,5 см
реактива Несслера, доливают до метки бидистиллированной водой и перемешивают.
Спирт этиловый ректификованный технический по ГОСТ 18300-72.
2.2. Подготовка к анализу
Образцы металлического вольфрама предварительно измельчают, очищают от загрязнений и окислов, промывают их соляной кислотой (1:10), затем бидистиллированной водой и окончательно промывают этиловым спиртом. После промывания образцы высушивают на воздухе.
2.3. Проведение анализа
2.3.1. В зависимости от массовой доли азота берут навески в соответствии с табл.1.
Таблица 1
Массовая доля азота, % | Масса навески, г |
От 0,0001 до 0,0005 | 1 |
Св. 0,0005 " 0,001 | 0,5 |
" 0,001 " 0,01 | 0,25 |
" 0,01 " 0,1 | 0,1 |
Навеску помещают в дистилляционную колбу, добавляют 2 г сернокислого калия, 10 см серной кислоты (1:1) и нагревают на открытой электроплитке до полного растворения навески. После охлаждения раствор разбавляют бидистиллированной водой до 50-60 см
. Дистилляционную колбу с раствором присоединяют к установке.
В приемник вводят 5 см 0,02 н. раствора серной кислоты и при слабом отсасывании пропускают небольшой ток пара. Затем медленно небольшими порциями вливают в дистилляционную колбу через воронку 80 см
раствора гидроокиси калия для нейтрализации кислоты и получения щелочной среды.
После того как вся щелочь будет введена в колбу, усиливают ток паровоздушной смеси и отсасывание.
После появления первых капель конденсата перегонку ведут еще 15 мин. Выделяющийся аммиак, увлекаемый паром, поглощается в приемнике 0,02 н. раствором серной кислоты. Обычно собирается конденсата вместе с кислотой 30-40 см.
По истечении указанного времени отключают вакуум, быстро открывают кран воронки, впускают воздух в дистилляционную колбу и затем выключают пар.
Отсоединяют холодильник и переносят полученный конденсат в мерную колбу вместимостью 50 см. Холодильник и приемник обмывают бидистиллированной водой, применяя минимальное ее количество. Промывную жидкость собирают в мерную колбу с конденсатом. Добавляют в колбу 0,5 см
раствора Несслера, доливают раствор до метки бидистиллированной водой и перемешивают.
Раствор оставляют на 30 мин для образования комплексного соединения аммиака с реактивом Несслера. Затем измеряют оптическую плотность анализируемых растворов и растворов сравнения на фотоколориметре с синим светофильтром (длина волны 440 нм) в кювете с толщиной поглощающего свет слоя 50 мм. Одновременно с пробой проводят контрольный опыт на загрязнение реактивов через все стадии анализа и используют те же реактивы и в таких же количествах, что и при анализе испытуемого образца
.
2.3.2. Построение градуировочного графика
В мерные колбы вместимостью по 50 см вводят 5 см
0,02 н. раствора серной кислоты, затем от 0,4 до 5 см
(с интервалом 0,2 см
) и от 5 до 40 см
(с интервалом 5 см
) стандартного раствора сернокислого аммония и 0,5 см
реактива Несслера. Растворы доливают до метки бидистиллированной водой и перемешивают. Растворы выдерживают 30 мин, измеряют оптические плотности окрашенных растворов и раствора сравнения на фотоколориметре с синим светофильтром (длина волны 440 нм) в кювете с толщиной поглощающего свет слоя 50 мм. В качестве раствора сравнения при измерении оптической плотности используют раствор, содержащий все применяемые реактивы.
По найденным значениям оптических плотностей и соответствующим им концентрациям азота строят градуировочные графики
.
2.4. Обработка результатов
2.4.1. Массовую долю азота () в процентах вычисляют по формуле
,
где - количество азота в анализируемом растворе, найденное по градуировочному графику, г;
- количество азота в растворе контрольного опыта, найденное по градуировочному графику, г;
- масса навески, г.
2.4.2. Абсолютные допускаемые расхождения результатов параллельных определений при доверительной вероятности 0,95 не должны превышать величин, указанных в табл.2.
Таблица 2
Массовая доля азота, % | Абсолютные допускаемые расхождения, % |
От 0,0001 до 0,0003 | 0,00008 |
Св. 0,0003 " 0,0005 | 0,0001 |
" 0,0005 " 0,0015 | 0,0002 |
" 0,0015 " 0,005 | 0,0002 |
" 0,005 " 0,01 | 0,0002 |
" 0,01 " 0,03 | 0,002 |
" 0,03 " 0,1 | 0,008 |
3. МЕТОД РЕАКЦИОННОЙ ГАЗОВОЙ ХРОМАТОГРАФИИ
Метод реакционной газовой хроматографии основан на выделении водорода, азота, кислорода, (независимо от формы их нахождения) в газовую фазу в виде молекулярных водорода и азота, и окиси углерода, соответственно, в условиях кратковременного (импульсного) нагрева до 3500 °С в графитовой капсуле с последующим транспортированием аргоном или гелием газовой смеси в колонку газового хроматографа.
3.1. Аппаратура, реактивы, растворы
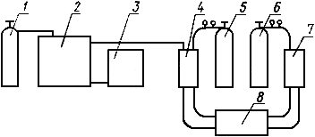
Установка (черт.2) для определения содержания кислорода, водорода, азота состоит из баллона с аргоном или гелием 1; газового хроматографа типа ЛХМ-8МД (модель 1), ЛХМ-72 или любой другой, не уступающей по своим параметрам указанным выше, 2; самопишущего потенциометра типа КСП-4 (комплектуется с газовым хроматографом) 3; пневматической импульсной печи сопротивления (для анализа) 4; баллона с аргоном или гелием 5, 6; пневматической импульсной печи сопротивления (для предварительной дегазации графитовых капсул) 7; схемы питания импульсных печей 8 (черт.3).

Черт.2

1 - автоматический пускатель типа АП 50-3М; 2 - автотрансформатор типа АОМН 40-250-75-У4;
3 - вольтметр типа Э-378, 0-250 В; 4 - магнитный пускатель типа ПМЕ-222; 5 - трансформатор
типа ОСУ-20/05 или любой другой аналогичного типа до 5 кВт; 6 - амперметр типа Э-378, 1000/5;
7 - трансформатор токовый типа ТШ-40, 1000/5; 8 - импульсная печь; 9 - реле времени типа ВЛ 27У4
(обеспечивающее выдержку от 0 до 10 с). Реле промежуточного типа ПЭ-21
(для включения реле времени); 10 - кнопка пусковая типа КМЗ-2
Черт.3
Для схемы питания импульсной печи допускается использование другого электрооборудования, обеспечивающего ток нагрузки (нагрузкой является графитовая капсула) 500-600 А при безопасном напряжении 10-12 В, в импульсном режиме 4-5 с, с интервалом 2-2,5 мин.
Цеолит синтетический 5А (СаА), зернистостью 0,25-0,5 мм.
Эфир этиловый по ГОСТ 8981-78, х.ч.
Спирт этиловый ректификованный технический по ГОСТ 18300-72.
Ацетон по ГОСТ 2603-79, х.ч. или ч.д.а.
Бензин авиационный по ГОСТ 1012-72.
Углерод четыреххлористый по ГОСТ 20288-74, х.ч. или ч.д.а.
Бязь хлопчатобумажная.
Колонки хроматографические из нержавеющей стали (4x0,5; 6х1,0; 8х1,0 длиной 1,5-3,0 м).
Манометр типа МТ-60 до 0,16-0,25 МПа (1,6-2,5 атм).
Дроссель игольчатый для тонкой регулировки типа УХ-6.
Микровесы типа МВ-1 или любого другого типа, позволяющие взвешивать с погрешностью не более 0,00001 г.
Регулятор давления РДФ-31 или любой другой аналогичного типа, способный обеспечить установку стабильного давления в подъемнике пневматической печи в пределах 0,15-0,25 МПа (1,5-2,5 атм).
Секундомер по ГОСТ 5072-79.
Скоба с отсчетным устройством типа СРО-25 по ГОСТ 11098-75.
Капсула графитовая марки С-2 или С-3 (черт.4).

Черт.4
Кассета из оргстекла для капсул.
Крючок из нержавеющей стали для чистки внутренней камеры печи.
Ротаметр общепромышленный РМ по ГОСТ 13045-67*.
______________
* На территории Российской Федерации действует ГОСТ 13045-81. - .
Аргон газообразный высокой чистоты баллоный по ГОСТ 10157-79.
Гелий газообразный высокой чистоты.
Стандартные образцы сталь СГ-1 (N 81-71 по Госреестру), сталь СГ-3 (N 577-74 по Госреестру), сталь СГ-2 (N 416-73 по Госреестру). Допускается использовать стандартные образцы категории ОСО, СОП, в которых аттестованное содержание компонента не отличается от анализируемого более чем в два раза.
3.2. Подготовка к анализу
Образцы металлического вольфрама предварительно зачищают от окисной пленки, промывают в бензине или четыреххлористом углероде и высушивают ацетоном. Порошки металлического вольфрама используют для анализа без предварительной подготовки.
Для навесок берут кусочки диаметром от 2,0 до 2,8 мм, т.е. кусочки должны проходить при просеве в отверстие сита 2,8 мм и не проходить в отверстие сита 2,0 мм. Порошковый материал загружают в капсулу с помощью небольшого шпателя.
Подбирают капсулы по длине с допуском 0,05 мм (по рычажной скобе) и дегазируют их при температуре около 3500 °С. Для анализа проб отбирают капсулы без трещин, капсулы с небольшой трещиной можно использовать для контрольных опытов.
3.3. Проведение анализа
Включают хроматограф и устанавливают оптимальный режим хроматографирования.
Устанавливают графитовую капсулу с анализируемым образцом.
В зависимости от массовой доли азота, водорода, кислорода в образце берут навески в соответствии с табл.3.
Таблица 3
Наименование образца | Вид образца | Массовая доля азота, % | Массовая доля кислорода, % | Массовая доля водорода, % | Масса навески, % |
Вольфрам металлический | Компактный | 0,001-0,01 | 0,001-0,01 | 0,0001-0,001 | 0,1-0,3 |
Порошок | 0,01-0,1 | 0,01-0,1 | 0,01-0,1 | 0,05-0,1 | |
0,03-0,05 | 0,03-0,05 | 0,03-0,05 | 0,01-0,1 |
Вдвигают ручку крана-дозатора до упора и одновременно включают секундомер и пусковую кнопку питания печи.
Через 30 с ручку крана-дозатора возвращают в прежнее положение и после выхода водородного пика на самописце переключают ручку "выход ДТП" на необходимый диапазон для определяемого элемента.
Через 2 мин заменяют отработанную капсулу на новую.
Примечание. По окончании работы, во избежание попадания воздуха в хроматограф, его следует "законсервировать", для этого закрывают редуктор на баллоне с аргоном для хроматографа. Когда давление аргона в обеих колонках приблизится к нулю, устанавливают очень слабый поток газа-носителя в приборе по пенному расходомеру и выключают кнопку питания хроматографа.
3.4. Обработка результатов
3.4.1. Массовую долю азота, водорода, кислорода () в процентах вычисляют по формуле
,
где - градуировочный коэффициент, который вычисляют для каждого определяемого элемента при градуировке прибора по стандартным образцам;
- высота пика определяемого элемента за вычетом пика, полученного в контрольном опыте, мм;
- масса навески, мг.
Градуировочный коэффициент следует проверять и корректировать, особенно после ремонта различных регулировок: смены баллонов, питающих хроматограф и печь для анализа, и после длительного бездействия установки.
3.4.2. Абсолютные допускаемые расхождения результатов параллельных определений при доверительной вероятности 0,95 не должны превышать величин, указанных в табл.4.
Таблица 4
Массовая доля определяемых элементов, % | Абсолютные допускаемые расхождения, % | Определяемый элемент |
От 0,0001 до 0,0003 | 0,00005 | Водород |
Св. 0,0003 " 0,001 | 0,00008 | Водород, азот, кислород |
" 0,001 " 0,003 | 0,0001 | |
" 0,003 " 0,01 | 0,0005 | |
" 0,01 " 0,03 | 0,003 | |
" 0,03 " 0,1 | 0,005 |
3.4.3. Метод применяют при разногласии в оценке качества вольфрама.
Электронный текст документа
и сверен по:
Вольфрам. Методы анализа.
ГОСТ 14339.0-82-ГОСТ 14339.5-82: Сб. ГОСТов. -
М.: Издательство стандартов, 1983