ГОСТ 14338.1-82
Группа В59
ГОСУДАРСТВЕННЫЙ СТАНДАРТ СОЮЗА ССР
МОЛИБДЕН
Методы определения углерода
Molybdenum. Methods for determination of carbon
ОКСТУ 1709
Срок действия с 01.01.84
до 01.01.92*
_______________________________
* Ограничение срока действия снято
постановлением Госстандарта СССР
от 27.09.91 N 1524 (ИУС N 12, 1991 год).
- .
ИНФОРМАЦИОННЫЕ ДАННЫЕ
1. РАЗРАБОТАН И ВНЕСЕН Министерством цветной металлургии СССР
ИСПОЛНИТЕЛИ
В.И.Вепринцев, С.Н.Суворова, Ю.А.Абрамов, Л.В.Михайлова, В.В.Султанян
2. УТВЕРЖДЕН И ВВЕДЕН В ДЕЙСТВИЕ Постановлением Государственного комитета СССР по стандартам от 30.09.82 N 3870
3. ВЗАМЕН ГОСТ 14338.1-74
4. ССЫЛОЧНЫЕ НОРМАТИВНО-ТЕХНИЧЕСКИЕ ДОКУМЕНТЫ
Обозначение НТД, на который дана ссылка | Номер пункта, подпункта |
2.2 | |
2.2 | |
2.2 | |
2.2 | |
2.2 | |
2.2, 3.2 | |
2.2, 3.2 | |
2.2, 3.2 | |
ГОСТ 14338.0-82 | 1.1 |
2.2, 3.2 | |
2.2 |
5. Срок действия продлен до 01.01.92 Постановлением Госстандарта СССР от 21.04.88 N 1106
6. ПЕРЕИЗДАНИЕ (август 1988 г.) с Изменением N 1, утвержденным в апреле 1988 г. (ИУС 7-88)
Настоящий стандарт устанавливает потенциометрический и кулонометрический (при массовой доле углерода от 0,0005 до 0,5%) методы определения углерода в металлическом молибдене, молибденовом ангидриде, молибденовокислом аммонии.
1. ОБЩИЕ ТРЕБОВАНИЯ
1.1. Общие требования к методу анализа - по ГОСТ 14338.0-82.
2. ПОТЕНЦИОМЕТРИЧЕСКИЙ МЕТОД ОПРЕДЕЛЕНИЯ УГЛЕРОДА
2.1. Сущность метода
Метод основан на сжигании анализируемого образца в токе кислорода в трубчатой печи при 1200-1300 °С, с последующим поглощением образующейся двуокиси углерода раствором электролита.
Углекислый газ, поглощаясь электролитом, изменяет рН раствора и тем самым изменяет потенциал электрода. Электролит титруют раствором гидрата окиси бария до первоначального значения рН (9,7-10).
2.2. Аппаратура, реактивы, растворы
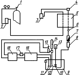
Установка для определения содержания углерода, приведенная на чертеже, состоит из баллона 1 с редукционным вентилем и кислородом (ГОСТ 5583-78); ротаметра 2 типа РС-3Л или РМ-А; склянки 3 с аскаритом; загрузочного затвора 4; двухтрубчатой печи 5 с силитовыми нагревателями, обеспечивающей нагрев до 1300±20 °C; пылевого фильтра 6; капиллярного дросселя 7; склянки 8, наполненной гранулированной двуокисью марганца; электролитической ячейки 9, в которую помещена мешалка 10; электродной системы 11; капельницы 12 для ввода в ячейку титранта; электромотора 13; бюретки 14, вместимостью 10-25 см; магнитного клапана 15; рН-метра 16 типа рН-340 или рН-121; нормального элемента 17 и блока автоматического титрования 18 (БАТ-15, БАТ-12ЛМ).

Примечание. Вместо бюретки 14, магнитного клапана 15 можно использовать автоматическую бюретку-дозатор Б-701.
Электролитическая ячейка 9 вместимостью 200 см может быть заменена сосудом с пористым фильтром N 2 или N 3 вместимостью 100 см
.
Нормальный элемент подключают в случае использования рН-метра рН-340 и БАТ-12ЛМ.
Допускается использовать анализатор, обеспечивающий точность не ниже указанной в стандарте.
Аммиак по ГОСТ 3760-79.
Аскарит.
Гранулированная двуокись марганца: 200 г сернокислого марганца растворяют в 2500 см горячей воды, затем в раствор прибавляют 25 см
аммиака. После этого добавляют 1000 см
22,5%-ного раствора надсернокислого аммония и смесь кипятят в течение 10 мин. Во время кипения прибавляют аммиак до щелочной реакции, после чего раствор выдерживают до полного выделения осадка двуокиси марганца. Осадок отфильтровывают, промывают водой и сушат при 110 °С.
Аммоний надсернокислый по ГОСТ 20478-75, 22,5%-ный раствор.
Марганец сернокислый по ГОСТ 435-77.
Известь натронная.
Лодочки фарфоровые ЛС-2, ЛС-4 по ГОСТ 9147-80.
Трубки огнеупорные муллитокремнеземистые с внутренним диаметром 20-21 мм.
Калий хлористый по ГОСТ 4234-77, насыщенный раствор.
Барий хлористый по ГОСТ 4108-72, раствор электролита: 10 г хлористого бария растворяют в 1000 см дистиллированной воды и к полученному раствору приливают 10 см
этилового спирта.
Бария гидрат окиси по ГОСТ 4107-78, насыщенный раствор: гидрат окиси бария растворяют в дистиллированной воде (предварительно прокипяченной в течение 2 ч и охлажденной до комнатной температуры). Полученный раствор разбавляют в 30 раз. Раствор хранят в бутылях, снабженных трубками с натронной известью.
Спирт этиловый ректификованный по ГОСТ 18300-87.
Цинка окись по ГОСТ 10262-73.
Стандартные образцы категорий ГСО, ОСО, СОП, в которых аттестованное содержание компонента не отличается от анализируемого более чем в два раза
.
2.1; 2.2. (Измененная редакция, Изм. N 1).
2.3. Подготовка к анализу
К выходу рН-метра подключают блок автоматического титрования через последовательно включенный нормальный элемент. Настраивают рН-метр и блок автоматического титрования по прилагаемым инструкциям к этим приборам. Электродную систему настраивают по буферному раствору рН 9,18-9,22 (фиксанал 0,01М раствора тетраборнокислого калия).
Фарфоровые лодочки и окись цинка прокаливают в токе кислорода при 1280 °С в течение 3 мин.
Электролитическую ячейку заполняют электролитом 200 см (а в случае ячейки с пористой перегородкой 100 см
).
Устанавливают расход кислорода 700 см в 1 мин. Включают БАТ на титрование и доводят рН до 10.
Сжигая 3-4 навески стандартного образца, устанавливают титр гидрата окиси бария.
Пробы молибденовокислого аммония прокаливают в муфельной печи при 400-450 °С до полного окисления.
Образцы металлического молибдена очищают от возможного загрязнения, промывая в 5-10 см спирта.
2.4. Проведение анализа
В зависимости от массовой доли углерода в образцах берут различные навески в соответствии с табл.1.
Таблица 1
Массовая доля углерода, % | Масса навески, г |
От 0,0005 до 0,001 | 2,00 |
Св. 0,001 " 0,005 | 1,00 |
" 0,005 " 0,05 | 0,50 |
" 0,05 " 0,5 | 0,25 |
Навеску помещают в прокаленную лодочку и тщательно перемешивают с окисью цинка в соотношении 1:2.
Лодочку с подготовленной пробой помещают в трубку для сжигания, закрывают затвор и на блоке автоматического титрования включают ручку "титрование". Окончание анализа фиксируют блоком автоматического титрования и по бюретке отсчитывают количество раствора гидрата окиси бария, израсходованного на титрование.
Сжигание стандартного образца для установления титра проводят после каждой пятой проанализированной пробы.
2.5. Обработка результатов
2.5.1. Массовую долю углерода () в процентах вычисляют по формуле
,
где - объем раствора гидрата окиси бария, израсходованный на титрование раствора анализируемой пробы, см
;
- объем раствора гидрата окиси бария, израсходованный на титрование раствора в контрольном опыте, см
;
- титр раствора гидрата окиси бария, выраженный в г/см
углерода;
- масса навески образца, г
.
2.5.2. Абсолютные допускаемые расхождения результатов трех параллельных определений при доверительной вероятности 0,95 не должны превышать величин, указанных в табл.2.
Таблица 2
Массовая доля углерода, % | Абсолютные допускаемые расхождения, % |
От 0,0005 до 0,0010 включ. | 0,0003 |
Св. 0,0010 " 0,0030 " | 0,0004 |
" 0,0030 " 0,0060 " | 0,0005 |
" 0,006 " 0,010 " | 0,001 |
" 0,010 " 0,030 " | 0,002 |
" 0,030 " 0,050 " | 0,003 |
" 0,050 " 0,100 " | 0,006 |
" 0,100 " 0,300 " | 0,012 |
" 0,300 " 0,500 " | 0,015 |
(Измененная редакция, Изм. N 1).
3. КУЛОНОМЕТРИЧЕСКИЙ МЕТОД ОПРЕДЕЛЕНИЯ УГЛЕРОДА
3.1. Сущность метода
Метод основан на сжигании анализируемого образца в токе кислорода в трубчатой печи при 1200-1250 °С с последующим поглощением образующей двуокиси углерода раствором электролита, затем электролит электролизуется для восстановления исходного рН, и по количеству израсходованного электричества в процессе электролиза измеряют содержание углерода.
3.2. Аппаратура, реактивы, растворы
Кулонометрический анализатор АН-7560 или любого другого типа для данного диапазона определения содержания углерода.
Печь сопротивления, обеспечивающая нагрев до температуры (1300±20) °С.
Баллон с редукционным вентилем с кислородом по ГОСТ 5583-78.
Лодочки фарфоровые ЛС-2, ЛС-4 по ГОСТ 9147-80.
Трубки огнеупорные муллитокремнеземистые внутренним диаметром 20-21 мм.
Спирт этиловый ректификованный по ГОСТ 18300-87.
Окись цинка по ГОСТ 10262-73.
Стандартный образец СО-126. Допускается использование стандартного образца категории ОСО и СОП, в которых аттестованное содержание компонента не отличается от анализируемого более чем в два раза.
(Измененная редакция, Изм. N 1).
3.3. Подготовка к анализу
Фарфоровые лодочки и окись цинка прокаливают в токе кислорода при 1280 °С в течение 3 мин.
Включают анализатор в сеть и настраивают. Калибруют анализатор по стандартным образцам.
Пробы молибденовокислого аммония прокаливают в муфельной печи при 400-450 °С до полного окисления.
Образцы металлического молибдена очищают от возможного загрязнения, промывая в 5-10 см спирта.
3.4. Проведение анализа
В зависимости от массовой доли углерода в образцах берут навески в соответствии с табл.1.
Навеску помещают в прокаленную лодочку и тщательно перемешивают с окисью цинка в соотношении 1:2.
Лодочку с подготовленной пробой помещают в трубку для сжигания, закрывают затвор и включают прибор на титрование.
(Измененная редакция, Изм. N 1).
3.5. Обработка результатов
3.5.1. Массовая доля углерода в процентах за вычетом массовой доли углерода, найденного в контрольном опыте, соответствует показанию цифрового табло прибора.
3.5.2. Абсолютные допускаемые расхождения результатов параллельных определений при доверительной вероятности 0,95 не должны превышать величин, указанных в табл.2.
(Измененная редакция, Изм. N 1).
3.5.3. Метод применяют при разногласии в оценке качества молибдена.
Электронный текст документа
и сверен по:
Молибден. Методы химического анализа.
ГОСТ 14338.0-82-ГОСТ 14338.4-82: Сб. ГОСТов. -
М.: Издательство стандартов, 1989