ГОСТ 13218.1-80
Группа Г16
ГОСУДАРСТВЕННЫЙ СТАНДАРТ СОЮЗА ССР
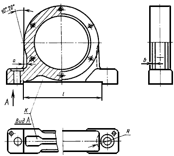
КОРПУСА ТИПА ШМ ПОДШИПНИКОВ КАЧЕНИЯ ДИАМЕТРОМ ОТ 47 ДО 150 мм
Конструкция и размеры
Pillow blocks of series ШМ for rolling bearings diameters from 47 to 150 mm.
Construction and dimensions
Дата введения 1982-01-01
Постановлением Государственного комитета СССР по стандартам от 30 сентября 1980 г. N 4892 срок введения установлен с 01.01.82
ПРОВЕРЕН в 1986 г. Постановлением Госстандарта СССР от 05.09.86 N 2602 снято ограничение срока действия
ВЗАМЕН ГОСТ 13218.1-67
ПЕРЕИЗДАНИЕ. Декабрь 1987 г.
1. Настоящий стандарт распространяется на неразъемные широкие корпуса типа ШМ со сквозным отверстием для подшипников качения типов, указанных в табл.1.
Таблица 1
Обозначение корпуса | Подшипник | Исполнение корпуса | |
Обозначение типа | Конструкция и размеры | ||
ШМ 47 - ШМ 72 | 1200; 1300; 1500; 1600 | По ГОСТ 5720-75 | 1 или 2 |
11200; 11300; 11500; 11600 | По ГОСТ 8545-75 | ||
ШМ 80 - ШМ 150 | 1600 | По ГОСТ 5720-75 | 2 |
11600 | По ГОСТ 8545-75 | ||
3600 | По ГОСТ 5721-75 | ||
13600 | По ГОСТ 8545-75 | ||
2. Стандарт устанавливает следующие исполнения корпусов:
1 - корпуса с выемкой длиной в опоре, используемые для установки на необработанные поверхности при любом направлении радиальной нагрузки или для установки на обработанные поверхности при направлении радиальной нагрузки предпочтительно от опоры;
2 - корпуса без выемки длиной в опоре, используемые для установки на обработанные поверхности при направлении радиальной нагрузки предпочтительно к опоре.
3. Размеры и обозначения корпусов подшипников должны соответствовать указанным на чертеже и в табл.2.
Для =110-150 мм

Для =47-52 мм

Таблица 2
Размеры, мм
Обозначение корпуса |
|
|
| Теоретическая масса, кг | |||||||||||||||
ШМ 47 | 47 | 63 | 9 | 0,10 | 11 | 4 | 20 | 85 | 32 | 26 | 115 | 65 | 65 | 68,5 | 36 | 15 | - | 10,5 | 0,490 |
ШМ 52 | 52 | 70 | 5 | 90 | 34 | 28 | 125 | 72 | 72 | 76,0 | 40 | 16 | 11,0 | 0,497 | |||||
ШМ 62 | 62 | 80 | 13 | 6 | 24 | 110 | 35 | 40 | 145 | 85 | 98 | 90,5 | 48 | 17 | 70 | 0,794 | |||
ШМ 72 | 72 | 90 | 26 | 125 | 40 | 42 | 160 | 98 | 110 | 110,0 | 52 | 18 | 75 | 1,080 | |||||
ШМ 80 | 80 | 100 | 15 | 30 | 140 | 45 | 46 | 175 | 110 | 124 | 113,0 | 58 | 20 | 1,490 | |||||
ШМ 90 | 90 | 110 | 11 | 0,12 | 155 | 48 | 190 | 125 | 144 | 130,5 | 68 | 22 | 80 | 12,0 | 2,080 | ||||
ШМ 100 | 100 | 120 | 17 | 8 | 32 | 165 | 52 | 52 | 210 | 135 | 148 | 139,5 | 72 | 25 | 85 | 12,5 | 2,570 | ||
ШМ 110 | 110 | 130 | 180 | 55 | 225 | 155 | 164 | 157,5 | 80 | 28 | - | - | 3,420 | ||||||
ШМ 120 | 120 | 145 | 13 | 195 | 58 | 48 | 245 | 175 | 175 | 179,5 | 92 | 30 | 4,680 | ||||||
ШМ 130 | 130 | 155 | 10 | 210 | 65 | 62 | 260 | 185 | 196 | 190,5 | 98 | 34 | 6,430 | ||||||
ШМ 140 | 140 | 165 | 22 | 40 | 235 | 68 | 66 | 285 | 195 | 216 | 199,5 | 102 | 6,640 | ||||||
ШМ 150 | 150 | 180 | 250 | 70 | 305 | 210 | 228 | 215,0 | 110 | 40 | 9,490 |
Пример условного обозначения корпуса типа ШМ, исполнения 1, 90 мм:
Корпус ШМ 90 ГОСТ 13218.1-80
То же, исполнения 2:
Корпус ШМ 90-2 ГОСТ 13218.1-80
При мелкосерийном производстве допускается изготовлять корпуса по рекомендуемому приложению 1.
4. Технические требования - по ГОСТ 13218.11-80.
5. Характеристика и выбор корпусов в зависимости от типов подшипников качения и направления нагрузок - по рекомендуемому приложению 3.
6. Расчетные разрушающие нагрузки - по рекомендуемому приложению 4.
7. Дополнительные размеры элементов корпусов - по рекомендуемому приложению 2.
8. Допускается при необходимости обеспечения взаимозаменяемости для применения в изделиях, спроектированных до 1 января 1980 г., по согласованию с потребителем изготовлять корпуса с допусками по справочному приложению 5.
ПРИЛОЖЕНИЕ 1
Рекомендуемое
КОНСТРУКТИВНОЕ ОФОРМЛЕНИЕ КОРПУСОВ ПОДШИПНИКОВ КАЧЕНИЯ УПРОЩЕННОЙ КОНСТРУКЦИИ ДО ОРГАНИЗАЦИИ ИХ ЦЕНТРАЛИЗОВАННОГО ПРОИЗВОДСТВА
Корпуса упрощенной конструкции изготовляют размерами, указанными в ГОСТ 13218.1-80 - ГОСТ 13218.11-80.
Дополнительные размеры, указанные на черт.1-23. определяют по формулам:
;
;;
,
где - диаметр отверстия под головку болта;
- межосевое расстояние отверстий под крепежные болты;
- ширина буртика (см. рекомендуемое приложение 2);
- толщина ребра.
Глубину и ширину литейной выемки (черт.1-23) устанавливают в зависимости от технологических возможностей, но не более, чем указано в стандартах.
Корпуса типа ШМ
Для
110-150 мм

Черт.1
Для 160-240 мм

Черт.2
Для 47 и 52 мм

Черт.3
Для 62-100 мм

Черт.4
Для 260-400 мм

Черт.5
Корпуса типа УМ
Для
110-150 мм

Черт.6
Для 160-240 мм

Черт.7
Для 80-100 мм

Черт.8
Для 260-400 мм

Черт.9
Корпуса типа ШБ
Для
110-150 мм

Черт.10
Для 340-400 мм

Черт.11
Для 90-100 мм

Черт.12
Для 160-320 мм

Черт.13
Корпуса типа УБ
Для
110-150 мм

Черт.14
Для 240-400 мм

Черт.15
Для 85-100 мм

Черт.16
Для 160-230 мм

Черт.17
Корпуса типа РУ
Для
125 мм

Черт.18
Для 230-250 мм

Черт.19
Для 270-300 мм

Черт.20
Корпуса типа РШ
Для
110-150 мм

Черт.21
Для 160-240 мм

Черт.22
Для 260-400 мм

Черт.23
ПРИЛОЖЕНИЕ 2
Рекомендуемое
ВЫБОР РАЗМЕРОВ КОНСТРУКТИВНЫХ ЭЛЕМЕНТОВ КОРПУСОВ
1. Ширину фланцев (черт.1-9), толщину стенки
(черт.8-12) и толщину ребра
(черт.9-12) определяют по табл.1.
Таблица 1
Обозначения корпуса | |||
ШМ 47 и ШМ 52 |
| 0,5 |
|
ШМ 62 - ШМ 100, УМ 80 - УМ 100 | |||
ШМ 110 - ШМ 150, УМ 110 - УМ 150 | |||
ШМ 160 - ШМ 250, УМ 160 - УМ 250 | |||
ШБ 90 - ШБ 100, УБ 85 - УБ 100 |
| ||
ШБ 110 - ШБ 150, УБ 110 - УБ 150 |
| ||
УМ 260 - УМ 400, ШМ 260 - ШМ 400 | |||
УБ 160 - УБ 180 | |||
ШБ 160 - ШБ 400, УБ 290 - УБ 400 | 0,4 |
|
2. Радиусы закруглений ,
,
,
(черт.8-10) определяют по формулам:
;
;
;
.
3. Радиусы закруглений ,
,
(черт.10) и
(черт.1-7) определяют по формулам:
;
;
;
,
где - диаметр болта или шпильки для крепления торцевой крышки.
4. Размер (черт.10) определяют по формуле:
.
5. Размер пояса (черт.9-12) - по табл.2.
Таблица 2
мм
Диаметр | 47-52 | 62-90 | 100-150 | 160-240 | 250-400 |
3 | 4 | 5 | 6 | 8 |
6. Допускается изготовлять корпуса с одним ребром жесткости, расположенными посередине ширины , толщиной
и высотой
.
7. Контуры фланцев и расположение отверстий корпусов и крышек - по черт.13-16.
Конструктивные элементы корпусов
ШМ 47 и ШМ 52

Черт.1
ШМ 62 - ШМ 100; УМ 80 - УМ 100

Черт.2
ШБ 90 - ШБ 100; УВ 85 - УБ 100

Черт.3
ШМ 110 - ШМ 150; УМ 110 - ШМ 150

Черт.4
ШБ 110 - ШБ 150; УБ 110 - УБ 150

Черт.5
ШМ 160 - ШМ 240; УМ 160 - УМ 250

Черт.6
ШМ 260 - ШМ 400; УМ 250 - УМ 400; ШБ 160 - ШБ 400; УБ 160 - УБ 400

Черт.7
Основные сечения стенок корпусов
ШМ 47 - ШМ 240; УМ 80 - УМ 250

Черт.8
ШБ 90 - ШБ 400; УБ 85 - УБ 400; УМ 260 - УМ 400; ШМ 260 - ШМ 400

Черт.9
Лапы корпусов

Черт.10
Ребра жесткости
ШМ и УМ; ШМ 47 - ШМ 240; УМ 80 - УМ 250

Черт.11
ШБ и УБ; ШМ 260 - ШМ 400; УМ 260 - УМ 400

Черт.12
Контуры фланцев и расположение отверстий корпусов и крышек
Для
47 и 52 мм

Черт.13
Для 62-100 мм

Черт.14
Для 110-150 мм

Черт.15
Для 160-400 мм

Черт.16
ПРИЛОЖЕНИЕ 3
Рекомендуемое
ХАРАКТЕРИСТИКА И ВЫБОР КОРПУСОВ В ЗАВИСИМОСТИ
ОТ ТИПОВ ПОДШИПНИКОВ КАЧЕНИЯ И НАПРАВЛЕНИЯ НАГРУЗОК
Вид корпуса | Обоз- | Харак- | Диапазон наружных диаметров подшип- | Тип подшипников при нагрузке, направленной | Корпуса подшипников качения | ||
к опоре | от опоры |
|
| ||||
Неразъ- | ШМ | Широкий | 47-400 | Для диаметров Для диаметров | По ГОСТ 13218.1-80 | ||
Подшипники типа 3600 по ГОСТ 5721-75 и типа 13600 по ГОСТ 8545-75 | |||||||
УМ | Узкий | 80-400 | Подшипники типов 1200, 1300 и 1500 по ГОСТ 5720-75 и типов 11200, 11300 и 11500 по ГОСТ 8545-75 | ||||
Подшипники типа 3500 по ГОСТ 5721-75 и типа 13500 по ГОСТ 8545-75 | |||||||
ШБ | Широкий | 90-400 | - | Подшипники типа 3600 по ГОСТ 5721-75 и типа 13600 по ГОСТ 8545-75 | По ГОСТ | ||
УБ | Узкий | 85-400 | - | Подшипники типа 3500 по ГОСТ 5721-75 и типа 13500 по ГОСТ 8545-75 | |||
Разъ- | РШ | Широкий | 110-400 | Подшипники всех типов, допускающие перекос внутренних и наружных колец относительно друг друга, кроме установленных в корпусах типа РУ | - | ||
РУ | Узкий | 125-400 | Все подшипники с корпусами типа УМ диаметрами 125, 230, 250, 270, 290 и 310 мм | - | |||
ПРИЛОЖЕНИЕ 4
Рекомендуемое
РАСЧЕТНЫЕ РАЗРУШАЮЩИЕ НАГРУЗКИ ДЛЯ КОРПУСОВ
Обозначение корпуса | Значение нагрузки, кН, направленной | |
от опоры в плоскости, перпендикулярной к опоре | перпендикулярно к оси отверстия | |
ШМ 47 | 5 | 13 |
ШМ 52 | 6 | 17,3 |
ШМ 62 | 7,7 | 25 |
ШМ 72 | 9 | |
ШМ 80 | 10,5 | 28 |
ШМ 90 | 12,5 | |
ШМ 100 | 14 | 45,5 |
ШМ 110 | 14 | |
ШМ 120 | 15 | |
ШМ 130 | 22 | 62,4 |
ШМ 140 | 24 | 71 |
ШМ 150 | 31,7 | |
ШМ 160 | 38 | |
ШМ 170 | 40 | |
ШМ 180 | 42 | 104 |
ШМ 190 | 39 | |
ШМ 200 | 39 | |
ШМ 215 | 58,5 | |
ШМ 225 | 57 | 155,3 |
ШМ 240 | 68 | |
ШМ 260 | 113 | 175,8 |
ШМ 280 | 121 | |
ШМ 300 | 149 | |
ШМ 320 | 160 | |
ШМ 340 | 170 | |
ШМ 360 | 180 | 201 |
ШМ 380 | 210 | |
ШМ 400 | 225 | |
УМ 80 | 6 | 38,2 |
УМ 85 | ||
УМ 90 | 6,5 | |
УМ 100 | 8 | 45,5 |
УМ 110 | 10,9 | |
УМ 120 | 12,8 | |
УМ 125 | 15 | |
УМ 130 | 17,5 | 62,4 |
УМ 140 | 18 | 71 |
УМ 150 | 25 | |
УМ 160 | 31 | |
УМ 170 | 29,5 | |
УМ 180 | 34 | 104 |
УМ 190 | 32,5 | |
УМ 200 | 33,5 | |
УМ 215 | 50 | |
УМ 225 | 43,5 | 114 |
УМ 230 | 56 | |
УМ 240 | 48 | |
УМ 250 | 69 | |
УМ 270 | 97,5 | 135 |
УМ 290 | 112 | |
УМ 310 | 130 | 176 |
УМ 320 | 137 | |
УМ 340 | 140 | |
УМ 360 | 160 | 201 |
УМ 400 | 238 | |
ШБ 90 | 14 | 45,5 |
ШБ 100 | 17 | 54 |
ШБ 110 | 22 | 71 |
ШБ 120 | 29 | |
ШБ 130 | 31 | |
ШБ 140 | 32 | 114 |
ШБ 150 | 40 | |
ШБ 160 | 52 | |
ШБ 170 | 55 | 155 |
ШБ 180 | 64 | 176 |
ШБ 190 | 59 | |
ШБ 200 | 66 | |
ШБ 215 | 85 | 243 |
ШБ 240 | 100 | 269 |
ШБ 260 | 130 | |
ШБ 280 | 140 | 406 |
ШБ 300 | 183 | |
ШБ 320 | 190 | |
ШБ 340 | 210 | 503 |
ШБ 360 | 230 | 534 |
ШБ 380 | 250 | |
ШБ 400 | 260 | |
УБ 85 | 9,1 | 45,5 |
УБ 90 | 10 | |
УБ 100 | 13 | |
УБ 110 | 16 | 54 |
УБ 120 | 19 | |
УБ 125 | 21 | |
УБ 130 | 23 | |
УБ 140 | 24 | |
УБ 150 | 30 | 71 |
УБ 160 | 35 | 81,5 |
УБ 170 | 38 | 114 |
УБ 180 | 43 | |
УБ 200 | 44 | |
УБ 215 | 64 | 176 |
УБ 230 | 60 | |
УБ 250 | 99 | 243 |
РШ 110 | - | 38 |
РШ 120 | ||
РШ 130 | 58 | |
РШ 140 | ||
РШ 150 | 83 | |
РШ 160 | ||
РШ 170 | ||
РШ 180 | ||
РШ 190 | ||
РШ 200 | ||
РШ 215 | 130 | |
РШ 225 | ||
РШ 240 | ||
РШ 260 | ||
РШ 280 | 190 | |
РШ 300 | ||
РШ 320 | ||
РШ 340 | 290 | |
РШ 360 | ||
РШ 380 | ||
РШ 400 | ||
РУ 125 | 38 | |
РУ 210 | 83 | |
РУ 230 | 130 | |
РУ 250 | ||
РУ 270 | ||
РУ 290 | ||
РУ 310 | ||
ПРИЛОЖЕНИЕ 5
Справочное
ДОПУСКИ ДЛЯ КОРПУСОВ ПО СИСТЕМАМ ЕСДП СЭВ и ОСТ
Допуски | |
по ЕСДП СЭВ | по системе ОСТ |
H7 | |
h9 | |
H14 | |
h14 | |
| |
Текст документа сверен по:
Корпуса подшипников качения.
Конструкция и размеры.
Технические требования: Сб. ГОСТов. -
М.: Издательство стандартов, 1988